norelem 使用 Cookies 以优化设计和持续改进网页。您通过继续使用网页,同意使用 Cookies。在我们的数据保护声明中可以找到有关 Cookies 主题的详细信息。同意

商品描述/产品说明

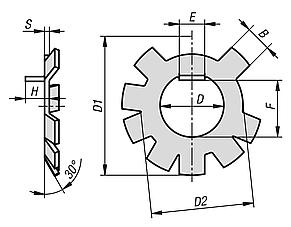
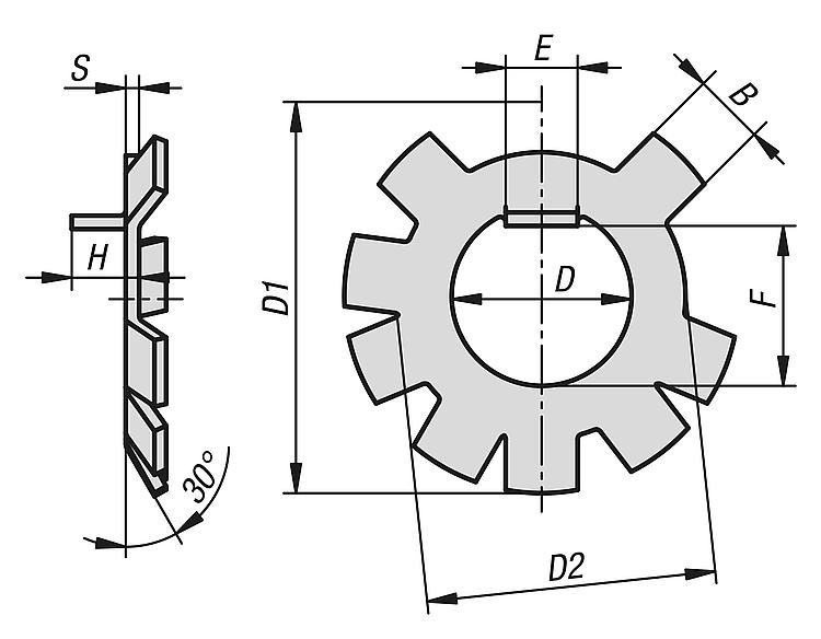
产品说明材料:钢制。规格:亮色。提示:DIN 70952 限动片用于固定 DIN 70852 的帽型螺母。要使用限动片,螺栓螺纹上需要有一个键槽。特点:
RoHS
下载此处为收集信息的 PDF:

查找 CAD 数据?请直接在产品列表中查找。
 Datasheet 07590-06 DIN 70952 钢制限动片 193 kB
 固定件标准概览 980 kB

图纸

DIN 70952 钢制限动片

商品选择/筛选

订货号BD

D1D2EFHS适用

CAD配件价格订购
07590-06-010410221648,93107590-05-010/07590-05-10 根据要求
07590-06-0124122418410,93107590-05-012/07590-05-12 根据要求
07590-06-0144142620512,93107590-05-014/07590-05-14 根据要求
07590-06-01651629235143107590-05-016/07590-05-16 根据要求
07590-06-0185183325516,94107590-05-018/07590-05-18 根据要求
07590-06-0205203527518,94107590-05-020/07590-05-20 根据要求
07590-06-0226223830620,94107590-05-022/07590-05-22 根据要求
07590-06-0246244032622,951,207590-05-024/07590-05-24 根据要求
07590-06-0266264434624,951,207590-05-026/07590-05-26 根据要求
07590-06-0286284636726,951,207590-05-028/07590-05-28 根据要求
07590-06-0306304838728,961,207590-05-030/07590-05-30 根据要求
07590-06-0326325141730,971,207590-05-032/07590-05-32 根据要求
07590-06-0356355343733,971,207590-05-035/07590-05-35 根据要求
07590-06-0386385747836,671,207590-05-038/07590-05-38 根据要求
07590-06-0406405949838,971,207590-05-040/07590-05-40 根据要求
07590-06-0427426252840,671,207590-05-042/07590-05-42 根据要求
07590-06-0457456454843,681,207590-05-045/07590-05-45 根据要求
07590-06-0487486757846,781,507590-05-048/07590-05-48 根据要求
07590-06-0507507060848,781,507590-05-050/07590-05-50 根据要求
07590-06-0527527462850,781,507590-05-052/07590-05-52 根据要求
07590-06-05575579671053,781,507590-05-055/07590-05-55 根据要求
07590-06-060106082,4711058,781,507590-05-060/07590-05-60 根据要求
07590-06-065106588761063,781,507590-05-065/07590-05-65 根据要求
07590-06-070107093811068,7101,507590-05-070/07590-05-70 根据要求
07590-06-0751075100861073,2101,807590-05-075/07590-05-75 根据要求
07590-06-0801080105911078,2101,807590-05-080/07590-05-80 根据要求
我的 norelemE-Mail密码
购物车
商品数量: 0
总数: 0.00  
点击购物车
欢迎扫描二维码
咨询诺瑞朗官方客服微信
中国
苏ICP备20011289号-1  苏公网安备32058502011222 网页地图 打印 推荐 Top
Copyright © 2025 norelem. 保留所有权利。 电话 +49 71 45/206-44 至 45 · 传真 +49 71 45/206-83