norelem 使用 Cookies 以优化设计和持续改进网页。您通过继续使用网页,同意使用 Cookies。在我们的
数据保护声明
中可以找到有关 Cookies 主题的详细信息。
同意
全球分布
创意
AGB
版权说明
数据保护
产品
企业信息
服务
下载
新闻
联系方式
产品概览
固定
灵活的标准件系统
装配
装配系统
运动
用于机床和设备制造的系统/组件
检查
量具检具组件
夹紧
夹紧技术
控制和调节
电动机构
输送
输送和移动技术
technoshop
norelem inch
英制产品目录
07115
方形夹头
返回
产品
产品概览
灵活的标准件系统
紧固件、 波珠螺丝和压块、 螺纹销及压紧块、 扭矩螺栓及螺套、 环首螺栓、 吊环、 拉环销
波珠螺丝及压块
方形夹头
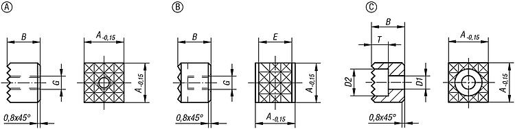
商品描述/产品说明
产品说明
材料:
淬火工具钢或硬质合金。
规格:
黑色氧化处理。
提示:
此类产品用于夹紧臂,机械手,夹具,夹钳和摆动支架。使用此类夹头可提供更大扭矩,更好地保证切削时工件的稳定。尤其在材料硬度较高或者表面不均匀时,优势更明显。
齿面与螺栓通过钎焊连接。
图纸提示:
A 型: 工具钢
B 型: 工具钢, 硬质合金齿面
C 型: 工具钢
特点:
下载
此处为收集信息的 PDF:
查找 CAD 数据?请直接在产品列表中查找。
Datasheet 07115 方形夹头
197 kB
图纸
商品选择/筛选
订货号
类型
A
B
D1
D2
E
G
T
齿面
CAD
配件
价格
订购
07115-1005
A
10
10
-
-
-
M5
-
超精细
根据要求
07115-101205
A
10
12
-
-
-
M5
-
超精细
根据要求
07115-1205
A
12
10
-
-
-
M5
-
精细
根据要求
07115-121205
A
12
12
-
-
-
M5
-
精细
根据要求
07115-1606
A
16
10
-
-
-
M6
-
精细
根据要求
07115-161206
A
16
12
-
-
-
M6
-
精细
根据要求
07115-2005
A
20
10
-
-
-
M5
-
精细
根据要求
07115-201205
A
20
12
-
-
-
M5
-
精细
根据要求
07115-2506
A
25
10
-
-
-
M6
-
精细
根据要求
07115-251206
A
25
12
-
-
-
M6
-
精细
根据要求
07115-12057
B
12
10
-
-
10,3
M5
-
精细
根据要求
07115-1210048
C
12
10
4,5
8
-
-
5,6
精细
根据要求
07115-1212048
C
12
12
4,5
8
-
-
5,6
精细
根据要求
07115-1610048
C
16
10
4,5
8
-
-
5,6
精细
根据要求
07115-1612048
C
16
12
4,5
8
-
-
5,6
精细
根据要求
07115-2010058
C
20
10
5,5
10
-
-
6,6
精细
根据要求
07115-2012058
C
20
12
5,5
10
-
-
6,6
精细
根据要求
07115-2510068
C
25
10
6,6
11
-
-
7,6
精细
根据要求
07115-2512068
C
25
12
6,6
11
-
-
7,6
精细
根据要求
本类目的其他商品
<<
|
<
|
1-10
|
11-20
|
21-21
|
>
|
>>
07100
波珠螺丝,带栓头
07101
波珠螺丝 带栓头,不锈钢
07105
无头全球滚珠压力螺钉,带螺纹锁
07105
无压扁球头滚珠压力螺钉,带螺纹锁
07107
波珠螺丝,无栓头,带细螺纹
07109
波珠螺丝 不带栓头,短款
07110
波珠螺丝,不带栓头,半圆珠,防扭转
07110
波珠螺丝,无栓头,带圆波珠
07110
波珠螺丝,不带栓头,半圆珠
07111
波珠螺丝,无栓头,不锈钢,带圆波珠
<<
|
<
|
1-10
|
11-20
|
21-21
|
>
|
>>
我的 norelem
E-Mail
密码
忘记密码
首次登陆
购物车
商品数量:
0
总数:
0.00
€
点击购物车
欢迎扫描二维码
咨询诺瑞朗官方客服微信
Algérie
Andorra
Argentina
Australia
België
Bolivia
Bosna i Hercegovina
Brasil
Canada
Česká republika
Chile
中国
Colombia
Costa Rica
Cuba
Danmark
Dem. Peop. Rep. of Korea
Deutschland
Ecuador
Eesti
España
Georgia
香港
Hrvatska
India
Ireland
Ísland
Italia
Jamaica
日本
Latvija
Liechtenstein
Lietuvos
Luxemburg
Magyarország
Malaysia
Malta
México
Nederland
New Zealand
Norge
Österreich
Pakistan
Paraguay
Perú
Polska
Portugal
Principauté de Monaco
台灣
Rep. di San Marino
대한민국
România
Schweiz
Singapore
Slovenija
Slovensko
South Africa
Suomi
Sverige
Türkiye
United Kingdom
United States of America
Uruguay
Venezuela
Việt Nam
Ελλάδα
Κύπρος
Беларусь
България
Република Србија
Россия
Србија и Црна Гора
Україна
ישראל
الامارات العربية المتحدة
السعودية
ايران
مصر
ประเทศไทย
Chinese
English
苏ICP备20011289号-1
苏公网安备32058502011222
网页地图
打印
推荐
Top
Copyright © 2025 norelem. 保留所有权利。
电话 +49 71 45/206-44 至 45 · 传真 +49 71 45/206-83