norelem 使用 Cookies 以优化设计和持续改进网页。您通过继续使用网页,同意使用 Cookies。在我们的数据保护声明中可以找到有关 Cookies 主题的详细信息。同意
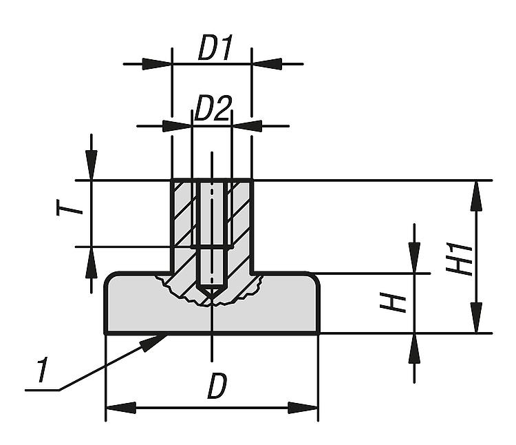
磁铁,带内螺纹(带座磁铁)材质为硬铁氧体,不锈钢壳体
09065-10

磁铁,带内螺纹(带座磁铁) 材质为硬铁氧体,不锈钢壳体

返回

商品描述/产品说明

产品说明材料:

不锈钢外壳 1.4016。
不锈钢螺纹 1.4305。
磁芯材质为硬铁氧体。

规格:亮色。提示:带座磁铁,含螺纹、带遮盖保护。温度范围:最大 220 °C。装配:磁铁可通过压配,螺纹紧固或粘合进行安装。图纸提示:
1) 附着面
特点:
不锈钢RoHS
下载此处为收集信息的 PDF:

查找 CAD 数据?请直接在产品列表中查找。
 Datasheet 09065-10 磁铁,带内螺纹(带座磁铁)材质为硬铁氧体,不锈钢壳体 212 kB

图纸

磁铁,带内螺纹(带座磁铁)材质为硬铁氧体,不锈钢壳体

商品选择/筛选

订货号D

D1D2HH1T吸力
N
CAD配件价格订购
09065-10-12525 ±0,18M57161032 根据要求
09065-10-13232 ±0,18M57161064 根据要求
09065-10-14040 +0,2/-0,18M5816,510100 根据要求
09065-10-15050 +0,2/-0,18M51018,510175 根据要求
09065-10-16363 +0,3/-0,18M5142210280 根据要求
我的 norelemE-Mail密码
购物车
商品数量: 0
总数: 0.00  
点击购物车
欢迎扫描二维码
咨询诺瑞朗官方客服微信
中国
苏ICP备20011289号-1  苏公网安备32058502011222 网页地图 打印 推荐 Top
Copyright © 2025 norelem. 保留所有权利。 电话 +49 71 45/206-44 至 45 · 传真 +49 71 45/206-83