norelem 使用 Cookies 以优化设计和持续改进网页。您通过继续使用网页,同意使用 Cookies。在我们的数据保护声明中可以找到有关 Cookies 主题的详细信息。同意
磁铁,吸附面经过加工(厚罐形磁铁)材质为 NdFeB
09067-11

磁铁,吸附面经过加工(厚罐形磁铁) 材质为 NdFeB

返回

商品描述/产品说明

产品说明材料:外壳材质为黄铜。
磁芯材质为 NdFeB(钕)。
提示:光滑规格,经屏蔽处理的系统。
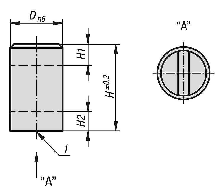
钕厚罐形磁铁任何情况下都不得被直接压入铁中,否则会因为磁短路造成吸力的丧失。直径“D“经打磨处理,配合公差 h6。
可以按尺寸“H1 和 H2”缩短或加工厚罐形磁铁。
温度范围:最大 150 °C。装配:磁铁可通过压配,螺纹紧固或粘合进行安装。图纸提示:
1) 附着面
特点:
RoHS
下载此处为收集信息的 PDF:

查找 CAD 数据?请直接在产品列表中查找。
 Datasheet 09067-11 磁铁,吸附面经过加工(厚罐形磁铁)材质为 NdFeB 370 kB

图纸

磁铁,吸附面经过加工(厚罐形磁铁)材质为 NdFeB

商品选择/筛选

订货号D

HH1H2吸力
N
附着力
对于 H2 最大
N
距铁壁距离
mm
CAD配件价格订购
09067-11-066201039121,5 根据要求
09067-11-0882010322291,5 根据要求
09067-11-1010208527382 根据要求
09067-11-1313206549662,5 根据要求
09067-11-16162026941083 根据要求
09067-11-202025571732354 根据要求
09067-11-252535782923805 根据要求
09067-11-3232404,5105296406 根据要求
我的 norelemE-Mail密码
购物车
商品数量: 0
总数: 0.00  
点击购物车
欢迎扫描二维码
咨询诺瑞朗官方客服微信
中国
苏ICP备20011289号-1  苏公网安备32058502011222 网页地图 打印 推荐 Top
Copyright © 2025 norelem. 保留所有权利。 电话 +49 71 45/206-44 至 45 · 传真 +49 71 45/206-83