|
|
|
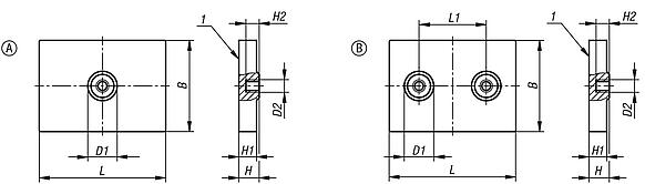
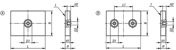
09112-10磁铁(带座磁铁) 带内螺纹,材质为 NdFeB,方形,带橡胶保护套 |
返回 |
|
|
产品说明材料:外壳为钢制。 磁芯材质为 NdFeB(钕)。 橡胶保护套 TPE。规格:外壳,镀锌。 橡胶保护套,黑色。提示:带内螺纹的带座磁铁,带遮盖保护。通过橡胶保护套保护敏感的表面。通过橡胶保护套,摩擦系数提高,从而获得了较高的侧面附着摩擦力。温度范围:最大 60 °C。装配:理想吸附在具有敏感表面的金属板上。图纸提示: 下载此处为收集信息的 PDF:
查找 CAD 数据?请直接在产品列表中查找。
|
| 订货号 | 类型 | B | D1 | D2 | H | H1 | H2 | L | L1 | 吸力 N | CAD | 配件 | 价格 | 订购 |
|---|
| 09112-10-14331 | A | 31 | 10 | M4 | 6,9 | 6 | 4,5 | 43 | - | 105 |  | | 根据要求 | | | 09112-10-24331 | B | 31 | 10 | M4 | 6,9 | 6 | 4,5 | 43 | 25 | 146 |  | | 根据要求 | |
|
|