norelem 使用 Cookies 以优化设计和持续改进网页。您通过继续使用网页,同意使用 Cookies。在我们的
数据保护声明
中可以找到有关 Cookies 主题的详细信息。
同意
全球分布
创意
AGB
版权说明
数据保护
产品
企业信息
服务
下载
新闻
联系方式
产品概览
固定
灵活的标准件系统
装配
装配系统
运动
用于机床和设备制造的系统/组件
检查
量具检具组件
夹紧
夹紧技术
控制和调节
电动机构
输送
输送和移动技术
technoshop
norelem inch
英制产品目录
09114
磁铁(带座磁铁),带螺柱,材质为 NdFeB,带橡胶保护套
返回
产品
产品概览
灵活的标准件系统
磁铁
磁铁(带座磁铁),带螺柱,材质为 NdFeB,带橡胶保护套
商品描述/产品说明
产品说明
材料:
外壳为钢制。
磁芯材质为 NdFeB(钕)。
橡胶保护套,合成橡胶。
规格:
外壳,镀锌。
橡胶保护套,黑色。
提示:
带螺纹轴套的带座磁铁,带遮盖保护。通过橡胶保护套保护敏感的表面。通过橡胶保护套,摩擦系数提高,从而获得了较高的侧面附着摩擦力。
温度范围:
最大 60 °C。
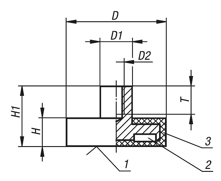
图纸提示:
1) 附着面
2) 磁铁
3) 橡胶
下载
此处为收集信息的 PDF:
查找 CAD 数据?请直接在产品列表中查找。
Datasheet 09114 磁铁(带座磁铁),带螺柱,材质为 NdFeB,带橡胶保护套
144 kB
图纸
商品选择/筛选
订货号
D
D1
D2
H
H1
T
吸力
N
CAD
配件
价格
订购
09114-01
12
8
M4
7
14,8
6
10
根据要求
09114-07
18
8
M4
6
11,5
6
37
根据要求
09114-02
22
8
M4
6
11,5
6
50
根据要求
09114-03
31
8
M4
6
11,5
5
75
根据要求
09114-04
43
8
M4
6
10,5
5
85
根据要求
09114-05
66
10
M5
8,2
15
8
180
根据要求
09114-06
88
12
M8
8,2
17
11
420
根据要求
本类目的其他商品
<<
|
<
|
1-10
|
11-20
|
21-30
|
31-40
|
41-47
|
>
|
>>
09000
原磁铁(磁铁片)
材质为 NdFeB
09001
原磁铁(磁铁片)
带沉孔,材质为 NdFeB
09002
原磁铁(磁铁块)
材质为 NdFeB
09003
原磁铁(磁铁棒)
材质为 AlNiCo
09060
细距永磁夹紧块
09060
罐形磁铁,材质为
AlNiCo,具有配合公差
09061
罐形磁铁,材质为
AlNiCo,无配合公差
09063
罐形磁铁,材质为
AlNiCo,带轴销
09064
磁铁(带座磁铁),材质为永磁铁氧体
09065
磁铁(带座磁铁),带螺纹,材质为永磁铁氧体
<<
|
<
|
1-10
|
11-20
|
21-30
|
31-40
|
41-47
|
>
|
>>
我的 norelem
E-Mail
密码
忘记密码
首次登陆
购物车
商品数量:
0
总数:
0.00
€
点击购物车
欢迎扫描二维码
咨询诺瑞朗官方客服微信
Algérie
Andorra
Argentina
Australia
België
Bolivia
Bosna i Hercegovina
Brasil
Canada
Česká republika
Chile
中国
Colombia
Costa Rica
Cuba
Danmark
Dem. Peop. Rep. of Korea
Deutschland
Ecuador
Eesti
España
Georgia
香港
Hrvatska
India
Ireland
Ísland
Italia
Jamaica
日本
Latvija
Liechtenstein
Lietuvos
Luxemburg
Magyarország
Malaysia
Malta
México
Nederland
New Zealand
Norge
Österreich
Pakistan
Paraguay
Perú
Polska
Portugal
Principauté de Monaco
台灣
Rep. di San Marino
대한민국
România
Schweiz
Singapore
Slovenija
Slovensko
South Africa
Suomi
Sverige
Türkiye
United Kingdom
United States of America
Uruguay
Venezuela
Việt Nam
Ελλάδα
Κύπρος
Беларусь
България
Република Србија
Россия
Србија и Црна Гора
Україна
ישראל
الامارات العربية المتحدة
السعودية
ايران
مصر
ประเทศไทย
Chinese
English
苏ICP备20011289号-1
苏公网安备32058502011222
网页地图
打印
推荐
Top
Copyright © 2025 norelem. 保留所有权利。
电话 +49 71 45/206-44 至 45 · 传真 +49 71 45/206-83