norelem 使用 Cookies 以优化设计和持续改进网页。您通过继续使用网页,同意使用 Cookies。在我们的数据保护声明中可以找到有关 Cookies 主题的详细信息。同意

商品描述/产品说明

查看/筛选所有商品
产品说明材料:铝制。规格:亮色。提示:夹紧杆用于夹紧带滚珠丝杠的推杆。夹紧杆可以侧向插入推杆的轮廓槽中。装配:建议的夹紧杆数量:
A 型:每侧每米 6 件。
B 型:每侧每米 3 件。
C 型:每侧每米 3 件。
特点:
RoHS
下载此处为收集信息的 PDF:

查找 CAD 数据?请直接在产品列表中查找。
 Datasheet 20331-20 夹紧杆 用于带滚珠丝杠的直线轴 197 kB

图片(总概述)

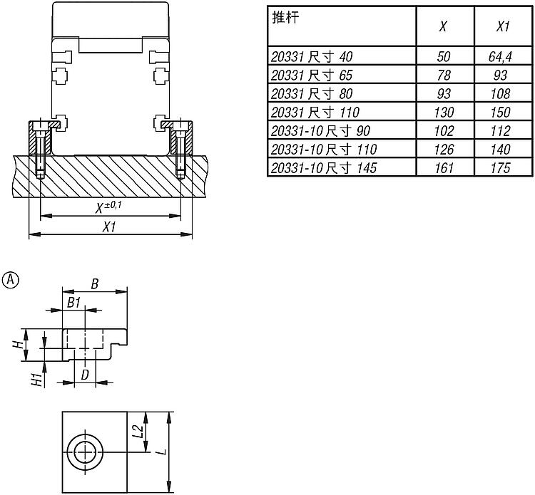
夹紧杆 用于带滚珠丝杠的直线轴

夹紧杆,用于带滚珠丝杠的直线轴,A 型,短型

更多信息

图纸

夹紧杆,用于带滚珠丝杠的直线轴,A 型,短型

商品选择/筛选

订货号类型形状类型B

B1D
适用螺母
DIN 912
HH1LL2适用

CAD配件价格订购
20331-20-102504A短款155M494,52512,520331-10 Größe 90 根据要求
20331-20-102506A短款207M6103,42512,520331-10 Größe 110/145 根据要求

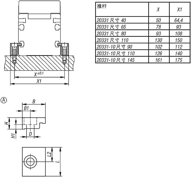
夹紧杆,用于带滚珠丝杠的直线轴,B 型,标准

更多信息

图纸

夹紧杆,用于带滚珠丝杠的直线轴,B 型,标准

商品选择/筛选

订货号类型形状类型B

B1D
适用螺母
DIN 912
HH1LL1L2适用

CAD配件价格订购
20331-20-205505B标准157,2M582,555407,520331 Größe 40 根据要求
20331-20-206006B标准207,5M62011,560401020331 Größe 65/80 根据要求
20331-20-206008B标准3010M8271860401020331 Größe 110 根据要求
20331-20-206204B标准155M494,562401120331-10 Größe 90 根据要求
20331-20-206206B标准207M6103,462401120331-10 Größe 110/145 根据要求

夹紧杆,用于带滚珠丝杠的直线轴,C 型,长型

更多信息

图纸

夹紧杆,用于带滚珠丝杠的直线轴,C 型,长型

商品选择/筛选

订货号类型形状类型B

B1D
适用螺母
DIN 912
HH1LL1L2适用

CAD配件价格订购
20331-20-307704C长款155M494,577208,520331-10 Größe 90 根据要求
20331-20-308704C长款155M494,58725620331-10 Größe 90 根据要求
20331-20-310704C长款155M494,5107308,520331-10 Größe 90 根据要求
20331-20-307705C长款207M5104,577208,520331-10 Größe 110/145 根据要求
20331-20-310705C长款207M5104,5107308,520331-10 Größe 110/145 根据要求
20331-20-314206C长款207M6103,4142401120331-10 Größe 110/145 根据要求
我的 norelemE-Mail密码
购物车
商品数量: 0
总数: 0.00  
点击购物车
欢迎扫描二维码
咨询诺瑞朗官方客服微信
中国
苏ICP备20011289号-1  苏公网安备32058502011222 网页地图 打印 推荐 Top
Copyright © 2025 norelem. 保留所有权利。 电话 +49 71 45/206-44 至 45 · 传真 +49 71 45/206-83