norelem 使用 Cookies 以优化设计和持续改进网页。您通过继续使用网页,同意使用 Cookies。在我们的数据保护声明中可以找到有关 Cookies 主题的详细信息。同意

商品描述/产品说明

产品说明材料:高强度铝制壳体。
钢制止动系统。
规格:经阳极氧化处理的壳体。
经硬化和发蓝处理的止动系统。
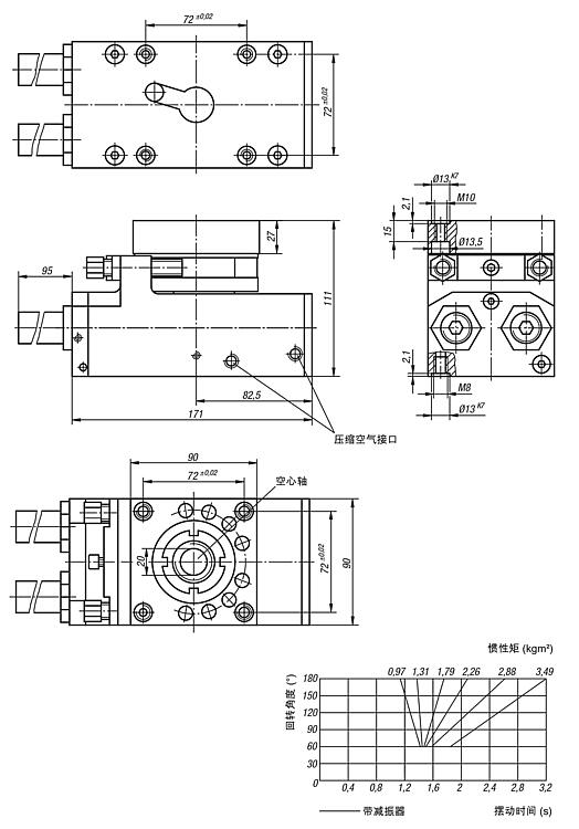
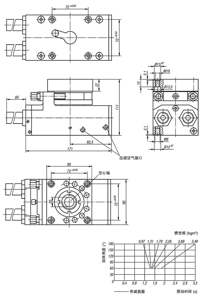
提示:带双作用驱动气缸的免维护气动转台。通过二位四通或二位五通换向阀控制。通过压缩空气 4-8 bar,连续,已过滤(10µm),干燥,已加油或未加油进行驱动。压缩空气接头 R1/8。
相同结构尺寸的模块无需适配板即可通过精确定心系统借助定心环 20240 互相组合。

旋转角度 0° - 190° 可以无级调节。

重复精度:±0.01°。

供货包含减振器。
附件:83000-15 接近开关。
80150 连接器。
特点:
RoHS
下载此处为收集信息的 PDF:

查找 CAD 数据?请直接在产品列表中查找。
 Datasheet 20064 气动转台,带空心轴 331 kB
 20060 气动转台 使用说明 277 kB

图纸

气动转台,带空心轴

商品选择/筛选

订货号尺寸驱动扭矩
Nm
最大倾斜力矩
Nm
回转角度轴向负载
N
径向负载
N
气缸 Ø耗气量
每次往返动作
气压6bar(ccm)
CAD配件价格订购
20064-0199121100° - 190°180024002 x 32161  根据要求
订货号

尺寸适用接近开关适用连接器CAD配件价格订购
20064-019983000-15-03080150-010X2000  根据要求
我的 norelemE-Mail密码
购物车
商品数量: 0
总数: 0.00  
点击购物车
欢迎扫描二维码
咨询诺瑞朗官方客服微信
中国
苏ICP备20011289号-1  苏公网安备32058502011222 网页地图 打印 推荐 Top
Copyright © 2025 norelem. 保留所有权利。 电话 +49 71 45/206-44 至 45 · 传真 +49 71 45/206-83