|
|
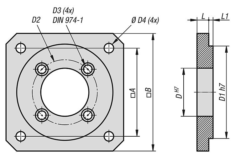
产品说明材料:铝制。规格:黑色阳极氧化提示:安装行星齿轮传动机构时需要转接板。转接板安装在行星齿轮传动机构和电机加装组件之间。特点: 下载此处为收集信息的 PDF:
查找 CAD 数据?请直接在产品列表中查找。
|
| 订货号 | 尺寸 | A | B | D
| D1 | D2 | D3 | D4 | L | L1 | CAD | 配件 | 价格 | 订购 |
|---|
| 20321-604710 | 60 | 47,14 | 60 | 25 | 38,1 | 33 | 4 | 4,5 | 8 | 1,6 |  | | 根据要求 | | | 20321-806960 | 80 | 69,6 | 90 | 40 | 73 | 52 | 5 | 6,6 | 8 | 1,6 |  | | 根据要求 | |
|
|