|
|
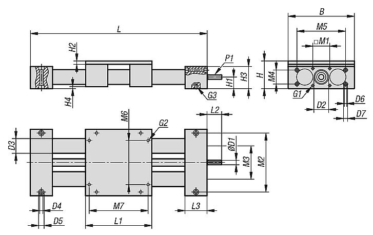
产品说明材料:铝制外壳。 不锈钢精密管。 钢制梯形丝杆。提示:双管推杆可手动或电控驱动。此推杆由于接通时间短,因此每天可多次低速工作,可高稳定性调整。宽度、长度和高度均可调整。 推杆的梯形丝杠带有滚珠轴承或滑动轴承。双管推杆的滑槽带有一根滑动导轨。
技术参数:接通时长:S3,30% (为 60 分钟时)
温度范围:温度范围 0° C 至 +60° C根据要求:其他长度。 内置主轴夹具。 下载此处为收集信息的 PDF:
查找 CAD 数据?请直接在产品列表中查找。
|
| 订货号 | 类型 1 | 类型 2 | EP/EPX类 | 行程 S | B | D1 | D2 | D3 | D4 | D5 | D6 | D7 | G1 | G2 | G3 | H | H1 | H2 | H3 | H4 | L | L1 | L2 | L3 | M1 | M2 | M3 | M4 | M5 | M6 | M7 | P1 | CAD | 配件 | 价格 | 订购 |
|---|
| 21250-01-030X500 | 滑动轴承 | 右旋螺纹 | 30 | 270 | 130 | 8 | 30H8 | 30 | 7 | 11 | - | - | M6 | M6 | M6 | 64 | 27 | 10 | 52 | 2 | 500 | 130 | 26 | 50 | 40x30 | 114,5 | 70 | - | - | 80 | 114 | 2x2x20 |  | | 根据要求 | | | 21250-01-030X800 | 滑动轴承 | 右旋螺纹 | 30 | 570 | 130 | 8 | 30H8 | 30 | 7 | 11 | - | - | M6 | M6 | M6 | 64 | 27 | 10 | 52 | 2 | 800 | 130 | 26 | 50 | 40x30 | 114,5 | 70 | - | - | 80 | 114 | 2x2x20 |  | | 根据要求 | | | 21250-01-130X500 | 带滚珠轴承 | 右旋螺纹 | 30 | 270 | 130 | 8 | 30H8 | 30 | 7 | 11 | - | - | M6 | M6 | M6 | 64 | 27 | 10 | 52 | 2 | 500 | 130 | 26 | 50 | 40x30 | 114,5 | 70 | - | - | 80 | 114 | 2x2x20 |  | | 根据要求 | | | 21250-01-130X800 | 带滚珠轴承 | 右旋螺纹 | 30 | 570 | 130 | 8 | 30H8 | 30 | 7 | 11 | - | - | M6 | M6 | M6 | 64 | 27 | 10 | 52 | 2 | 800 | 130 | 26 | 50 | 40x30 | 114,5 | 70 | - | - | 80 | 114 | 2x2x20 |  | | 根据要求 | | | 21250-01-040X500 | 滑动轴承 | 右旋螺纹 | 40 | 200 | 180 | 12 | 40H8 | 40 | 9 | 15 | 6,5 | 11 | M8 | M8 | M8 | 75 | 31,5 | 12 | 60 | 3 | 500 | 180 | 38 | 60 | 46 | 160 | 90 | 38 | 132 | 120 | 160 | 4x4x32 |  | | 根据要求 | | | 21250-01-040X800 | 滑动轴承 | 右旋螺纹 | 40 | 500 | 180 | 12 | 40H8 | 40 | 9 | 15 | 6,5 | 11 | M8 | M8 | M8 | 75 | 31,5 | 12 | 60 | 3 | 800 | 180 | 38 | 60 | 46 | 160 | 90 | 38 | 132 | 120 | 160 | 4x4x32 |  | | 根据要求 | | | 21250-01-040X1000 | 滑动轴承 | 右旋螺纹 | 40 | 700 | 180 | 12 | 40H8 | 40 | 9 | 15 | 6,5 | 11 | M8 | M8 | M8 | 75 | 31,5 | 12 | 60 | 3 | 1000 | 180 | 38 | 60 | 46 | 160 | 90 | 38 | 132 | 120 | 160 | 4x4x32 |  | | 根据要求 | | | 21250-01-140X500 | 带滚珠轴承 | 右旋螺纹 | 40 | 200 | 180 | 12 | 40H8 | 40 | 9 | 15 | 6,5 | 11 | M8 | M8 | M8 | 75 | 31,5 | 12 | 60 | 3 | 500 | 180 | 38 | 60 | 46 | 160 | 90 | 38 | 132 | 120 | 160 | 4x4x32 |  | | 根据要求 | | | 21250-01-140X800 | 带滚珠轴承 | 右旋螺纹 | 40 | 500 | 180 | 12 | 40H8 | 40 | 9 | 15 | 6,5 | 11 | M8 | M8 | M8 | 75 | 31,5 | 12 | 60 | 3 | 800 | 180 | 38 | 60 | 46 | 160 | 90 | 38 | 132 | 120 | 160 | 4x4x32 |  | | 根据要求 | | | 21250-01-140X1000 | 带滚珠轴承 | 右旋螺纹 | 40 | 700 | 180 | 12 | 40H8 | 40 | 9 | 15 | 6,5 | 11 | M8 | M8 | M8 | 75 | 31,5 | 12 | 60 | 3 | 1000 | 180 | 38 | 60 | 46 | 160 | 90 | 38 | 132 | 120 | 160 | 4x4x32 |  | | 根据要求 | |
|
|