norelem 使用 Cookies 以优化设计和持续改进网页。您通过继续使用网页,同意使用 Cookies。在我们的数据保护声明中可以找到有关 Cookies 主题的详细信息。同意

商品描述/产品说明

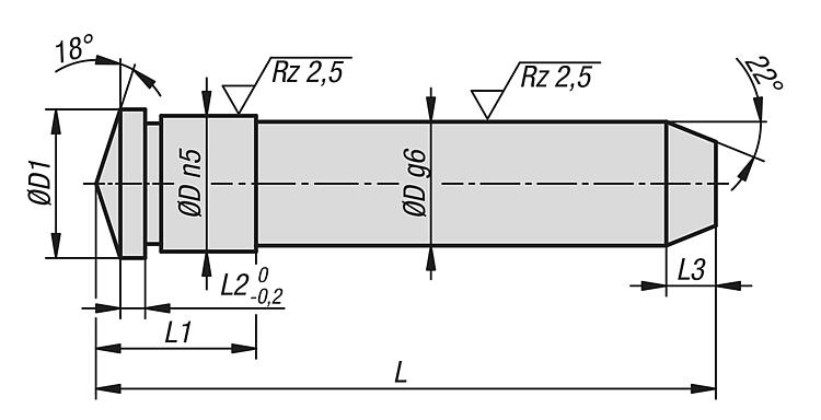
产品说明材料:渗碳钢制倾斜柱 1.7139。规格:经渗碳硬化处理。提示:带有锥形轴环的钢制倾斜柱是工具和模具制造中精确导向任务的理想解决方案。这些柱子用于对工具、模具或部件进行可靠而精确的定位。

带有锥形轴环的倾斜柱能够准确一致地校准工具和模具。锥形轴环作为精密导向元件,可确保安全定位,并最大限度地减少加工过程中不必要的位移。

带有锥形轴环的倾斜柱在工具和模具制造中具有广泛应用。无论是机械加工、注塑成型还是其他制造工艺,其都用于固定工具、模具或部件,使其精确校准。
特点:
RoHS
下载此处为收集信息的 PDF:

查找 CAD 数据?请直接在产品列表中查找。
 Datasheet 21597-25 带锥形轴环的钢制倾斜柱 182 kB

图纸

带锥形轴环的钢制倾斜柱

商品选择/筛选

订货号D

D1LL1L2L3CAD配件价格订购
21597-25-1010010121001324 根据要求
21597-25-1012010121201324 根据要求
21597-25-100401012401324 根据要求
21597-25-100501012501324 根据要求
21597-25-100601012601324 根据要求
21597-25-100701012701324 根据要求
21597-25-100801012801324 根据要求
21597-25-100901012901324 根据要求
21597-25-120601215601735 根据要求
21597-25-120701215701735 根据要求
21597-25-120801215801735 根据要求
21597-25-120901215901735 根据要求
21597-25-1210012151001735 根据要求
21597-25-1211012151101735 根据要求
21597-25-1212012151201735 根据要求
21597-25-1214012151401735 根据要求
21597-25-1216012151601735 根据要求
21597-25-140601417601735 根据要求
21597-25-140701417701735 根据要求
21597-25-140801417801735 根据要求
21597-25-140901417901735 根据要求
21597-25-1410014171001735 根据要求
21597-25-1411014171101735 根据要求
21597-25-1412014171201735 根据要求
21597-25-1414014171401735 根据要求
21597-25-1416014171601735 根据要求
21597-25-160601619602235 根据要求
21597-25-160701619702235 根据要求
21597-25-160801619802235 根据要求
21597-25-160901619902235 根据要求
21597-25-1610016191002235 根据要求
21597-25-1611016191102235 根据要求
21597-25-1612016191202235 根据要求
21597-25-1614016191402235 根据要求
21597-25-1616016191602235 根据要求
21597-25-1618016191802235 根据要求
21597-25-1620016192002235 根据要求
21597-25-180601821602237 根据要求
21597-25-180701821702237 根据要求
21597-25-180801821802237 根据要求
21597-25-180901821902237 根据要求
21597-25-1810018211002237 根据要求
21597-25-1811018211102237 根据要求
21597-25-1812018211202237 根据要求
21597-25-1814018211402237 根据要求
21597-25-1816018211602237 根据要求
21597-25-1818018211802237 根据要求
21597-25-1820018212002237 根据要求
21597-25-1822018212202237 根据要求
21597-25-1824018212402237 根据要求
21597-25-200802023802247 根据要求
21597-25-200902023902247 根据要求
21597-25-2010020231002247 根据要求
21597-25-2011020231102247 根据要求
21597-25-2012020231202247 根据要求
21597-25-2014020231402247 根据要求
21597-25-2016020231602247 根据要求
21597-25-2018020231802247 根据要求
21597-25-2020020232002247 根据要求
21597-25-2022020232202247 根据要求
21597-25-2024020232402247 根据要求
21597-25-220602225602747 根据要求
21597-25-220802225802747 根据要求
21597-25-2210022251002747 根据要求
21597-25-2212022251202747 根据要求
21597-25-2214022251402747 根据要求
21597-25-2216022251602747 根据要求
21597-25-2218022251802747 根据要求
21597-25-2220022252002747 根据要求
21597-25-2222022252202747 根据要求
21597-25-2224022252402747 根据要求
21597-25-240802427802747 根据要求
21597-25-2410024271002747 根据要求
21597-25-2412024271202747 根据要求
21597-25-2414024271402747 根据要求
21597-25-2416024271602747 根据要求
21597-25-2418024271802747 根据要求
21597-25-2420024272002747 根据要求
21597-25-2422024272202747 根据要求
21597-25-2424024272402747 根据要求
21597-25-2428024272802747 根据要求
21597-25-3010030351003657 根据要求
21597-25-3012030351203657 根据要求
21597-25-3014030351403657 根据要求
21597-25-3016030351603657 根据要求
21597-25-3018030351803657 根据要求
21597-25-3020030352003657 根据要求
21597-25-3022030352203657 根据要求
21597-25-3024030352403657 根据要求
21597-25-3028030352803657 根据要求
21597-25-3032030353203657 根据要求
21597-25-3036030353603657 根据要求
我的 norelemE-Mail密码
购物车
商品数量: 0
总数: 0.00  
点击购物车
欢迎扫描二维码
咨询诺瑞朗官方客服微信
中国
苏ICP备20011289号-1  苏公网安备32058502011222 网页地图 打印 推荐 Top
Copyright © 2025 norelem. 保留所有权利。 电话 +49 71 45/206-44 至 45 · 传真 +49 71 45/206-83