|
|
|
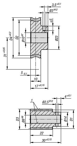
22500蜗杆蜗轮组套件,右旋,轴距 31 毫米 |
返回 |
|
|
产品说明材料:蜗杆,钢制。 蜗轮 CuZn37Mn3Al2PbSi-S40。规格:右旋蜗杆, HV 620 – 700 定型的, 侧边及钻孔经过打磨处理。订购须知:蜗轮/蜗杆仅可以在使用同一轴距及同一传动比的情况下蜗杆蜗杆蜗轮组套件结合。提示:蜗轮组件由蜗杆和蜗轮组成。适用于生产轴角 90° 的蜗杆传动装置。借助蜗轮蜗杆减速机,只需一个阶段即可实现较大传动比的降速。
齿形的侧面形状为 K。啮合角为 15°。蜗轮组件已预先钻孔。
规定的输出扭矩 T2 是蜗轮允许的输出扭矩。适用于蜗杆输入转速为 2800 rpm 的情况。
蜗轮组 22500-351002 / 22500-352002 仅提供抛光(平滑)蜗杆轮廓、压力角 20° 和带螺旋齿轮的轮子。
图纸提示:特点: 下载此处为收集信息的 PDF:
查找 CAD 数据?请直接在产品列表中查找。
|
| 订货号 | 图 | 名称 | 传动比 | 螺旋角 | 模数 | Z1 | D1 | D3 | Z2 | D2 | D4 | 驱动扭矩 T2 (Nm) 矿物油 | 驱动扭矩 T2 (Nm) 矿物油 | 驱动扭矩 T2 (Nm) 合成油 | CAD | 配件 | 价格 | 订购 |
|---|
| 22500-311002 |  | 蜗杆 | - | 45° 15 | 1,25 | 10 | 17,6 | 20,1 | - | - | - | 4,4 | 5,3 | 6,6 |  | | 根据要求 | | | 22500-312002 |  | 蜗轮 | 2,5:1 | 45° 15 | 1,25 | - | - | - | 25 | 44,4 | 46,9 | 4,4 | 5,3 | 6,6 |  | | 根据要求 | | | 22500-311003 |  | 蜗杆 | - | 35° 10 | 1,15 | 10 | 19,97 | 22,27 | - | - | - | 4,5 | 5,4 | 6,7 |  | | 根据要求 | | | 22500-312003 |  | 蜗轮 | 3:1 | 35° 10 | 1,15 | - | - | - | 30 | 42,03 | 44,5 | 4,5 | 5,4 | 6,7 |  | | 根据要求 | | | 22500-311004 |  | 蜗杆 | - | 25° 24 | 1,25 | 7 | 20,4 | 22,9 | - | - | - | 9 | 10,8 | 13,5 |  | | 根据要求 | | | 22500-312004 |  | 蜗轮 | 4,28:1 | 25° 24 | 1,25 | - | - | - | 30 | 41,6 | 45 | 9 | 10,8 | 13,5 |  | | 根据要求 | | | 22500-311005 |  | 蜗杆 | - | 23° 46 | 1,3 | 6 | 19,35 | 21,95 | - | - | - | 9,5 | 11,4 | 14,2 |  | | 根据要求 | | | 22500-312005 |  | 蜗轮 | 5:1 | 23° 46 | 1,3 | - | - | - | 30 | 42,65 | 46,5 | 9,5 | 11,4 | 14,2 |  | | 根据要求 | | | 22500-311006 |  | 蜗杆 | - | 18° 13 | 1,3 | 5 | 20,8 | 23,4 | - | - | - | 7,6 | 9,1 | 11,4 |  | | 根据要求 | | | 22500-312006 |  | 蜗轮 | 6:1 | 18° 13 | 1,3 | - | - | - | 30 | 41,2 | 45 | 7,6 | 9,1 | 11,4 |  | | 根据要求 | | | 22500-311007 |  | 蜗杆 | - | 20° 32 | 1,5 | 4 | 17,1 | 20,1 | - | - | - | 9,7 | 11,6 | 14,5 |  | | 根据要求 | | | 22500-312007 |  | 蜗轮 | 7:1 | 20° 32 | 1,5 | - | - | - | 28 | 44,9 | 48,8 | 9,7 | 11,6 | 14,5 |  | | 根据要求 | | | 22500-311008 |  | 蜗杆 | - | 19° 49 | 1,75 | 3 | 15,5 | 19 | - | - | - | 10 | 12 | 15 |  | | 根据要求 | | | 22500-312008 |  | 蜗轮 | 8,33:1 | 19° 49 | 1,75 | - | - | - | 25 | 46,5 | 51 | 10 | 12 | 15 |  | | 根据要求 | | | 22500-311010 |  | 蜗杆 | - | 12° 50 | 1,4 | 3 | 18,9 | 21,7 | - | - | - | 9,5 | 11,4 | 14,2 |  | | 根据要求 | | | 22500-312010 |  | 蜗轮 | 10:1 | 12° 50 | 1,4 | - | - | - | 30 | 43,1 | 47 | 9,5 | 11,4 | 14,2 |  | | 根据要求 | | | 22500-311012 |  | 蜗杆 | - | 13° 55 | 1,25 | 3 | 15,6 | 18,1 | - | - | - | 12,1 | 14,5 | 18,1 |  | | 根据要求 | | | 22500-312012 |  | 蜗轮 | 12:1 | 13° 55 | 1,25 | - | - | - | 36 | 46,4 | 50 | 12,1 | 14,5 | 18,1 |  | | 根据要求 | | | 22500-311015 |  | 蜗杆 | - | 10° 40 | 1,5 | 2 | 16,2 | 19,2 | - | - | - | 10,7 | 12,8 | 16 |  | | 根据要求 | | | 22500-312015 |  | 蜗轮 | 15:1 | 10° 40 | 1,5 | - | - | - | 30 | 45,8 | 50 | 10,7 | 12,8 | 16 |  | | 根据要求 | | | 22500-311018 |  | 蜗杆 | - | 8° 44 | 1,25 | 2 | 16,46 | 18,96 | - | - | - | 10,3 | 12,4 | 15,4 |  | | 根据要求 | | | 22500-312018 |  | 蜗轮 | 18:1 | 8° 44 | 1,25 | - | - | - | 36 | 45,54 | 48,8 | 10,3 | 12,4 | 15,4 |  | | 根据要求 | | | 22500-311020 |  | 蜗杆 | - | 7° 49 | 0,75 | 3 | 16,54 | 18,04 | - | - | - | 8,3 | 10 | 12,4 |  | | 根据要求 | | | 22500-312020 |  | 蜗轮 | 20:1 | 7° 49 | 0,75 | - | - | - | 60 | 45,46 | 48 | 8,3 | 10 | 12,4 |  | | 根据要求 | | | 22500-311022 |  | 蜗杆 | - | 6° 29 | 1 | 2 | 17,7 | 19,7 | - | - | - | 9,6 | 11,5 | 14,4 |  | | 根据要求 | | | 22500-312022 |  | 蜗轮 | 22:1 | 6° 29 | 1 | - | - | - | 44 | 44,3 | 48 | 9,6 | 11,5 | 14,4 |  | | 根据要求 | | | 22500-311023 |  | 蜗杆 | - | 7° 29 | 2 | 1 | 15,35 | 19,35 | - | - | - | 10,5 | 12,6 | 15,7 |  | | 根据要求 | | | 22500-312023 |  | 蜗轮 | 23:1 | 7° 29 | 2 | - | - | - | 23 | 46,65 | 52 | 10,5 | 12,6 | 15,7 |  | | 根据要求 | | | 22500-311024 |  | 蜗杆 | - | 5° 4 | 1,75 | 1 | 19,8 | 23,3 | - | - | - | 9,2 | 11 | 13,8 |  | | 根据要求 | | | 22500-312024 |  | 蜗轮 | 24:1 | 5° 4 | 1,75 | - | - | - | 24 | 42,2 | 47 | 9,2 | 11 | 13,8 |  | | 根据要求 | | | 22500-311025 |  | 蜗杆 | - | 5° 35 | 1,75 | 1 | 18 | 21,5 | - | - | - | 9,6 | 11,5 | 14,4 |  | | 根据要求 | | | 22500-312025 |  | 蜗轮 | 25:1 | 5° 35 | 1,75 | - | - | - | 25 | 44 | 48,5 | 9,6 | 11,5 | 14,4 |  | | 根据要求 | | | 22500-311028 |  | 蜗杆 | - | 4° 20 | 1,5 | 1 | 19,85 | 22,85 | - | - | - | 9,1 | 10,9 | 13,6 |  | | 根据要求 | | | 22500-312028 |  | 蜗轮 | 28:1 | 4° 20 | 1,5 | - | - | - | 28 | 42,15 | 46,5 | 9,1 | 10,9 | 13,6 |  | | 根据要求 | | | 22500-311030 |  | 蜗杆 | - | 5° 7 | 1,5 | 1 | 16,8 | 19,8 | - | - | - | 10,3 | 12,4 | 15,4 |  | | 根据要求 | | | 22500-312030 |  | 蜗轮 | 30:1 | 5° 7 | 1,5 | - | - | - | 30 | 45,2 | 48,8 | 10,3 | 12,4 | 15,4 |  | | 根据要求 | | | 22500-311032 |  | 蜗杆 | - | 4° 45 | 1,4 | 1 | 16,9 | 19,7 | - | - | - | 10,2 | 12,2 | 15,3 |  | | 根据要求 | | | 22500-312032 |  | 蜗轮 | 32:1 | 4° 45 | 1,4 | - | - | - | 32 | 45,1 | 48,8 | 10,2 | 12,2 | 15,3 |  | | 根据要求 | | | 22500-311038 |  | 蜗杆 | - | 5° 1 | 1,25 | 1 | 14,3 | 16,8 | - | - | - | 11,4 | 13,7 | 17,1 |  | | 根据要求 | | | 22500-312038 |  | 蜗轮 | 38:1 | 5° 1 | 1,25 | - | - | - | 38 | 47,7 | 51,2 | 11,4 | 13,7 | 17,1 |  | | 根据要求 | | | 22500-311045 |  | 蜗杆 | - | 3° 23 | 1 | 1 | 16,93 | 18,93 | - | - | - | 9,5 | 11,4 | 14,2 |  | | 根据要求 | | | 22500-312045 |  | 蜗轮 | 45:1 | 3° 23 | 1 | - | - | - | 45 | 45,07 | 48 | 9,5 | 11,4 | 14,2 |  | | 根据要求 | | | 22500-311050 |  | 蜗杆 | - | 3° 3 | 0,9 | 1 | 16,9 | 18,7 | - | - | - | 9 | 10,8 | 13,5 |  | | 根据要求 | | | 22500-312050 |  | 蜗轮 | 50:1 | 3° 3 | 0,9 | - | - | - | 50 | 45,1 | 48 | 9 | 10,8 | 13,5 |  | | 根据要求 | | | 22500-311055 |  | 蜗杆 | - | 4° 12 | 0,9 | 1 | 12,3 | 14,1 | - | - | - | 10,4 | 12,5 | 15,6 |  | | 根据要求 | | | 22500-312055 |  | 蜗轮 | 55:1 | 4° 12 | 0,9 | - | - | - | 55 | 49,7 | 52 | 10,4 | 12,5 | 15,6 |  | | 根据要求 | | | 22500-311060 |  | 蜗杆 | - | 2° 33 | 0,75 | 1 | 16,9 | 18,4 | - | - | - | 8,2 | 9,8 | 12,3 |  | | 根据要求 | | | 22500-312060 |  | 蜗轮 | 60:1 | 2° 33 | 0,75 | - | - | - | 60 | 45,1 | 48 | 8,2 | 9,8 | 12,3 |  | | 根据要求 | | | 22500-311070 |  | 蜗杆 | - | 3° 7 | 0,7 | 1 | 12,9 | 14,3 | - | - | - | 9 | 10,8 | 13,5 |  | | 根据要求 | | | 22500-312070 |  | 蜗轮 | 70:1 | 3° 7 | 0,7 | - | - | - | 70 | 49,1 | 52 | 9 | 10,8 | 13,5 |  | | 根据要求 | | | 22500-311075 |  | 蜗杆 | - | 2° 2 | 0,6 | 1 | 16,9 | 18,1 | - | - | - | 7,3 | 8,8 | 10,9 |  | | 根据要求 | | | 22500-312075 |  | 蜗轮 | 75:1 | 2° 2 | 0,6 | - | - | - | 75 | 45,1 | 47 | 7,3 | 8,8 | 10,9 |  | | 根据要求 | | | 22500-311090 |  | 蜗杆 | - | 1° 41 | 0,5 | 1 | 17 | 18 | - | - | - | 6,4 | 7,7 | 9,6 |  | | 根据要求 | | | 22500-312090 |  | 蜗轮 | 90:1 | 1° 41 | 0,5 | - | - | - | 90 | 45 | 48 | 6,4 | 7,7 | 9,6 |  | | 根据要求 | | | 22500-311100 |  | 蜗杆 | - | 2° 24 | 0,5 | 1 | 11,96 | 12,96 | - | - | - | 7,4 | 8,9 | 11,1 |  | | 根据要求 | | | 22500-312100 |  | 蜗轮 | 100:1 | 2° 24 | 0,5 | - | - | - | 100 | 50,04 | 52,7 | 7,4 | 8,9 | 11,1 |  | | 根据要求 | |
|
|