norelem 使用 Cookies 以优化设计和持续改进网页。您通过继续使用网页,同意使用 Cookies。在我们的数据保护声明中可以找到有关 Cookies 主题的详细信息。同意
单排链轮 1/2" x 5/16" DIN ISO 606,可直接安装
22250

单排链轮 1/2" x 5/16" DIN ISO 606,可直接安装

返回

商品描述/产品说明

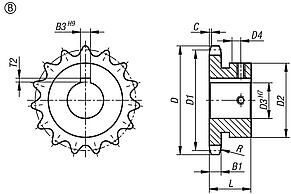
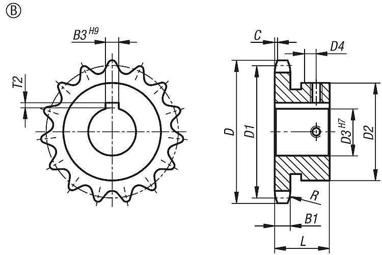
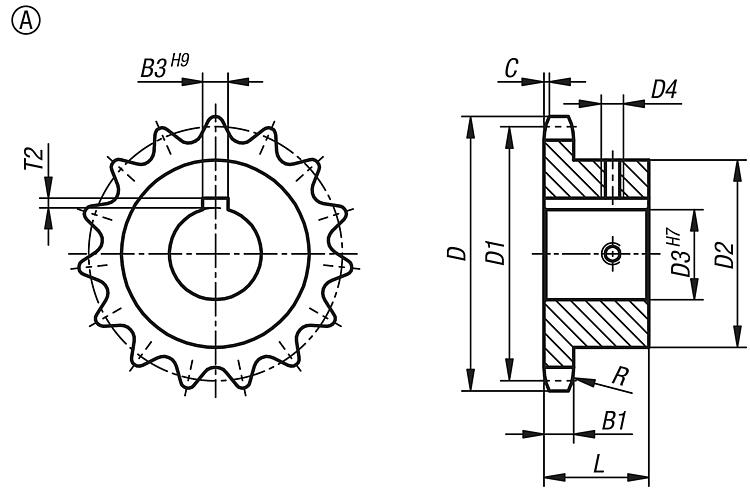
产品说明材料:钢制 C45。规格:亮色。
轮齿感应硬化 ~HRC 50。
提示:可直接安装的滚子链条链轮,带单侧轮毂,符合 DIN ISO 606。轮齿已铣削并感应硬化。
凹槽符合 DIN 6885 / BS 4235。凹槽对准齿尖。
带两个螺纹销,将一个螺纹对准凹槽中心,并偏转 90° 放置。
特点:
RoHS
下载此处为收集信息的 PDF:

查找 CAD 数据?请直接在产品列表中查找。
 Datasheet 22250 单排链轮 1/2" x 5/16" DIN ISO 606,可直接安装 368 kB

图片(总概述)

单排链轮 1/2" x 5/16" DIN ISO 606,可直接安装

链轮,单 1/2“ x 5/16“
DIN ISO 606,安装就绪,A 型

更多信息

图纸

链轮,单 1/2“ x 5/16“ DIN ISO 606,安装就绪,A 型

商品选择/筛选

订货号

类型

ISO 编号节距
英寸
节距
mm
齿数

D

D1D2D3D4B1B3LCRT2CAD配件价格订购
22250-1012051601012A08 B-11/2 x 5/1612,7 x 7,751045,941,12612M47,24251,3131,8 根据要求
22250-1012051601014A08 B-11/2 x 5/1612,7 x 7,751045,941,12614M47,25251,3132,3 根据要求
22250-1012051601112A08 B-11/2 x 5/1612,7 x 7,751149,945,072912M47,24251,3131,8 根据要求
22250-1012051601114A08 B-11/2 x 5/1612,7 x 7,751149,945,072914M47,25251,3132,3 根据要求
22250-1012051601214A08 B-11/2 x 5/1612,7 x 7,751253,949,073314M47,25281,3132,3 根据要求
22250-1012051601212A08 B-11/2 x 5/1612,7 x 7,751253,949,073312M47,24281,3131,8 根据要求
22250-1012051601215A08 B-11/2 x 5/1612,7 x 7,751253,949,073315M47,25281,3132,3 根据要求
22250-1012051601220A08 B-11/2 x 5/1612,7 x 7,751253,949,073320M57,26281,3132,8 根据要求
22250-1012051601216A08 B-11/2 x 5/1612,7 x 7,751253,949,073316M47,25281,3132,3 根据要求
22250-1012051601218A08 B-11/2 x 5/1612,7 x 7,751253,949,073318M57,26281,3132,8 根据要求
22250-1012051601219A08 B-11/2 x 5/1612,7 x 7,751253,949,073319M57,26281,3132,8 根据要求
22250-1012051601312A08 B-11/2 x 5/1612,7 x 7,751357,956,063312M47,24281,3131,8 根据要求
22250-1012051601314A08 B-11/2 x 5/1612,7 x 7,751357,956,063314M47,25281,3132,3 根据要求
22250-1012051601316A08 B-11/2 x 5/1612,7 x 7,751357,956,063716M47,25281,3132,3 根据要求
22250-1012051601315A08 B-11/2 x 5/1612,7 x 7,751357,956,063715M47,25281,3132,3 根据要求
22250-1012051601318A08 B-11/2 x 5/1612,7 x 7,751357,956,063718M57,26281,3132,8 根据要求
22250-1012051601322A08 B-11/2 x 5/1612,7 x 7,751357,956,063722M57,26281,3132,8 根据要求
22250-1012051601319A08 B-11/2 x 5/1612,7 x 7,751357,956,063719M57,26281,3132,8 根据要求
22250-1012051601320A08 B-11/2 x 5/1612,7 x 7,751357,956,063720M57,26281,3132,8 根据要求
22250-1012051601412A08 B-11/2 x 5/1612,7 x 7,751461,957,073712M47,24281,3131,8 根据要求
22250-1012051601414A08 B-11/2 x 5/1612,7 x 7,751461,957,073714M47,25281,3132,3 根据要求
22250-1012051601416A08 B-11/2 x 5/1612,7 x 7,751461,957,074116M47,25281,3132,3 根据要求
22250-1012051601418A08 B-11/2 x 5/1612,7 x 7,751461,957,074118M57,26281,3132,8 根据要求
22250-1012051601415A08 B-11/2 x 5/1612,7 x 7,751461,957,074115M47,25281,3132,3 根据要求
22250-1012051601419A08 B-11/2 x 5/1612,7 x 7,751461,957,074119M57,26281,3132,8 根据要求
22250-1012051601425A08 B-11/2 x 5/1612,7 x 7,751461,957,074125M67,28281,3133,3 根据要求
22250-1012051601420A08 B-11/2 x 5/1612,7 x 7,751461,957,074120M57,26281,3132,8 根据要求
22250-1012051601422A08 B-11/2 x 5/1612,7 x 7,751461,957,074122M57,26281,3132,8 根据要求
22250-1012051601424A08 B-11/2 x 5/1612,7 x 7,751461,957,074124M67,28281,3133,3 根据要求
22250-1012051601512A08 B-11/2 x 5/1612,7 x 7,751565,961,093712M47,24281,3131,8 根据要求
22250-1012051601514A08 B-11/2 x 5/1612,7 x 7,751565,961,093714M47,25281,3132,3 根据要求
22250-1012051601515A08 B-11/2 x 5/1612,7 x 7,751565,961,094515M47,25281,3132,3 根据要求
22250-1012051601528A08 B-11/2 x 5/1612,7 x 7,751565,961,094528M67,28281,3133,3 根据要求
22250-1012051601516A08 B-11/2 x 5/1612,7 x 7,751565,961,094516M47,25281,3132,3 根据要求
22250-1012051601518A08 B-11/2 x 5/1612,7 x 7,751565,961,094518M57,26281,3132,8 根据要求
22250-1012051601519A08 B-11/2 x 5/1612,7 x 7,751565,961,094519M57,26281,3132,8 根据要求
22250-1012051601520A08 B-11/2 x 5/1612,7 x 7,751565,961,094520M57,26281,3132,8 根据要求
22250-1012051601522A08 B-11/2 x 5/1612,7 x 7,751565,961,094522M57,26281,3132,8 根据要求
22250-1012051601524A08 B-11/2 x 5/1612,7 x 7,751565,961,094524M67,28281,3133,3 根据要求
22250-1012051601525A08 B-11/2 x 5/1612,7 x 7,751565,961,094525M67,28281,3133,3 根据要求
22250-1012051601616A08 B-11/2 x 5/1612,7 x 7,751669,965,15016M47,25281,3132,3 根据要求
22250-1012051601618A08 B-11/2 x 5/1612,7 x 7,751669,965,15018M57,26281,3132,8 根据要求
22250-1012051601619A08 B-11/2 x 5/1612,7 x 7,751669,965,15019M57,26281,3132,8 根据要求
22250-1012051601615A08 B-11/2 x 5/1612,7 x 7,751669,965,15015M47,25281,3132,3 根据要求
22250-1012051601620A08 B-11/2 x 5/1612,7 x 7,751669,965,15020M57,26281,3132,8 根据要求
22250-1012051601630A08 B-11/2 x 5/1612,7 x 7,751669,965,15030M67,28281,3133,3 根据要求
22250-1012051601622A08 B-11/2 x 5/1612,7 x 7,751669,965,15022M57,26281,3132,8 根据要求
22250-1012051601624A08 B-11/2 x 5/1612,7 x 7,751669,965,15024M67,28281,3133,3 根据要求
22250-1012051601625A08 B-11/2 x 5/1612,7 x 7,751669,965,15025M67,28281,3133,3 根据要求
22250-1012051601628A08 B-11/2 x 5/1612,7 x 7,751669,965,15028M67,28281,3133,3 根据要求
22250-1012051601715A08 B-11/2 x 5/1612,7 x 7,75177469,115215M47,25281,3132,3 根据要求
22250-1012051601716A08 B-11/2 x 5/1612,7 x 7,75177469,115216M47,25281,3132,3 根据要求
22250-1012051601732A08 B-11/2 x 5/1612,7 x 7,75177469,115232M87,210281,3133,3 根据要求
22250-1012051601718A08 B-11/2 x 5/1612,7 x 7,75177469,115218M57,26281,3132,8 根据要求
22250-1012051601719A08 B-11/2 x 5/1612,7 x 7,75177469,115219M57,26281,3132,8 根据要求
22250-1012051601720A08 B-11/2 x 5/1612,7 x 7,75177469,115220M57,26281,3132,8 根据要求
22250-1012051601724A08 B-11/2 x 5/1612,7 x 7,75177469,115224M67,28281,3133,3 根据要求
22250-1012051601725A08 B-11/2 x 5/1612,7 x 7,75177469,115225M67,28281,3133,3 根据要求
22250-1012051601728A08 B-11/2 x 5/1612,7 x 7,75177469,115228M67,28281,3133,3 根据要求
22250-1012051601730A08 B-11/2 x 5/1612,7 x 7,75177469,115230M67,28281,3133,3 根据要求
22250-1012051601816A08 B-11/2 x 5/1612,7 x 7,75187873,145216M47,25281,3132,3 根据要求
22250-1012051601818A08 B-11/2 x 5/1612,7 x 7,75187873,145218M57,26281,3132,8 根据要求
22250-1012051601819A08 B-11/2 x 5/1612,7 x 7,75187873,145219M57,26281,3132,8 根据要求
22250-1012051601822A08 B-11/2 x 5/1612,7 x 7,75187873,145622M57,26281,3132,8 根据要求
22250-1012051601824A08 B-11/2 x 5/1612,7 x 7,75187873,145624M67,28281,3133,3 根据要求
22250-1012051601825A08 B-11/2 x 5/1612,7 x 7,75187873,145625M67,28281,3133,3 根据要求
22250-1012051601828A08 B-11/2 x 5/1612,7 x 7,75187873,145628M67,28281,3133,3 根据要求
22250-1012051601830A08 B-11/2 x 5/1612,7 x 7,75187873,145630M67,28281,3133,3 根据要求
22250-1012051601832A08 B-11/2 x 5/1612,7 x 7,75187873,145632M87,210281,3133,3 根据要求
22250-1012051601835A08 B-11/2 x 5/1612,7 x 7,75187873,145635M87,210281,3133,3 根据要求
22250-1012051601820A08 B-11/2 x 5/1612,7 x 7,75187873,145620M57,26281,3132,8 根据要求
22250-1012051601838A08 B-11/2 x 5/1612,7 x 7,75187873,145638M87,210281,3133,3 根据要求
22250-1012051601916A08 B-11/2 x 5/1612,7 x 7,75198277,165216M47,25281,3132,3 根据要求
22250-1012051601918A08 B-11/2 x 5/1612,7 x 7,75198277,165218M57,26281,3132,8 根据要求
22250-1012051601919A08 B-11/2 x 5/1612,7 x 7,75198277,165219M57,26281,3132,8 根据要求
22250-1012051601922A08 B-11/2 x 5/1612,7 x 7,75198277,166022M57,26281,3132,8 根据要求
22250-1012051601924A08 B-11/2 x 5/1612,7 x 7,75198277,166024M67,28281,3133,3 根据要求
22250-1012051601925A08 B-11/2 x 5/1612,7 x 7,75198277,166025M67,28281,3133,3 根据要求
22250-1012051601920A08 B-11/2 x 5/1612,7 x 7,75198277,166020M57,26281,3132,8 根据要求
22250-1012051601928A08 B-11/2 x 5/1612,7 x 7,75198277,166028M67,28281,3133,3 根据要求
22250-1012051601938A08 B-11/2 x 5/1612,7 x 7,75198277,166038M87,210281,3133,3 根据要求
22250-1012051601930A08 B-11/2 x 5/1612,7 x 7,75198277,166030M67,28281,3133,3 根据要求
22250-1012051601932A08 B-11/2 x 5/1612,7 x 7,75198277,166032M87,210281,3133,3 根据要求
22250-1012051601935A08 B-11/2 x 5/1612,7 x 7,75198277,166035M87,210281,3133,3 根据要求
22250-1012051602016A08 B-11/2 x 5/1612,7 x 7,75208681,195516M47,25281,3132,3 根据要求
22250-1012051602018A08 B-11/2 x 5/1612,7 x 7,75208681,195518M57,26281,3132,8 根据要求
22250-1012051602019A08 B-11/2 x 5/1612,7 x 7,75208681,195519M57,26281,3132,8 根据要求
22250-1012051602020A08 B-11/2 x 5/1612,7 x 7,75208681,196420M57,26281,3132,8 根据要求
22250-1012051602022A08 B-11/2 x 5/1612,7 x 7,75208681,196422M57,26281,3132,8 根据要求
22250-1012051602038A08 B-11/2 x 5/1612,7 x 7,75208681,196438M87,210281,3133,3 根据要求
22250-1012051602024A08 B-11/2 x 5/1612,7 x 7,75208681,196424M67,28281,3133,3 根据要求
22250-1012051602025A08 B-11/2 x 5/1612,7 x 7,75208681,196425M67,28281,3133,3 根据要求
22250-1012051602028A08 B-11/2 x 5/1612,7 x 7,75208681,196428M67,28281,3133,3 根据要求
22250-1012051602030A08 B-11/2 x 5/1612,7 x 7,75208681,196430M67,28281,3133,3 根据要求
22250-1012051602032A08 B-11/2 x 5/1612,7 x 7,75208681,196432M87,210281,3133,3 根据要求
22250-1012051602035A08 B-11/2 x 5/1612,7 x 7,75208681,196435M87,210281,3133,3 根据要求
22250-1012051602116A08 B-11/2 x 5/1612,7 x 7,752190,185,225516M47,25281,3132,3 根据要求
22250-1012051602118A08 B-11/2 x 5/1612,7 x 7,752190,185,225518M57,26281,3132,8 根据要求
22250-1012051602120A08 B-11/2 x 5/1612,7 x 7,752190,185,226020M57,26281,3132,8 根据要求
22250-1012051602122A08 B-11/2 x 5/1612,7 x 7,752190,185,226022M57,26281,3132,8 根据要求
22250-1012051602124A08 B-11/2 x 5/1612,7 x 7,752190,185,226824M67,28281,3133,3 根据要求
22250-1012051602138A08 B-11/2 x 5/1612,7 x 7,752190,185,226838M87,210281,3133,3 根据要求
22250-1012051602125A08 B-11/2 x 5/1612,7 x 7,752190,185,226825M67,28281,3133,3 根据要求
22250-1012051602130A08 B-11/2 x 5/1612,7 x 7,752190,185,226830M67,28281,3133,3 根据要求
22250-1012051602135A08 B-11/2 x 5/1612,7 x 7,752190,185,226835M87,210281,3133,3 根据要求
22250-1012051602218A08 B-11/2 x 5/1612,7 x 7,752294,189,245518M57,26281,3132,8 根据要求
22250-1012051602216A08 B-11/2 x 5/1612,7 x 7,752294,189,245516M47,25281,3132,3 根据要求
22250-1012051602219A08 B-11/2 x 5/1612,7 x 7,752294,189,245519M57,26281,3132,8 根据要求
22250-1012051602220A08 B-11/2 x 5/1612,7 x 7,752294,189,246520M57,26281,3132,8 根据要求
22250-1012051602222A08 B-11/2 x 5/1612,7 x 7,752294,189,246522M57,26281,3132,8 根据要求
22250-1012051602225A08 B-11/2 x 5/1612,7 x 7,752294,189,247025M67,28281,3133,3 根据要求
22250-1012051602235A08 B-11/2 x 5/1612,7 x 7,752294,189,247035M87,210281,3133,3 根据要求
22250-1012051602228A08 B-11/2 x 5/1612,7 x 7,752294,189,247028M67,28281,3133,3 根据要求
22250-1012051602230A08 B-11/2 x 5/1612,7 x 7,752294,189,247030M67,28281,3133,3 根据要求
22250-1012051602319A08 B-11/2 x 5/1612,7 x 7,752398,193,276519M57,26281,3132,8 根据要求
22250-1012051602320A08 B-11/2 x 5/1612,7 x 7,752398,193,276520M57,26281,3132,8 根据要求
22250-1012051602325A08 B-11/2 x 5/1612,7 x 7,752398,193,277025M67,28281,3133,3 根据要求
22250-1012051602330A08 B-11/2 x 5/1612,7 x 7,752398,193,277030M67,28281,3133,3 根据要求
22250-1012051602324A08 B-11/2 x 5/1612,7 x 7,752398,193,277024M67,28281,3133,3 根据要求
22250-1012051602335A08 B-11/2 x 5/1612,7 x 7,752398,193,277035M87,210281,3133,3 根据要求
22250-1012051602338A08 B-11/2 x 5/1612,7 x 7,752398,193,277038M87,210281,3133,3 根据要求
22250-1012051602419A08 B-11/2 x 5/1612,7 x 7,7524102,197,296519M57,26281,3132,8 根据要求
22250-1012051602420A08 B-11/2 x 5/1612,7 x 7,7524102,197,296520M57,26281,3132,8 根据要求
22250-1012051602425A08 B-11/2 x 5/1612,7 x 7,7524102,197,297025M67,28281,3133,3 根据要求
22250-1012051602422A08 B-11/2 x 5/1612,7 x 7,7524102,197,297022M57,26281,3132,8 根据要求
22250-1012051602428A08 B-11/2 x 5/1612,7 x 7,7524102,197,297028M67,28281,3133,3 根据要求
22250-1012051602435A08 B-11/2 x 5/1612,7 x 7,7524102,197,297035M87,210281,3133,3 根据要求
22250-1012051602430A08 B-11/2 x 5/1612,7 x 7,7524102,197,297030M67,28281,3133,3 根据要求
22250-1012051602432A08 B-11/2 x 5/1612,7 x 7,7524102,197,297032M87,210281,3133,3 根据要求
22250-1012051602519A08 B-11/2 x 5/1612,7 x 7,7525106,2101,336519M57,26281,3132,8 根据要求
22250-1012051602520A08 B-11/2 x 5/1612,7 x 7,7525106,2101,336520M57,26281,3132,8 根据要求
22250-1012051602524A08 B-11/2 x 5/1612,7 x 7,7525106,2101,337024M67,28281,3133,3 根据要求
22250-1012051602525A08 B-11/2 x 5/1612,7 x 7,7525106,2101,337025M67,28281,3133,3 根据要求
22250-1012051602528A08 B-11/2 x 5/1612,7 x 7,7525106,2101,337028M67,28281,3133,3 根据要求
22250-1012051602530A08 B-11/2 x 5/1612,7 x 7,7525106,2101,337030M67,28281,3133,3 根据要求
22250-1012051602522A08 B-11/2 x 5/1612,7 x 7,7525106,2101,337022M57,26281,3132,8 根据要求
22250-1012051602532A08 B-11/2 x 5/1612,7 x 7,7525106,2101,337032M87,210281,3133,3 根据要求
22250-1012051602535A08 B-11/2 x 5/1612,7 x 7,7525106,2101,337035M87,210281,3133,3 根据要求
22250-1012051603025A08 B-11/2 x 5/1612,7 x 7,7530126,3121,57525M67,28301,3133,3 根据要求
22250-1012051603028A08 B-11/2 x 5/1612,7 x 7,7530126,3121,57528M67,28301,3133,3 根据要求
22250-1012051603030A08 B-11/2 x 5/1612,7 x 7,7530126,3121,58030M67,28301,3133,3 根据要求
22250-1012051603038A08 B-11/2 x 5/1612,7 x 7,7530126,3121,58038M87,210301,3133,3 根据要求
22250-1012051603032A08 B-11/2 x 5/1612,7 x 7,7530126,3121,58032M87,210301,3133,3 根据要求
22250-1012051603035A08 B-11/2 x 5/1612,7 x 7,7530126,3121,58035M87,210301,3133,3 根据要求

链轮,单 1/2“ x 5/16“
DIN ISO 606,安装就绪,B 型

更多信息

图纸

链轮,单 1/2“ x 5/16“ DIN ISO 606,安装就绪,B 型

商品选择/筛选

订货号

类型

ISO 编号节距
英寸
节距
mm
齿数

D

D1D2D3D4B1B3LCRT2CAD配件价格订购
22250-1012051601015B08 B-11/2 x 5/1612,7 x 7,751045,941,13115M47,25251,3132,3 根据要求
22250-1012051601016B08 B-11/2 x 5/1612,7 x 7,751045,941,13116M47,25251,3132,3 根据要求
22250-1012051601115B08 B-11/2 x 5/1612,7 x 7,751149,945,073115M47,25251,3132,3 根据要求
22250-1012051601116B08 B-11/2 x 5/1612,7 x 7,751149,945,073116M47,25251,3132,3 根据要求
22250-1012051601118B08 B-11/2 x 5/1612,7 x 7,751149,945,073718M57,26251,3132,8 根据要求
22250-1012051601119B08 B-11/2 x 5/1612,7 x 7,751149,945,073719M57,26251,3132,8 根据要求
22250-1012051601222B08 B-11/2 x 5/1612,7 x 7,751253,949,074022M57,26281,3132,8 根据要求
22250-1012051601224B08 B-11/2 x 5/1612,7 x 7,751253,949,074124M67,28281,3133,3 根据要求
22250-1012051601225B08 B-11/2 x 5/1612,7 x 7,751253,949,074225M67,28281,3133,3 根据要求
22250-1012051601325B08 B-11/2 x 5/1612,7 x 7,751357,956,064225M67,28281,3133,3 根据要求
22250-1012051601328B08 B-11/2 x 5/1612,7 x 7,751357,956,064528M67,28281,3133,3 根据要求
22250-1012051601530B08 B-11/2 x 5/1612,7 x 7,751565,961,095230M67,28281,3133,3 根据要求
22250-1012051601532B08 B-11/2 x 5/1612,7 x 7,751565,961,095232M87,210281,3133,3 根据要求
我的 norelemE-Mail密码
购物车
商品数量: 0
总数: 0.00  
点击购物车
欢迎扫描二维码
咨询诺瑞朗官方客服微信
中国
苏ICP备20011289号-1  苏公网安备32058502011222 网页地图 打印 推荐 Top
Copyright © 2025 norelem. 保留所有权利。 电话 +49 71 45/206-44 至 45 · 传真 +49 71 45/206-83