|
|
|
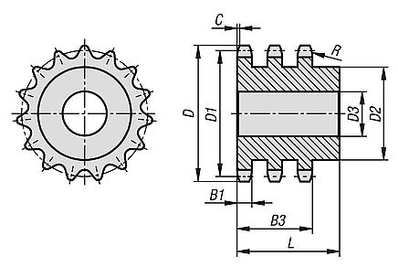
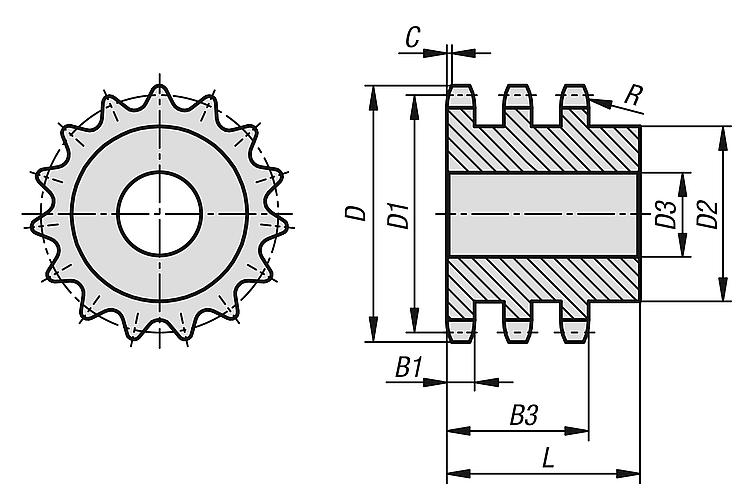
22254三排链轮 3/8" x 7/32" DIN ISO 606 |
返回 |
|
|
产品说明材料:钢制 C45。规格:亮色,未经硬化处理。提示:滚子链条链轮,带单侧轮毂, 符合 DIN ISO 606。 链轮有定心孔或经过预钻孔。(可能因制造技术而异)。因此,表中给出的尺寸 D3 max. 是提供链轮的最大孔值。预钻孔/定心孔可根据客户要求设置装配孔、带键槽的装配孔或螺纹孔。或者,客户也可以使用衬套来减小直径。特点: 下载此处为收集信息的 PDF:
查找 CAD 数据?请直接在产品列表中查找。
|
订货号 | ISO 编号 | 节距 英寸 | 节距 mm | 齿数 | D
| D1 | D2 | D3 max. | B1 | B3 | L | C | R | CAD | 配件 | 价格 | 订购 |
|---|
| 22254-30380732009 | 06 B-3 | 3/8X7/32 | 9,525 x 5,72 | 9 | 31,5 | 27,85 | 18 | 8 | 5,2 | 25,6 | 32 | 1 | 10 |  | | 根据要求 | | | 22254-30380732010 | 06 B-3 | 3/8X7/32 | 9,525 x 5,72 | 10 | 34,5 | 30,82 | 20 | 10 | 5,2 | 25,6 | 32 | 1 | 10 |  | | 根据要求 | | | 22254-30380732011 | 06 B-3 | 3/8X7/32 | 9,525 x 5,72 | 11 | 37,5 | 33,8 | 22 | 12 | 5,2 | 25,6 | 35 | 1 | 10 |  | | 根据要求 | | | 22254-30380732012 | 06 B-3 | 3/8X7/32 | 9,525 x 5,72 | 12 | 40,5 | 36,8 | 25 | 12 | 5,2 | 25,6 | 35 | 1 | 10 |  | | 根据要求 | | | 22254-30380732013 | 06 B-3 | 3/8X7/32 | 9,525 x 5,72 | 13 | 43,5 | 39,8 | 28 | 12 | 5,2 | 25,6 | 35 | 1 | 10 |  | | 根据要求 | | | 22254-30380732015 | 06 B-3 | 3/8X7/32 | 9,525 x 5,72 | 15 | 49,5 | 45,81 | 34 | 12 | 5,2 | 25,6 | 35 | 1 | 10 |  | | 根据要求 | | | 22254-30380732016 | 06 B-3 | 3/8X7/32 | 9,525 x 5,72 | 16 | 52,5 | 48,82 | 37 | 12 | 5,2 | 25,6 | 35 | 1 | 10 |  | | 根据要求 | | | 22254-30380732017 | 06 B-3 | 3/8X7/32 | 9,525 x 5,72 | 17 | 55,5 | 51,83 | 40 | 12 | 5,2 | 25,6 | 35 | 1 | 10 |  | | 根据要求 | | | 22254-30380732018 | 06 B-3 | 3/8X7/32 | 9,525 x 5,72 | 18 | 58,6 | 54,85 | 43 | 12 | 5,2 | 25,6 | 35 | 1 | 10 |  | | 根据要求 | | | 22254-30380732020 | 06 B-3 | 3/8X7/32 | 9,525 x 5,72 | 20 | 64,6 | 60,89 | 49 | 12 | 5,2 | 25,6 | 35 | 1 | 10 |  | | 根据要求 | | | 22254-30380732022 | 06 B-3 | 3/8X7/32 | 9,525 x 5,72 | 22 | 70,6 | 66,93 | 55 | 16 | 5,2 | 25,6 | 40 | 1 | 10 |  | | 根据要求 | | | 22254-30380732024 | 06 B-3 | 3/8X7/32 | 9,525 x 5,72 | 24 | 76,7 | 72,97 | 61 | 16 | 5,2 | 25,6 | 40 | 1 | 10 |  | | 根据要求 | | | 22254-30380732025 | 06 B-3 | 3/8X7/32 | 9,525 x 5,72 | 25 | 79,7 | 76 | 64 | 16 | 5,2 | 25,6 | 40 | 1 | 10 |  | | 根据要求 | | | 22254-30380732030 | 06 B-3 | 3/8X7/32 | 9,525 x 5,72 | 30 | 94,8 | 91,12 | 79 | 16 | 5,2 | 25,6 | 40 | 1 | 10 |  | | 根据要求 | | | 22254-30380732033 | 06 B-3 | 3/8X7/32 | 9,525 x 5,72 | 33 | 103,9 | 100,2 | 80 | 16 | 5,2 | 25,6 | 40 | 1 | 10 |  | | 根据要求 | | | 22254-30380732036 | 06 B-3 | 3/8X7/32 | 9,525 x 5,72 | 36 | 113 | 109,29 | 90 | 16 | 5,2 | 25,6 | 40 | 1 | 10 |  | | 根据要求 | | | 22254-30380732037 | 06 B-3 | 3/8X7/32 | 9,525 x 5,72 | 37 | 116 | 112,32 | 90 | 16 | 5,2 | 25,6 | 40 | 1 | 10 |  | | 根据要求 | | | 22254-30380732040 | 06 B-3 | 3/8X7/32 | 9,525 x 5,72 | 40 | 125,1 | 121,4 | 90 | 16 | 5,2 | 25,6 | 40 | 1 | 10 |  | | 根据要求 | |
|
|