norelem 使用 Cookies 以优化设计和持续改进网页。您通过继续使用网页,同意使用 Cookies。在我们的数据保护声明中可以找到有关 Cookies 主题的详细信息。同意
单排链轮 1" x 17.02 mm 不锈钢DIN ISO 606
22255

单排链轮 1" x 17.02 mm 不锈钢 DIN ISO 606

返回

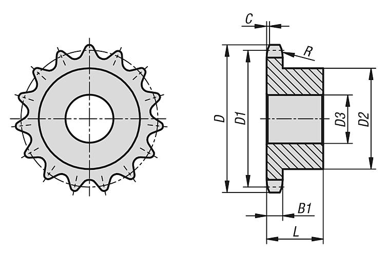
商品描述/产品说明

产品说明材料:

不锈钢 1.4305。

规格:亮色。提示:滚子链条链轮,带单侧轮毂, 符合 DIN ISO 606。
链轮有定心孔或经过预钻孔。(可能因制造技术而异)。因此,表中给出的尺寸 D3 max. 是提供链轮的最大孔值。预钻孔/定心孔可根据客户要求设置装配孔、带键槽的装配孔或螺纹孔。或者,客户也可以使用衬套来减小直径。
特点:
不锈钢RoHS
下载此处为收集信息的 PDF:

查找 CAD 数据?请直接在产品列表中查找。
 Datasheet 22255 单排链轮 1" x 17.02 mm 不锈钢DIN ISO 606 325 kB

图纸

单排链轮 1" x 17.02 mm 不锈钢DIN ISO 606

商品选择/筛选

订货号

ISO 编号节距
英寸
节距
mm
齿数

D

D1D2D3
max.
B1LCRCAD配件价格订购
22255-1100170201316 B-11X17,02mm25,4 x 17,0213117,7106,12781616,2402,526 根据要求
22255-1100170201416 B-11X17,02mm25,4 x 17,0214125,7114,15841616,2402,526 根据要求
22255-1100170201516 B-11X17,02mm25,4 x 17,0215133,7122,17921616,2402,526 根据要求
22255-1100170201616 B-11X17,02mm25,4 x 17,0216141,8130,21002016,2452,526 根据要求
22255-1100170201716 B-11X17,02mm25,4 x 17,0217149,8138,221002016,2452,526 根据要求
22255-1100170202016 B-11X17,02mm25,4 x 17,0220173,9162,381002016,2452,526 根据要求
22255-1100170202116 B-11X17,02mm25,4 x 17,0221182170,431102016,2502,526 根据要求
我的 norelemE-Mail密码
购物车
商品数量: 0
总数: 0.00  
点击购物车
欢迎扫描二维码
咨询诺瑞朗官方客服微信
中国
苏ICP备20011289号-1  苏公网安备32058502011222 网页地图 打印 推荐 Top
Copyright © 2025 norelem. 保留所有权利。 电话 +49 71 45/206-44 至 45 · 传真 +49 71 45/206-83