norelem 使用 Cookies 以优化设计和持续改进网页。您通过继续使用网页,同意使用 Cookies。在我们的数据保护声明中可以找到有关 Cookies 主题的详细信息。同意
单排链轮 3/8" x 7/32",不锈钢DIN ISO 606
22255

单排链轮 3/8" x 7/32",不锈钢 DIN ISO 606

返回

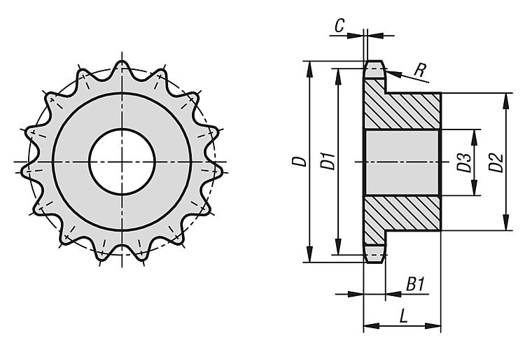
商品描述/产品说明

产品说明材料:

不锈钢 1.4305。

规格:亮色。提示:滚子链条链轮,带单侧轮毂, 符合 DIN ISO 606。
链轮有定心孔或经过预钻孔。(可能因制造技术而异)。因此,表中给出的尺寸 D3 max. 是提供链轮的最大孔值。预钻孔/定心孔可根据客户要求设置装配孔、带键槽的装配孔或螺纹孔。或者,客户也可以使用衬套来减小直径。
特点:
不锈钢RoHS
下载此处为收集信息的 PDF:

查找 CAD 数据?请直接在产品列表中查找。
 Datasheet 22255 单排链轮 3/8" x 7/32",不锈钢DIN ISO 606 317 kB

图纸

单排链轮 3/8" x 7/32",不锈钢DIN ISO 606

商品选择/筛选

订货号

ISO 编号节距
英寸
节距
mm
齿数

D

D1D2D3
max.
B1LCRCAD配件价格订购
22255-1038073201306 B-13/8X7/329,525 x 5,721343,539,82885,325110 根据要求
22255-1038073201406 B-13/8X7/329,525 x 5,721446,542,83185,325110 根据要求
22255-1038073201506 B-13/8X7/329,525 x 5,721549,545,813485,325110 根据要求
22255-1038073201606 B-13/8X7/329,525 x 5,721652,548,8237105,328110 根据要求
22255-1038073201706 B-13/8X7/329,525 x 5,721755,551,8340105,328110 根据要求
22255-1038073201906 B-13/8X7/329,525 x 5,721961,657,8745105,328110 根据要求
22255-1038073202006 B-13/8X7/329,525 x 5,722064,660,8946105,328110 根据要求
22255-1038073202106 B-13/8X7/329,525 x 5,722167,663,9148125,328110 根据要求
22255-1038073202306 B-13/8X7/329,525 x 5,722373,769,9552125,328110 根据要求
22255-1038073202506 B-13/8X7/329,525 x 5,722579,77657125,328110 根据要求
22255-1038073203006 B-13/8X7/329,525 x 5,723094,891,1260125,330110 根据要求
我的 norelemE-Mail密码
购物车
商品数量: 0
总数: 0.00  
点击购物车
欢迎扫描二维码
咨询诺瑞朗官方客服微信
中国
苏ICP备20011289号-1  苏公网安备32058502011222 网页地图 打印 推荐 Top
Copyright © 2025 norelem. 保留所有权利。 电话 +49 71 45/206-44 至 45 · 传真 +49 71 45/206-83