norelem 使用 Cookies 以优化设计和持续改进网页。您通过继续使用网页,同意使用 Cookies。在我们的数据保护声明中可以找到有关 Cookies 主题的详细信息。同意
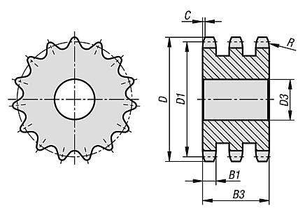
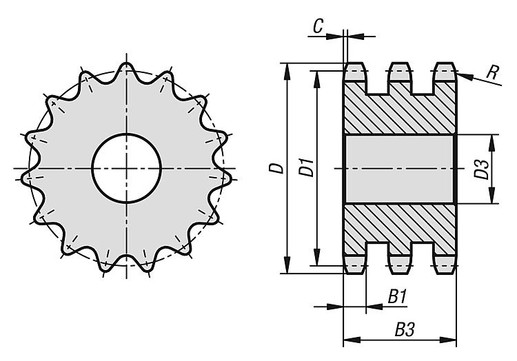
三排轮盘 1" x 17.02 mm  DIN ISO 606
22266

三排轮盘 1" x 17.02 mm DIN ISO 606

返回

商品描述/产品说明

产品说明材料:低碳钢制规格:亮色,未经硬化处理(不可硬化)。提示:滚子链条轮盘, 符合 DIN ISO 606。链轮盘有定心孔或经过预钻孔。(可能因制造技术而异)。因此,表中给出的尺寸 D3 max. 是所提供链轮盘的最大孔值。预钻孔/定心孔可根据客户要求设置装配孔、带键槽的装配孔或螺纹孔。或者,客户也可以使用衬套来减小直径。特点:
RoHS
下载此处为收集信息的 PDF:

查找 CAD 数据?请直接在产品列表中查找。
 Datasheet 22266 三排轮盘 1" x 17.02 mm DIN ISO 606 328 kB

图纸

三排轮盘 1" x 17.02 mm  DIN ISO 606

商品选择/筛选

订货号

ISO 编号节距
英寸
节距
mm
齿数

D

D1D3
max.
B1B3CRCAD配件价格订购
我的 norelemE-Mail密码
购物车
商品数量: 0
总数: 0.00  
点击购物车
欢迎扫描二维码
咨询诺瑞朗官方客服微信
中国
苏ICP备20011289号-1  苏公网安备32058502011222 网页地图 打印 推荐 Top
Copyright © 2025 norelem. 保留所有权利。 电话 +49 71 45/206-44 至 45 · 传真 +49 71 45/206-83