|
|
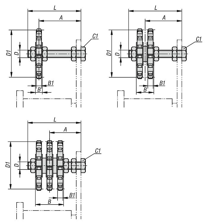
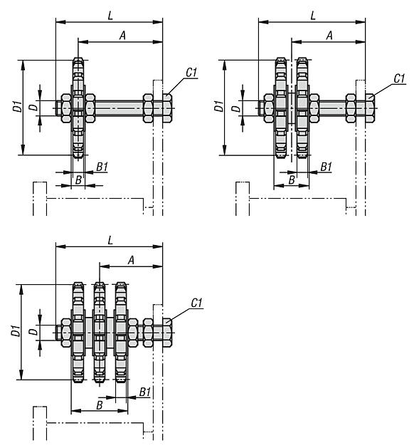
产品说明材料:钢制链轮。 滚动轴承钢制滚珠轴承。 钢制螺栓和螺母。规格:链轮齿经硬化处理 HRC 50,镀锌。 带密封垫圈 2Z-C3 的滚珠轴承。 螺栓 ISO 4017,强度等级 8.8,镀锌。 螺母 ISO 4035,强度等级 8,镀锌。提示:用于夹紧滚链。链轮套件可以与所有夹紧元件组合,用于准备安装的链条张紧器。滚珠轴承两侧密封,终身润滑,免维护。
链轮可以在螺杆上移动并适应链条轨道。对于双重和三重规格,量身定制的间隔衬套可确保链条进行正确的引导。
也可以在无夹紧元件的情况下刚性地完成组装。也可用作导向辊。温度范围:-40 °C 至 +120 °C。特点: 下载此处为收集信息的 PDF:
查找 CAD 数据?请直接在产品列表中查找。
|
| 订货号 | 类型 1 | ISO 编号 | 节距 英寸 | 节距 mm | 齿数 | A | B | B1 | D
| D1 | L | 滚珠轴承
| 螺栓 锁紧扭矩 C1 Nm | 适合夹紧元件的尺寸
| CAD | 配件 | 价格 | 订购 |
|---|
| 22281-06110 | 单 | 06 B-1 | 3/8X7/32 | 9,525 x 5,72 | 15 | 21-50 | 9 | 5,7 | M10 | 45,81 | 60 | 6200-2Z | 20 | 2+3 |  | | 根据要求 | | | 22281-08110 | 单 | 08 B-1 | 1/2X5/16 | 12,7 x 7,75 | 15 | 21-50 | 9 | 7,2 | M10 | 61,09 | 60 | 6200-2Z | 20 | 3 |  | | 根据要求 | | | 22281-10112 | 单 | 10 B-1 | 5/8X3/8 | 15,875 x 9,65 | 15 | 27-67 | 12 | 9,1 | M12 | 76,36 | 80 | 6301-2Z | 35 | 4 |  | | 根据要求 | | | 22281-12112 | 单 | 12 B-1 | 3/4X7/16 | 19,05 x 11,68 | 15 | 27-67 | 12 | 11,5 | M12 | 91,63 | 80 | 6301-2Z | 35 | 4 |  | | 根据要求 | | | 22281-12120 | 单 | 12 B-1 | 3/4X7/16 | 19,05 x 11,68 | 15 | 38-101 | 15 | 11,5 | M20 | 91,63 | 120 | 6304-2Z | 160 | 5 |  | | 根据要求 | | | 22281-16120 | 单 | 16 B-1 | 1X17,02mm | 25,4 x 17,02 | 13 | 38-101 | 15 | 16,2 | M20 | 106,14 | 120 | 6304-2Z | 160 | 5 |  | | 根据要求 | | | 22281-06210 | 双重 | 06 B-2 | 3/8X7/32 | 9,525 x 5,72 | 15 | 26-44 | 19,2 | 5,7 | M10 | 45,81 | 60 | 6200-2Z | 20 | 2+3 |  | | 根据要求 | | | 22281-08210 | 双重 | 08 B-2 | 1/2X5/16 | 12,7 x 7,75 | 15 | 28-42 | 22,9 | 7,2 | M10 | 61,09 | 60 | 6200-2Z | 20 | 3 |  | | 根据要求 | | | 22281-10212 | 双重 | 10 B-2 | 5/8X3/8 | 15,875 x 9,65 | 15 | 35-59 | 28,6 | 9,1 | M12 | 76,36 | 80 | 6301-2Z | 35 | 4 |  | | 根据要求 | | | 22281-12212 | 双重 | 12 B-2 | 3/4X7/16 | 19,05 x 11,68 | 15 | 37-57 | 31,5 | 11,5 | M12 | 91,63 | 80 | 6301-2Z | 35 | 4 |  | | 根据要求 | | | 22281-12220 | 双重 | 12 B-2 | 3/4X7/16 | 19,05 x 11,68 | 15 | 38-101 | 34,5 | 11,5 | M20 | 91,63 | 120 | 6304-2Z | 160 | 5 |  | | 根据要求 | | | 22281-16220 | 双重 | 16 B-2 | 1X17,02mm | 25,4 x 17,02 | 13 | 48-92 | 46,9 | 16,2 | M20 | 106,14 | 120 | 6304-2Z | 160 | 5 |  | | 根据要求 | | | 22281-06310 | 三重 | 06 B-3 | 3/8X7/32 | 9,525 x 5,72 | 15 | 32-39 | 29,4 | 5,7 | M10 | 45,81 | 60 | 6200-2Z | 20 | 3 |  | | 根据要求 | | | 22281-08312 | 三重 | 08 B-3 | 1/2X5/16 | 12,7 x 7,75 | 15 | 41-53 | 40 | 7,2 | M12 | 61,09 | 80 | 6301-2Z | 35 | 4 |  | | 根据要求 | | | 22281-10312 | 三重 | 10 B-3 | 5/8X3/8 | 15,875 x 9,65 | 15 | 43-51 | 45,2 | 9,1 | M12 | 76,36 | 80 | 6301-2Z | 35 | 4 |  | | 根据要求 | | | 22281-10320 | 三重 | 10 B-3 | 5/8X3/8 | 15,875 x 9,65 | 15 | 55-85 | 48,2 | 9,1 | M20 | 76,36 | 120 | 6304-2Z | 160 | 5 |  | | 根据要求 | | | 22281-12320 | 三重 | 12 B-3 | 3/4X7/16 | 19,05 x 11,68 | 15 | 58-82 | 54 | 11,5 | M20 | 91,63 | 120 | 6304-2Z | 160 | 5 |  | | 根据要求 | | | 22281-08112 | 单 | 08 B-1 | 1/2X5/16 | 12,7 x 7,75 | 15 | 27-67 | 12 | 7,2 | M12 | 61,09 | 80 | 6301-2Z | 35 | 4 |  | | 根据要求 | | | 22281-10120 | 单 | 10 B-1 | 5/8X3/8 | 15,875 x 9,65 | 15 | 38-101 | 15 | 9,1 | M20 | 76,36 | 120 | 6304-2Z | 160 | 5 |  | | 根据要求 | | | 22281-20120 | 单 | 20 B-1 | 1 1/4X3/4 | 31,75 x 19,56 | 13 | 41-121 | 15 | 18,5 | M20 | 132,67 | 140 | 6304-2Z | 160 | 6 |  | | 根据要求 | | | 22281-24120 | 单 | 24 B-1 | 1 1/2X1 | 38,1 x 25,4 | 11 | 41-121 | 15 | 24,1 | M20 | 135,23 | 140 | 6304-2Z | 160 | 6 |  | | 根据要求 | | | 22281-08212 | 双重 | 08 B-2 | 1/2X5/16 | 12,7 x 7,75 | 15 | 34-60 | 26 | 7,2 | M12 | 61,09 | 80 | 6301-2Z | 35 | 4 |  | | 根据要求 | | | 22281-10220 | 双重 | 10 B-2 | 5/8X3/8 | 15,875 x 9,65 | 15 | 47-93 | 31,5 | 9,1 | M20 | 76,36 | 120 | 6304-2Z | 160 | 5 |  | | 根据要求 | | | 22281-20220 | 双重 | 20 B-2 | 1 1/4X3/4 | 31,75 x 19,56 | 13 | 59-103 | 51,5 | 18,5 | M20 | 132,67 | 140 | 6304-2Z | 160 | 6 |  | | 根据要求 | | | 22281-24220 | 双重 | 24 B-2 | 1 1/2X1 | 38,1 x 25,4 | 11 | 65-97 | 63,4 | 24,1 | M20 | 135,23 | 140 | 6304-2Z | 160 | 6 |  | | 根据要求 | |
|
|