norelem 使用 Cookies 以优化设计和持续改进网页。您通过继续使用网页,同意使用 Cookies。在我们的数据保护声明中可以找到有关 Cookies 主题的详细信息。同意

商品描述/产品说明

产品说明材料:

壳体由 1.4308 不锈钢制成,尺寸 5 及以上为 1.4301 不锈钢制成,夹紧臂由 1.4301 不锈钢制成。
天然橡胶弹簧体。
不锈钢 A2 螺栓。

规格:亮色壳体和杠杆臂。
螺栓 ISO 4017,强度等级 70,亮色。
提示:夹紧元件带有内置弹簧体,由高弹性、尺寸稳定的天然橡胶制成。

夹紧元件与链式滑架套件、链轮套件或张紧轮一起组成可立即安装的夹紧单元,适用于张紧链条和皮带传动装置。适用于两个夹紧方向。夹紧元件免维护,且可安全分离。

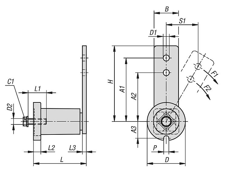
穿过一个孔,将夹紧元件固定在机器部件上。如有必要,可通过定位槽“P”插入重型张紧销以支撑扭矩。
温度范围:-55 °C 至 +85 °C。特点:
RoHS
下载此处为收集信息的 PDF:

查找 CAD 数据?请直接在产品列表中查找。
 Datasheet 22281-14 不锈钢夹紧元件 296 kB

图纸

不锈钢夹紧元件

商品选择/筛选

订货号尺寸A1A2A3BD

D1D2HLL1L2L3PS1螺栓
锁紧扭矩 C1
Nm
F1
N
F2
N
CAD配件价格订购
22281-14-11806016,62037,58,5M69052+1 -0,525658421090110 根据要求
22281-14-221008019,5254810,5M811563+1 -0,525858,55325140170 根据要求
22281-14-331008024,5306010,5M1011578+1,5 -0,5301068,55348320430 根据要求
22281-14-4413010034507812,5M12155108+2 -0,54014810,569828201050 根据要求
22281-14-5517513542609820,5M16205130+2 -0,540158129319915001940 根据要求
我的 norelemE-Mail密码
购物车
商品数量: 0
总数: 0.00  
点击购物车
欢迎扫描二维码
咨询诺瑞朗官方客服微信
中国
苏ICP备20011289号-1  苏公网安备32058502011222 网页地图 打印 推荐 Top
Copyright © 2025 norelem. 保留所有权利。 电话 +49 71 45/206-44 至 45 · 传真 +49 71 45/206-83