|
|
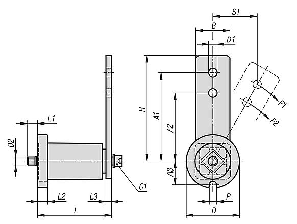
产品说明材料:外壳由烧结钢制成。 EN-GJS-400-15 的尺寸 5。 S235JR 的尺寸 6。 S235JR 钢制夹紧臂。 弹簧主体为天然橡胶。 螺栓钢。规格:钢制部件经涂漆处理。螺栓 ISO 4762,强度等级 8.8,镀锌。提示:夹紧元件带有内置弹簧体,由高弹性、尺寸稳定的天然橡胶制成。
夹紧元件与链式滑架套件、链轮套件或张紧轮一起组成可立即安装的夹紧单元,适用于张紧链条和皮带传动装置。适用于两个夹紧方向。夹紧元件免维护,且可安全分离。
通过一个螺纹,将夹紧元件固定在机器部件上。如有必要,可通过定位槽“P”插入重型张紧销以支撑扭矩。温度范围:-55 °C 至 +85 °C。特点: 下载此处为收集信息的 PDF:
查找 CAD 数据?请直接在产品列表中查找。
|
| 订货号 | 尺寸 | A1 | A2 | A3 | B | D | D1 | D2 | H | L | L1 | L2 | L3 | P | S1 | 螺栓 锁紧扭矩 C1 Nm | F1 N | F2 N | CAD | 配件 | 价格 | 订购 |
|---|
| 22281-16-2 | 2 | 100 | 80 | 19,5 | 25 | 48 | 10,5 | M6 | 115 | 63+1 -0,5 | 13 | 8 | 5 | 8,5 | 53 | 10 | 140 | 170 |  | | 根据要求 | | | 22281-16-3 | 3 | 100 | 80 | 24,5 | 30 | 60 | 10,5 | M8 | 115 | 78+1,5 -0,5 | 17 | 10 | 6 | 8,5 | 53 | 25 | 320 | 430 |  | | 根据要求 | | | 22281-16-4 | 4 | 130 | 100 | 34 | 50 | 78 | 12,5 | M10 | 155 | 108+2 -0,5 | 17 | 14 | 8 | 10,5 | 69 | 49 | 820 | 1050 |  | | 根据要求 | | | 22281-16-5 | 5 | 175 | 140 | 42 | 60 | 100 | 20,5 | M12 | 205 | 145+2 -0,5 | 15 | 15 | 10 | 12,5 | 93 | 145 | 1500 | 1880 |  | | 根据要求 | | | 22281-16-6 | 6 | 220 | 175 | 50 | 70 | 114 | 20,5 | M16 | 255 | 198+3 -1 | 34 | 18 | 12 | 12,5 | 117 | 410 | 2500 | 3125 |  | | 根据要求 | |
|
|