|
|
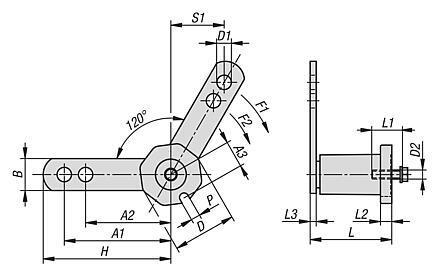
产品说明材料:烧结钢制外壳。 夹紧臂由 S235JR 钢制成。 天然橡胶弹簧体。 钢制螺栓。规格:钢制部件经涂漆处理。螺栓 ISO 4017,强度等级 8.8,镀锌。提示:带有集成弹簧体的夹紧元件,由高弹性、尺寸稳定的天然橡胶制成。
夹紧元件与链条滑块组、链轮组或夹紧轮一起构成一个即装即用的夹紧单元,适用于夹紧链条和皮带传动。夹紧元件免维护,抗撕裂。
夹紧元件可用于夹紧超长链条和皮带传动。松弛侧通过安装在两个悬臂上的夹紧滚柱或链轮交替引导。因此,与在空转过程中使用传统夹紧器相比,可补偿三倍的伸长率。温度范围:-55 °C 至 +85 °C。特点: 下载此处为收集信息的 PDF:
查找 CAD 数据?请直接在产品列表中查找。
|
| 订货号 | 尺寸 | A1 | A2 | A3 | B | D
| D1 | D2 | H | L | L1 | L2 | L3 | P | S1 | 螺栓 锁紧扭矩 C1 Nm | F1 N | F2 N | CAD | 配件 | 价格 | 订购 |
|---|
| 22281-18-3 | 3 | 100 | 80 | 24,8 | 30 | 56 | 10,5 | M10 | 120 | 78+1,5 -0,5 | 30 | 10 | 6 | 8,5 | 53 | 10 | 320 | 430 |  | | 根据要求 | | | 22281-18-4 | 4 | 130 | 100 | 34,5 | 50 | 73,7 | 12,5 | M12 | 170 | 108+2 -0,5 | 40 | 14 | 8 | 9,8 | 69 | 25 | 820 | 1050 |  | | 根据要求 | |
|
|