norelem 使用 Cookies 以优化设计和持续改进网页。您通过继续使用网页,同意使用 Cookies。在我们的数据保护声明中可以找到有关 Cookies 主题的详细信息。同意
尺寸为 1 的链条张紧器
带弧形轮廓
22281-58

尺寸为 1 的链条张紧器 带弧形轮廓

返回

商品描述/产品说明

查看/筛选所有商品
产品说明材料:钢制外壳和 C 型材。
塑料内壳。
链条滑块采用超高分子量聚乙烯 PE-UHMW。
不锈钢弹簧。
规格:外罩和 C 型材镀锌并涂成黑色。提示:根据 ISO 606,准备安装链条张紧器,以实现滚子链的低噪音和低磨损运行。坚固的钢壳使用寿命长、运行可靠且耐腐蚀。

有两种夹紧力规格和两种形状可供选择:
轻弹簧弹力规格:174 - 32 N。
加强弹簧弹力规格:396 - 60 N。

A 型:短外壳。
B 型:长外壳。
对于运行方向交替的情况,我们建议使用带长外壳的链条张紧器。我们仅提供加强弹簧弹力规格。

通过三色磨损指示器,可轻松监控磨损情况
绿色:正常
黄色:仍然正常
红色:弹簧行程不足。必须重新调整链条张紧器。如果所有调整选项的范围都无法保证足够的调节,则必须更换链条。
温度范围:-20 °C 到 +60 °C(短时温度达 +80 °C)。装配:最好将其直接安装在驱动轮后方,以尽可能缩短需要张紧的松弛边长度。为减少磨损,应使多个链节接触。
尺寸为 1 的链条张紧器在交付时处于锁定状态。只有在安装后,才能松开锁紧螺钉上的夹紧芯。拧松三个锁紧螺钉的中心约四圈。仅在必要时拧松第二和第三个弹簧。
附件:角形托架 22281-90。特点:
RoHS
下载此处为收集信息的 PDF:

查找 CAD 数据?请直接在产品列表中查找。
 Datasheet 22281-58 尺寸为 1 的链条张紧器 带弧形轮廓 374 kB

图片(总概述)

尺寸为 1 的链条张紧器
带弧形轮廓

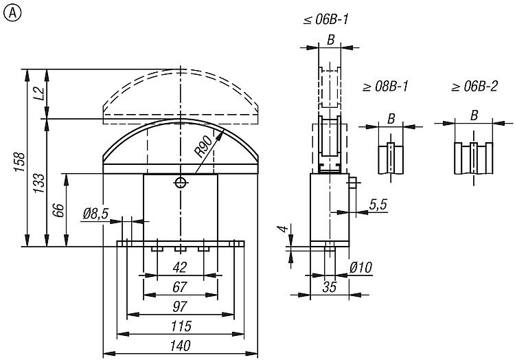
尺寸为 1 的链条张紧器,带弧形轮廓,A 型

更多信息

图纸

尺寸为 1 的链条张紧器,带弧形轮廓,A 型

商品选择/筛选

订货号类型形状类型类型 1B

尺寸ISO 编号夹持力
1 个弹簧已释放
(N)

夹持力
2 个弹簧已释放
(N)

夹持力
3 个弹簧已释放
(N)

夹紧行程
L2
节距,英寸合适的
安装支架

CAD配件价格订购
22281-58-10611A短外壳轻弹簧弹力20106 B-158-32116-64174-96403/8X7/3222281-90-10167 根据要求
22281-58-10811A短外壳轻弹簧弹力20108 B-158-32116-64174-96401/2X5/1622281-90-10167 根据要求
22281-58-11011A短外壳轻弹簧弹力20110 B-158-32116-64174-96405/8X3/822281-90-10167 根据要求
22281-58-11211A短外壳轻弹簧弹力20112 B-158-32116-64174-96403/4X7/1622281-90-10167 根据要求
22281-58-11611A短外壳轻弹簧弹力20116 B-158-32116-64174-96401X17mm22281-90-10167 根据要求
22281-58-12011A短外壳轻弹簧弹力20120 B-158-32116-64174-96401 1/4X3/422281-90-10167 根据要求
22281-58-10621A短外壳轻弹簧弹力20106 B-258-32116-64174-96403/8X7/3222281-90-10167 根据要求
22281-58-10821A短外壳轻弹簧弹力20108 B-258-32116-64174-96401/2X5/1622281-90-10167 根据要求
22281-58-11021A短外壳轻弹簧弹力25110 B-258-32116-64174-96405/8X3/822281-90-10167 根据要求
22281-58-11221A短外壳轻弹簧弹力30112 B-258-32116-64174-96403/4X7/1622281-90-10167 根据要求
22281-58-11621A短外壳轻弹簧弹力45116 B-258-32116-64174-96401X17mm22281-90-10167 根据要求
22281-58-10631A短外壳轻弹簧弹力25106 B-358-32116-64174-96403/8X7/3222281-90-10167 根据要求
22281-58-10831A短外壳轻弹簧弹力30108 B-358-32116-64174-96401/2X5/1622281-90-10167 根据要求
22281-58-11031A短外壳轻弹簧弹力40110 B-358-32116-64174-96405/8X3/822281-90-10167 根据要求
22281-58-11231A短外壳轻弹簧弹力45112 B-358-32116-64174-96403/4X7/1622281-90-10167 根据要求
22281-58-10612A短外壳加强弹簧弹力20106 B-1132-60264-120396-180403/8X7/3222281-90-10167 根据要求
22281-58-10812A短外壳加强弹簧弹力20108 B-1132-60264-120396-180401/2X5/1622281-90-10167 根据要求
22281-58-11012A短外壳加强弹簧弹力20110 B-1132-60264-120396-180405/8X3/822281-90-10167 根据要求
22281-58-11212A短外壳加强弹簧弹力20112 B-1132-60264-120396-180403/4X7/1622281-90-10167 根据要求
22281-58-11612A短外壳加强弹簧弹力20116 B-1132-60264-120396-180401X17mm22281-90-10167 根据要求
22281-58-12012A短外壳加强弹簧弹力20120 B-1132-60264-120396-180401 1/4X3/422281-90-10167 根据要求
22281-58-10622A短外壳加强弹簧弹力20106 B-2132-60264-120396-180403/8X7/3222281-90-10167 根据要求
22281-58-10822A短外壳加强弹簧弹力20108 B-2132-60264-120396-180401/2X5/1622281-90-10167 根据要求
22281-58-11022A短外壳加强弹簧弹力25110 B-2132-60264-120396-180405/8X3/822281-90-10167 根据要求
22281-58-11222A短外壳加强弹簧弹力30112 B-2132-60264-120396-180403/4X7/1622281-90-10167 根据要求
22281-58-11622A短外壳加强弹簧弹力45116 B-2132-60264-120396-180401X17mm22281-90-10167 根据要求
22281-58-10632A短外壳加强弹簧弹力25106 B-3132-60264-120396-180403/8X7/3222281-90-10167 根据要求
22281-58-10832A短外壳加强弹簧弹力30108 B-3132-60264-120396-180401/2X5/1622281-90-10167 根据要求
22281-58-11032A短外壳加强弹簧弹力40110 B-3132-60264-120396-180405/8X3/822281-90-10167 根据要求
22281-58-11232A短外壳加强弹簧弹力45112 B-3132-60264-120396-180403/4X7/1622281-90-10167 根据要求

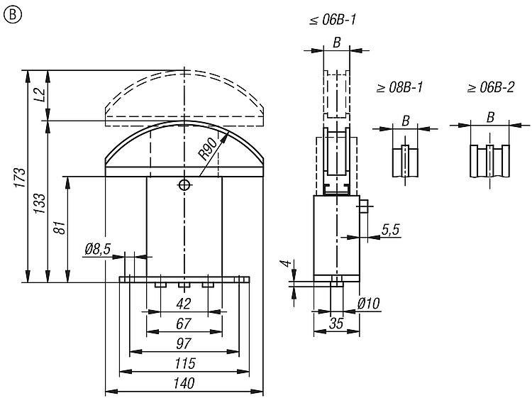
尺寸为 1 的链条张紧器,带弧形轮廓,B 型

更多信息

图纸

尺寸为 1 的链条张紧器,带弧形轮廓,B 型

商品选择/筛选

订货号类型形状类型类型 1B

尺寸ISO 编号夹持力
1 个弹簧已释放
(N)

夹持力
2 个弹簧已释放
(N)

夹持力
3 个弹簧已释放
(N)

夹紧行程
L2
节距,英寸合适的
安装支架

CAD配件价格订购
22281-58-20612B长外壳加强弹簧弹力20106 B-1132-60264-120396-180403/8X7/3222281-90-10167 根据要求
22281-58-20812B长外壳加强弹簧弹力20108 B-1132-60264-120396-180401/2X5/1622281-90-10167 根据要求
22281-58-21012B长外壳加强弹簧弹力20110 B-1132-60264-120396-180405/8X3/822281-90-10167 根据要求
22281-58-21212B长外壳加强弹簧弹力20112 B-1132-60264-120396-180403/4X7/1622281-90-10167 根据要求
22281-58-21612B长外壳加强弹簧弹力20116 B-1132-60264-120396-180401X17mm22281-90-10167 根据要求
22281-58-22012B长外壳加强弹簧弹力20120 B-1132-60264-120396-180401 1/4X3/422281-90-10167 根据要求
22281-58-20622B长外壳加强弹簧弹力20106 B-2132-60264-120396-180403/8X7/3222281-90-10167 根据要求
22281-58-20822B长外壳加强弹簧弹力20108 B-2132-60264-120396-180401/2X5/1622281-90-10167 根据要求
22281-58-21022B长外壳加强弹簧弹力25110 B-2132-60264-120396-180405/8X3/822281-90-10167 根据要求
22281-58-21222B长外壳加强弹簧弹力30112 B-2132-60264-120396-180403/4X7/1622281-90-10167 根据要求
22281-58-21622B长外壳加强弹簧弹力45116 B-2132-60264-120396-180401X17mm22281-90-10167 根据要求
22281-58-20632B长外壳加强弹簧弹力25106 B-3132-60264-120396-180403/8X7/3222281-90-10167 根据要求
22281-58-20832B长外壳加强弹簧弹力30108 B-3132-60264-120396-180401/2X5/1622281-90-10167 根据要求
22281-58-21032B长外壳加强弹簧弹力40110 B-3132-60264-120396-180405/8X3/822281-90-10167 根据要求
22281-58-21232B长外壳加强弹簧弹力45112 B-3132-60264-120396-180403/4X7/1622281-90-10167 根据要求
我的 norelemE-Mail密码
购物车
商品数量: 0
总数: 0.00  
点击购物车
欢迎扫描二维码
咨询诺瑞朗官方客服微信
中国
苏ICP备20011289号-1  苏公网安备32058502011222 网页地图 打印 推荐 Top
Copyright © 2025 norelem. 保留所有权利。 电话 +49 71 45/206-44 至 45 · 传真 +49 71 45/206-83