|
|
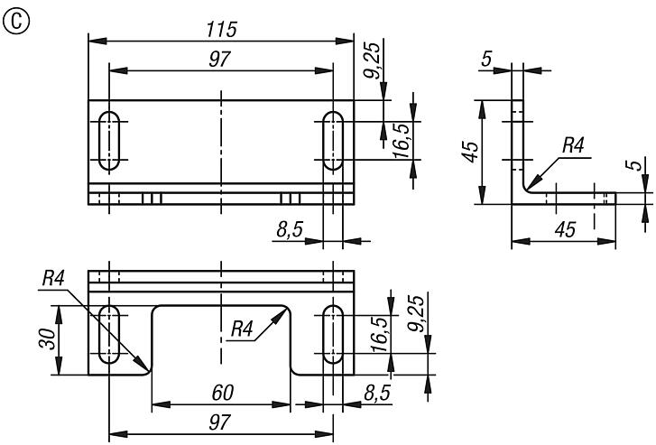
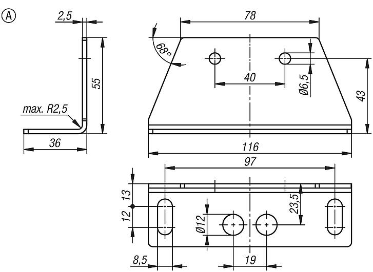
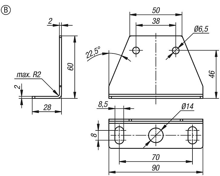
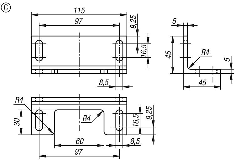
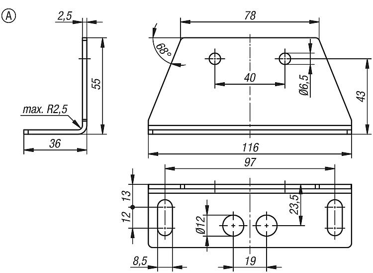
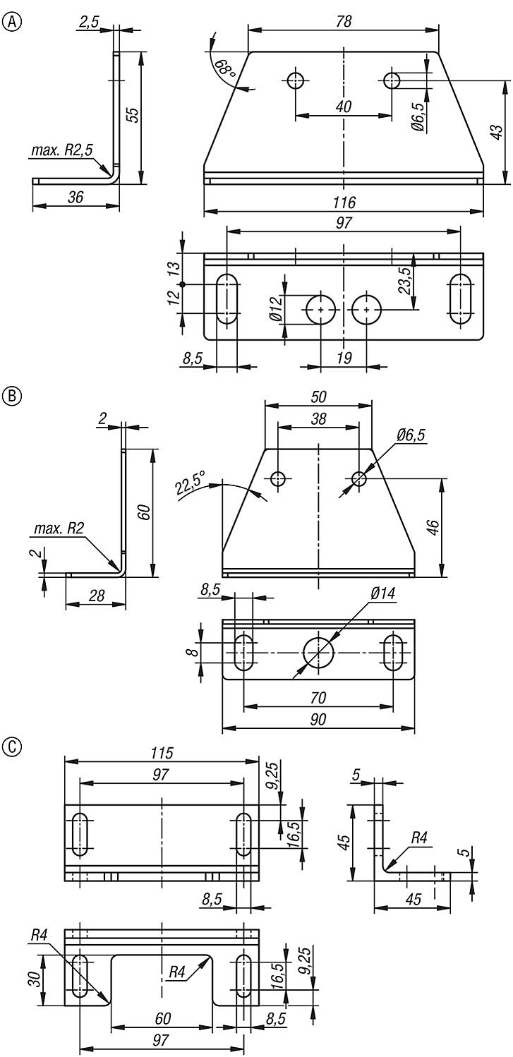
产品说明材料:钢或不锈钢 1.4301。 规格:钢经喷涂处理。 亮色不锈钢。提示:便于安装链条张紧器的角形托架。它们为适应和调整提供了额外的灵活性。当常用夹紧行程耗尽时,开槽孔可以轻松进行重新调整。可通过侧向移动来补偿错位误差。
订货号 22281-90-20000 附带不锈钢紧固材料(M6x40 圆柱头螺丝、螺母和垫圈)。特点: 下载此处为收集信息的 PDF:
查找 CAD 数据?请直接在产品列表中查找。
|
| 订货号 | 类型 | 主体 材料 | 适用 | CAD | 配件 | 价格 | 订购 |
|---|
| 22281-90-29900 | A | 不锈钢 | Kettenspanner TS |  | | 根据要求 | |
|
| 订货号 | 类型 | 主体 材料 | 适用 | CAD | 配件 | 价格 | 订购 |
|---|
| 22281-90-20000 | B | 不锈钢 | Kettenspanner Gr. 0 |  | | 根据要求 | |
|
| 订货号 | 类型 | 主体 材料 | 调节范围 | 适用 | CAD | 配件 | 价格 | 订购 |
|---|
| 22281-90-10167 | C | 钢制 | 67 | Kettenspanner Gr. 1 |  | | 根据要求 | | | 22281-90-20167 | C | 不锈钢 | 67 | Kettenspanner Gr. 1 |  | | 根据要求 | |
|
|
|