|
|
|
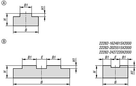
22282采用超高分子聚乙烯 (UHMW-PE) 制成的滑轨适用于 DIN ISO 606 滚子链 |
返回 |
|
|
产品说明材料:PE-UHMW 聚乙烯(超高分子聚乙烯)。规格:绿色。提示:用于滚子链的滑轨符合 DIN ISO 606,滑轨起支撑作用,并在皮带松弛侧引导滚子链,以此来确保延长使用寿命,因为它们明显减少了滚子链的磨损。滑轨减少链传动中产生的震荡和噪音。
滑轨具备很高的耐摩擦磨损性。滑轨均为免维护、耐酸并具有极高的耐化学性。温度范围:-200 °C 到 +60 °C(短时温度达 +80 °C)。装配:滑轨可以通过设备上的螺纹孔或沉孔进行固定。它们不适合粘帖。
安装滑轨必须要使材料膨胀。热塑性塑料在温度波动时会比金属具有更强的热胀冷缩性。特点: 下载此处为收集信息的 PDF:
查找 CAD 数据?请直接在产品列表中查找。
|
| 订货号 | 类型 | ISO 编号 | 节距,英寸 | B | B1 | E | H | H1 | L | CAD | 配件 | 价格 | 订购 |
|---|
| 22282-0611510X2000 | A | 06 B-1 | 3/8X7/32 | 15 | 5,4 | - | 10 | 1,5 | 2000 |  | | 根据要求 | | | 22282-0812010X2000 | A | 08 B-1 | 1/2X5/16 | 20 | 7,4 | - | 10 | 2,2 | 2000 |  | | 根据要求 | | | 22282-0812015X2000 | A | 08 B-1 | 1/2X5/16 | 20 | 7,4 | - | 15 | 2,2 | 2000 |  | | 根据要求 | | | 22282-0812020X2000 | A | 08 B-1 | 1/2X5/16 | 20 | 7,4 | - | 20 | 2,2 | 2000 |  | | 根据要求 | | | 22282-1012010X2000 | A | 10 B-1 | 5/8X3/8 | 20 | 9,3 | - | 10 | 2,6 | 2000 |  | | 根据要求 | | | 22282-1012015X2000 | A | 10 B-1 | 5/8X3/8 | 20 | 9,3 | - | 15 | 2,6 | 2000 |  | | 根据要求 | | | 22282-1012020X2000 | A | 10 B-1 | 5/8X3/8 | 20 | 9,3 | - | 20 | 2,6 | 2000 |  | | 根据要求 | | | 22282-1212510X2000 | A | 12 B-1 | 3/4X7/16 | 25 | 11,3 | - | 10 | 2,4 | 2000 |  | | 根据要求 | | | 22282-1212515X2000 | A | 12 B-1 | 3/4X7/16 | 25 | 11,3 | - | 15 | 2,4 | 2000 |  | | 根据要求 | | | 22282-1212520X2000 | A | 12 B-1 | 3/4X7/16 | 25 | 11,3 | - | 20 | 2,4 | 2000 |  | | 根据要求 | | | 22282-1614015X2000 | A | 16 B-1 | 1X17mm | 40 | 16 | - | 15 | 3,5 | 2000 |  | | 根据要求 | | | 22282-1614020X2000 | A | 16 B-1 | 1X17mm | 40 | 16 | - | 20 | 3,5 | 2000 |  | | 根据要求 | | | 22282-2014515X2000 | A | 20 B-1 | 1 1/4X3/4 | 45 | 18 | - | 15 | 4,2 | 2000 |  | | 根据要求 | | | 22282-2416015X2000 | A | 24 B-1 | 1 1/2X1 | 60 | 24 | - | 15 | 5,5 | 2000 |  | | 根据要求 | | | 22282-0622510X2000 | B | 06 B-2 | 3/8X7/32 | 25 | 5,4 | 4,8 | 10 | 1,5 | 2000 |  | | 根据要求 | | | 22282-0823510X2000 | B | 08 B-2 | 1/2X5/16 | 35 | 7,4 | 6,4 | 10 | 2,2 | 2000 |  | | 根据要求 | | | 22282-0823515X2000 | B | 08 B-2 | 1/2X5/16 | 35 | 7,4 | 6,4 | 15 | 2,2 | 2000 |  | | 根据要求 | | | 22282-0823520X2000 | B | 08 B-2 | 1/2X5/16 | 35 | 7,4 | 6,4 | 20 | 2,2 | 2000 |  | | 根据要求 | | | 22282-1024010X2000 | B | 10 B-2 | 5/8X3/8 | 40 | 9,3 | 7,1 | 10 | 2,6 | 2000 |  | | 根据要求 | | | 22282-1224510X2000 | B | 12 B-2 | 3/4X7/16 | 45 | 11,3 | 8,1 | 10 | 2,4 | 2000 |  | | 根据要求 | | | 22282-1624815X2000 | B | 16 B-2 | 1X17mm | 48 | 16 | 16 | 15 | 3,5 | 2000 |  | | 根据要求 | | | 22282-2025515X2000 | B | 20 B-1 | 1 1/4X3/4 | 55 | 18 | 19 | 15 | 4,2 | 2000 |  | | 根据要求 | | | 22282-2427220X2000 | B | 24 B-1 | 1 1/2X1 | 72 | 24 | 24 | 20 | 5,5 | 2000 |  | | 根据要求 | |
|
|