norelem 使用 Cookies 以优化设计和持续改进网页。您通过继续使用网页,同意使用 Cookies。在我们的数据保护声明中可以找到有关 Cookies 主题的详细信息。同意
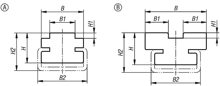
采用超高分子聚乙烯 (UHMW-PE) 制成的滑轨适用于 DIN ISO 606 滚子链 和 C 型轨
22282-05

采用超高分子聚乙烯 (UHMW-PE) 制成的滑轨适用于 DIN ISO 606 滚子链 和 C 型轨

返回

商品描述/产品说明

产品说明材料:PE-UHMW 聚乙烯(超高分子聚乙烯)。规格:绿色。提示:用于滚子链的滑轨符合 DIN ISO 606,滑轨起支撑作用,并在皮带松弛侧引导滚子链,以此来确保延长使用寿命,因为它们明显减少了滚子链的磨损。滑轨减少链传动中产生的震荡和噪音。

滑轨具备很高的耐摩擦磨损性。滑轨均为免维护、耐酸并具有极高的耐化学性。

附加的 C 型轨用于固定设备的底部结构,防止滑轨受到横向力及发生扭转。
温度范围:-200 °C 到 +60 °C(短时温度达 +80 °C)。装配:将滑轨推入固定在设备上的 C 型轨中。

安装滑轨必须要使材料膨胀。热塑性塑料在温度波动时会比金属具有更强的热胀冷缩性。
特点:
RoHS
下载此处为收集信息的 PDF:

查找 CAD 数据?请直接在产品列表中查找。
 Datasheet 22282-05 采用超高分子聚乙烯 (UHMW-PE) 制成的滑轨适用于 DIN ISO 606 滚子链 和 C 型轨 444 kB

图纸

采用超高分子聚乙烯 (UHMW-PE) 制成的滑轨适用于 DIN ISO 606 滚子链 和 C 型轨

商品选择/筛选

订货号类型ISO 编号节距,英寸B

B1B2HH1H2L适配的 C
型面
CAD配件价格订购
22282-05-0812010X2000A08 B-11/2X5/16207,424102,2112000C1 根据要求
22282-05-0811714X2000A08 B-11/2X5/16177,420142,2172000C3 根据要求
22282-05-1011714X2000A10 B-15/8X3/8179,320142,6172000C3 根据要求
22282-05-1212014X2000A12 B-13/4X7/162011,320142,4172000C3 根据要求
22282-05-1212414X2000A12 B-13/4X7/162411,328142,4182000C5 根据要求
22282-05-1612414X2000A16 B-11X17mm241628143,5182000C5 根据要求
22282-05-2012814X2000A20 B-11 1/4X3/4281828144,2182000C5 根据要求
22282-05-2413323X2000A24 B-11 1/2X1332438235,5302000C9 根据要求
22282-05-0822114X2000B08 B-21/2X5/1621,27,420142,2172000C3 根据要求
22282-05-1022514X2000B10 B-25/8X3/825,79,320142,6172000C3 根据要求
22282-05-1223015X2000B12 B-23/4X7/1630,711,328152,4202000C5 根据要求
22282-05-1624820X2000B16 B-21X17mm481638203,5272000C9 根据要求
22282-05-2025522X2000B20 B-21 1/4X3/4551860224,2302000C12 根据要求
22282-05-2427225X2000B24 B-21 1/2X1722460255,5352000C12 根据要求
我的 norelemE-Mail密码
购物车
商品数量: 0
总数: 0.00  
点击购物车
欢迎扫描二维码
咨询诺瑞朗官方客服微信
中国
苏ICP备20011289号-1  苏公网安备32058502011222 网页地图 打印 推荐 Top
Copyright © 2025 norelem. 保留所有权利。 电话 +49 71 45/206-44 至 45 · 传真 +49 71 45/206-83