norelem 使用 Cookies 以优化设计和持续改进网页。您通过继续使用网页,同意使用 Cookies。在我们的数据保护声明中可以找到有关 Cookies 主题的详细信息。同意
塑料制正齿轮,模块 1.25 注塑,竖直啮合,啮合角 20°
22402

塑料制正齿轮,模块 1.25 注塑,竖直啮合,啮合角 20°

返回

商品描述/产品说明

产品说明材料:聚缩醛 (POM) 或聚酮 (PK)。规格:注塑,竖直啮合。啮合角 20°。经过切削加工的钻孔。
白色聚缩醛。
象牙色聚酮。
提示:聚缩醛:高硬度、低摩擦系数的标准材料。
聚缩醛:由于具有极高的耐磨性、极佳的摩擦性能,因此使用寿命更长、功率传输更高、更高防轮齿断裂性的材料。
可在水和其他介质中使用。

注塑齿轮内部可能出现因生产条件产生的缩松点。在钻孔或开槽时,可能看到它们。这样不影响其功能。
温度范围:-40 °C 至 +140 °C(考虑应力强度和持续时间)。说明:表格中说明的扭矩仅涉及啮合,这时既不考虑轴直径,也不考虑滑键尺寸等。承重能力的计算以齿面凹坑承重能力以及出现的齿根应力为基础。齿轮的相应承重能力取决于大量的因素,因此说明的值仅为参考值,以方便选择。扭矩信息是指一个齿轮。根据节圆直径、啮合齿轮等,得出确定可传输扭矩必不可少的重合度。在最简单的直齿啮合情况下,在实践中通常的接触比为 1.1 至 1.25。为了扩大重合度,使用带小模块的大齿数。良好的端面重合度可减少点蚀等损伤。特点:
RoHS
下载此处为收集信息的 PDF:

查找 CAD 数据?请直接在产品列表中查找。
 Datasheet 22402 塑料制正齿轮,模块 1.25 注塑,竖直啮合,啮合角 20° 195 kB

图纸

塑料制正齿轮,模块 1.25 注塑,竖直啮合,啮合角 20°

商品选择/筛选

订货号主体
材料
齿数

D

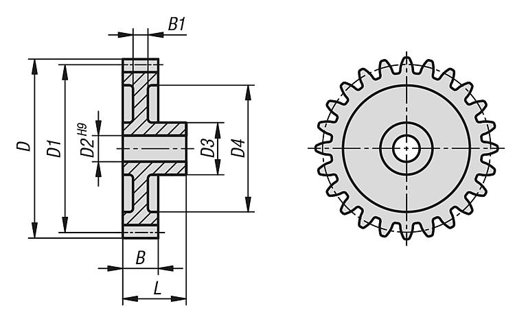
D1D2D3D4BB1L最大
扭矩
Ncm
CAD配件价格订购
22402-1125012聚缩醛1217,51559-10101929,4 根据要求
22402-1125013聚缩醛1318,7516,2559-10101931,9 根据要求
22402-1125014聚缩醛142017,559-10101934,3 根据要求
22402-1125015聚缩醛1521,2518,7559131071936,8 根据要求
22402-1125016聚缩醛1622,52059131071939,7 根据要求
22402-1125017聚缩醛1723,7521,2559131071941,7 根据要求
22402-1125018聚缩醛182522,5512161071944,1 根据要求
22402-1125019聚缩醛1926,2523,75512161071946,6 根据要求
22402-1125020聚缩醛2027,525512161071949 根据要求
22402-1125023聚缩醛2331,2528,7561518,51071956,4 根据要求
22402-1125024聚缩醛2432,530615211071958,9 根据要求
22402-1125025聚缩醛2533,7531,25615211071961,3 根据要求
22402-1125026聚缩醛263532,561823,5105,51963,8 根据要求
22402-1125027聚缩醛2736,2533,7561823,5105,51966,2 根据要求
22402-1125028聚缩醛2837,53581823,5105,51968,7 根据要求
22402-1125030聚缩醛304037,581827105,51973,6 根据要求
22402-1125032聚缩醛3242,54081827105,51978,5 根据要求
22402-1125035聚缩醛3546,2543,7581827105,51985,9 根据要求
22402-1125036聚缩醛3647,54581836105,51988,3 根据要求
22402-1125038聚缩醛385047,581836105,51993,2 根据要求
22402-1125040聚缩醛4052,55081836105,51998,1 根据要求
22402-1125045聚缩醛4558,7556,2582146105,519110,4 根据要求
22402-1125048聚缩醛4862,56082146105,519117,8 根据要求
22402-1125050聚缩醛506562,582146105,519122,7 根据要求
22402-1125052聚缩醛5267,565102156105,519127,6 根据要求
22402-1125054聚缩醛547067,5102156105,519132,5 根据要求
22402-1125056聚缩醛5672,570102156105,519137,4 根据要求
22402-1125060聚缩醛6077,575102166105,519147,2 根据要求
22402-1125064聚缩醛6482,580102166105,519157 根据要求
22402-1125065聚缩醛6583,7581,25102166105,519159,5 根据要求
22402-1125070聚缩醛709087,5102176105,519171,8 根据要求
22402-1125072聚缩醛7292,590122176105,519176,7 根据要求
22402-1125075聚缩醛7596,2593,75102176105,519184 根据要求
22402-1125080聚缩醛80102,5100122486105,519196,3 根据要求
22402-1125090聚缩醛90115112,5122495105,519220,8 根据要求
22402-1125100聚缩醛100127,51251224105,5105,519245,4 根据要求
22402-2125012或聚酮1217,51559-10101930,9 根据要求
22402-2125013或聚酮1318,7516,2559-10101933,5 根据要求
22402-2125014或聚酮142017,559-10101936 根据要求
22402-2125015或聚酮1521,2518,7559131071938,6 根据要求
22402-2125016或聚酮1622,52059131071941,7 根据要求
22402-2125017或聚酮1723,7521,2559131071943,8 根据要求
22402-2125018或聚酮182522,5512161071946,3 根据要求
22402-2125020或聚酮2027,525512161071951,5 根据要求
22402-2125021或聚酮2128,7526,2561518,51071954,1 根据要求
22402-2125024或聚酮2432,530615211071961,8 根据要求
22402-2125025或聚酮2533,7531,25615211071964,4 根据要求
22402-2125026或聚酮263532,561823,5105,51967 根据要求
22402-2125027或聚酮2736,2533,7561823,5105,51969,5 根据要求
22402-2125028或聚酮2837,53581823,5105,51972,1 根据要求
22402-2125030或聚酮304037,581827105,51977,3 根据要求
22402-2125032或聚酮3242,54081827105,51982,4 根据要求
22402-2125035或聚酮3546,2543,7581827105,51990,2 根据要求
22402-2125036或聚酮3647,54581836105,51992,7 根据要求
22402-2125038或聚酮385047,581836105,51997,9 根据要求
22402-2125040或聚酮4052,55081836105,519103 根据要求
22402-2125042或聚酮425552,581836105,519108,2 根据要求
22402-2125045或聚酮4558,7556,2582146105,519115,9 根据要求
22402-2125048或聚酮4862,56082146105,519123,7 根据要求
22402-2125050或聚酮506562,582146105,519128,8 根据要求
22402-2125052或聚酮5267,565102156105,519134 根据要求
22402-2125060或聚酮6077,575102166105,519154,6 根据要求
22402-2125064或聚酮6482,580102166105,519164,9 根据要求
22402-2125065或聚酮6583,7581,25102166105,519167,5 根据要求
22402-2125070或聚酮709087,5102176105,519180,4 根据要求
22402-2125072或聚酮7292,590122176105,519185,5 根据要求
22402-2125075或聚酮7596,2593,75102176105,519193,2 根据要求
22402-2125080或聚酮80102,5100122486105,519206,1 根据要求
22402-2125090或聚酮90115112,5122495105,519231,9 根据要求
22402-2125100或聚酮100127,51251224105,5105,519257,7 根据要求
22402-2125110或聚酮110140137,51224115105,519283,4 根据要求
我的 norelemE-Mail密码
购物车
商品数量: 0
总数: 0.00  
点击购物车
欢迎扫描二维码
咨询诺瑞朗官方客服微信
中国
苏ICP备20011289号-1  苏公网安备32058502011222 网页地图 打印 推荐 Top
Copyright © 2025 norelem. 保留所有权利。 电话 +49 71 45/206-44 至 45 · 传真 +49 71 45/206-83