norelem 使用 Cookies 以优化设计和持续改进网页。您通过继续使用网页,同意使用 Cookies。在我们的数据保护声明中可以找到有关 Cookies 主题的详细信息。同意
塑料制锥形齿轮,传动比 1:2 注塑,竖直啮合,啮合角 20°
22432

塑料制锥形齿轮,传动比 1:2 注塑,竖直啮合,啮合角 20°

返回

商品描述/产品说明

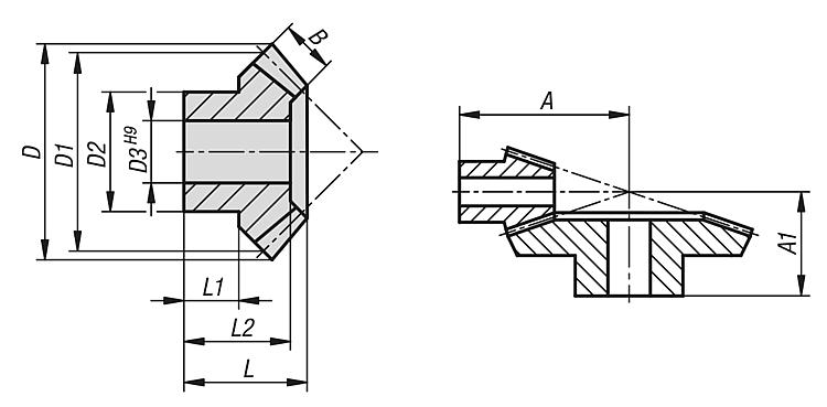
产品说明材料:聚缩醛 (POM) 或聚酮 (PK)。规格:注塑,竖直啮合。啮合角 20°。轴角度 = 90°。
模块 1.5 以上的钻孔,经过切削加工。
白色聚缩醛。
象牙色聚酮。
提示:聚缩醛:高硬度、低摩擦系数的标准材料。
聚缩醛:由于具有极高的耐磨性、极佳的摩擦性能,因此使用寿命更长、功率传输更高、更高防轮齿断裂性的材料。
可在水和其他介质中使用。

注塑齿轮内部可能出现因生产条件产生的缩松点。在钻孔或开槽时,可能看到它们。这样不影响其功能。

锥形齿轮单件提供。如需锥形齿轮对,请为此一起订购配对齿轮。
温度范围:-40 °C 至 +140 °C(考虑应力强度和持续时间)。说明:表格中说明的扭矩仅涉及啮合,这时既不考虑轴直径,也不考虑滑键尺寸等。承重能力的计算以齿面凹坑承重能力以及出现的齿根应力为基础。齿轮的相应承重能力取决于大量的因素,因此说明的值仅为参考值,以方便选择。扭矩信息是指一个齿轮。根据节圆直径、啮合齿轮等,得出确定可传输扭矩必不可少的重合度。在最简单的直齿啮合情况下,在实践中通常的接触比为 1.1 至 1.25。为了扩大重合度,使用带小模块的大齿数。良好的端面重合度可减少点蚀等损伤。特点:
RoHS
下载此处为收集信息的 PDF:

查找 CAD 数据?请直接在产品列表中查找。
 Datasheet 22432 塑料制锥形齿轮,传动比 1:2 注塑,竖直啮合,啮合角 20° 183 kB

图纸

塑料制锥形齿轮,传动比 1:2 注塑,竖直啮合,啮合角 20°

商品选择/筛选

订货号主体
材料
传动

模数齿数

AA1BD

D1D2D3LL1L2最大
扭矩
Ncm
适配
配对齿轮
CAD配件价格订购
22432-110120015聚缩醛1:211526,3-6,416,61512,2517,110,517,11222432-110120030 根据要求
22432-110120030聚缩醛1:2130-20,86,9313018816914,72622432-110120015 根据要求
22432-115120015聚缩醛1:21,51535,8-10,52522,517822,811,722,844,522432-115120030 根据要求
22432-115120030聚缩醛1:21,530-25,910,746,34523,41019,69,617,590,722432-115120015 根据要求
22432-120120015聚缩醛1:221544-14,533,33022,610271226109,322432-120120030 根据要求
22432-120120030聚缩醛1:2230-3514,2626030,21224,51222,4214,122432-120120015 根据要求
22432-125120015聚缩醛1:22,51553,3-17,14237,526,51231,112,729,5201,422432-125120030 根据要求
22432-125120030聚缩醛1:22,530-40,817,477,27535,81629,615,227,6409,922432-125120015 根据要求
22432-130120015聚缩醛1:231563,3-20,2504531,21436,415,334,8342,622432-130120030 根据要求
22432-130120030聚缩醛1:2330-49,920,592,590451837,51933,8695,522432-130120015 根据要求
22432-210120015或聚酮1:211526,3-6,416,61512,2517,110,517,112,622432-210120030 根据要求
22432-210120030或聚酮1:2130-20,86,9313018816914,727,322432-210120015 根据要求
22432-215120015或聚酮1:21,51535,8-10,52522,517822,811,722,846,722432-215120030 根据要求
22432-215120030或聚酮1:21,530-25,910,746,34523,41019,69,617,595,322432-215120015 根据要求
22432-220120015或聚酮1:221544-14,533,33022,610271226114,822432-220120030 根据要求
22432-220120030或聚酮1:2230-3514,2626030,21224,51222,4224,822432-220120015 根据要求
22432-225120015或聚酮1:22,51553,3-17,14237,526,51231,112,729,5211,522432-225120030 根据要求
22432-225120030或聚酮1:22,530-40,817,477,27535,81629,615,227,6430,422432-225120015 根据要求
22432-230120015或聚酮1:231563,3-20,2504531,21436,415,334,8359,822432-230120030 根据要求
22432-230120030或聚酮1:2330-49,920,592,590451837,51933,8730,322432-230120015 根据要求
我的 norelemE-Mail密码
购物车
商品数量: 0
总数: 0.00  
点击购物车
欢迎扫描二维码
咨询诺瑞朗官方客服微信
中国
苏ICP备20011289号-1  苏公网安备32058502011222 网页地图 打印 推荐 Top
Copyright © 2025 norelem. 保留所有权利。 电话 +49 71 45/206-44 至 45 · 传真 +49 71 45/206-83