norelem 使用 Cookies 以优化设计和持续改进网页。您通过继续使用网页,同意使用 Cookies。在我们的数据保护声明中可以找到有关 Cookies 主题的详细信息。同意
钢制旋转阻尼器 右旋、左旋或两侧旋转
26330

钢制旋转阻尼器 右旋、左旋或两侧旋转

返回

商品描述/产品说明

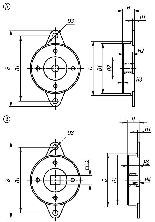
产品说明材料:外壳体采用钢制。
塑料固定杆。
规格:钢制镀锌。提示:旋转阻尼器均为免维护,即装即用型元件用于可控减速以及缓冲转动或直线运动。

旋转阻尼器可确保轻柔地开合小盖罩、盒子和抽屉。旋转阻尼器可保护灵敏组件,提升产品的质量和价值。

旋转阻尼器缓冲右旋、左旋或两侧旋转。

循环率相当于左旋 360° 和右旋 360°。
注意:旋转阻尼器的固定位置不应作为支撑,而是作为外部引导装置。特点:
RoHS
下载此处为收集信息的 PDF:

查找 CAD 数据?请直接在产品列表中查找。
 Datasheet 26330 钢制旋转阻尼器 右旋、左旋或两侧旋转 215 kB

图纸

钢制旋转阻尼器 右旋、左旋或两侧旋转

商品选择/筛选

订货号类型 1类型 2类型扭矩
Nm
最高转速
r/min
循环率
(每分钟循环数)
B

B1D

D1D2D3HH1H2H3H4CAD配件价格订购
26330-65010右旋带钻孔A1±0,3501265564742,864,510,31,2591- 根据要求
26330-65011左旋带钻孔A1±0,3501265564742,864,510,31,2591- 根据要求
26330-65020右旋带钻孔A2±0,3501265564742,864,510,31,2591- 根据要求
26330-65021左旋带钻孔A2±0,3501265564742,864,510,31,2591- 根据要求
26330-79030右旋带钻孔A3±0,3501279685752,4105,513,81,6111- 根据要求
26330-79031左旋带钻孔A3±0,3501279685752,4105,513,81,6111- 根据要求
26330-79040右旋带钻孔A4±0,5501279685752,4105,513,81,6111- 根据要求
26330-79041左旋带钻孔A4±0,5501279685752,4105,513,81,6111- 根据要求
26330-79050右旋带钻孔A5±0,5501279685752,4105,513,81,6111- 根据要求
26330-79051左旋带钻孔A5±0,5501279685752,4105,513,81,6111- 根据要求
26330-79060右旋带钻孔A6±0,5501279685752,4105,513,81,6111- 根据要求
26330-79061左旋带钻孔A6±0,5501279685752,4105,513,81,6111- 根据要求
26330-79070右旋带钻孔A7±0,5501279685752,4105,513,81,6111- 根据要求
26330-79071左旋带钻孔A7±0,5501279685752,4105,513,81,6111- 根据要求
26330-79080右旋带钻孔A8±0,5501279685752,4105,513,81,6111- 根据要求
26330-79081左旋带钻孔A8±0,5501279685752,4105,513,81,6111- 根据要求
26330-65022两侧可转动内四角B2±0,3501265564742,884,510,31,258-1,5 根据要求
26330-65032两侧可转动内四角B3±0,3501265564742,884,510,31,258-1,5 根据要求
26330-65042两侧可转动内四角B4±0,3501265564742,884,510,31,258-1,5 根据要求
26330-79032两侧可转动内四角B3±0,3501279685752,4105,513,81,69-1 根据要求
26330-79042两侧可转动内四角B4±0,5501279685752,4105,513,81,69-1 根据要求
26330-79052两侧可转动内四角B5±0,5501279685752,4105,513,81,69-1 根据要求
26330-79062两侧可转动内四角B6±0,5501279685752,4105,513,81,69-1 根据要求
26330-79072两侧可转动内四角B7±0,5501279685752,4105,513,81,69-1 根据要求
26330-79082两侧可转动内四角B8±0,5501279685752,4105,513,81,69-1 根据要求
我的 norelemE-Mail密码
购物车
商品数量: 0
总数: 0.00  
点击购物车
欢迎扫描二维码
咨询诺瑞朗官方客服微信
减振器
Industrie-Stoßdämpfer Funktionsweise Anwendungsfilm
中国
苏ICP备20011289号-1  苏公网安备32058502011222 网页地图 打印 推荐 Top
Copyright © 2025 norelem. 保留所有权利。 电话 +49 71 45/206-44 至 45 · 传真 +49 71 45/206-83