norelem 使用 Cookies 以优化设计和持续改进网页。您通过继续使用网页,同意使用 Cookies。在我们的数据保护声明中可以找到有关 Cookies 主题的详细信息。同意

商品描述/产品说明

产品说明材料:共聚酯弹性体。规格:材料强度肖氏 40D。提示:适用于紧急停止及持续工作。
节能:35% 至 64%。
动态动力消耗:533 N 至 10110 N。
运行速度:最高 5 米/秒。

结构减震器无需维修且供货时已安装特殊的紧固螺栓。

环境:能抵抗微生物,海水,化学制剂,防紫外线及臭氧。不吸水且不会发胀。
应用:线性滑轨及线性制导,气动缸,手动器械,机械及设备。温度范围:-40 °C 至 +90 °C装配:安装位置:任意。
用 LOCTITE 产品固定紧固螺栓。
特点:
RoHS

图纸

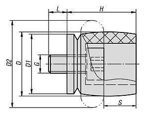
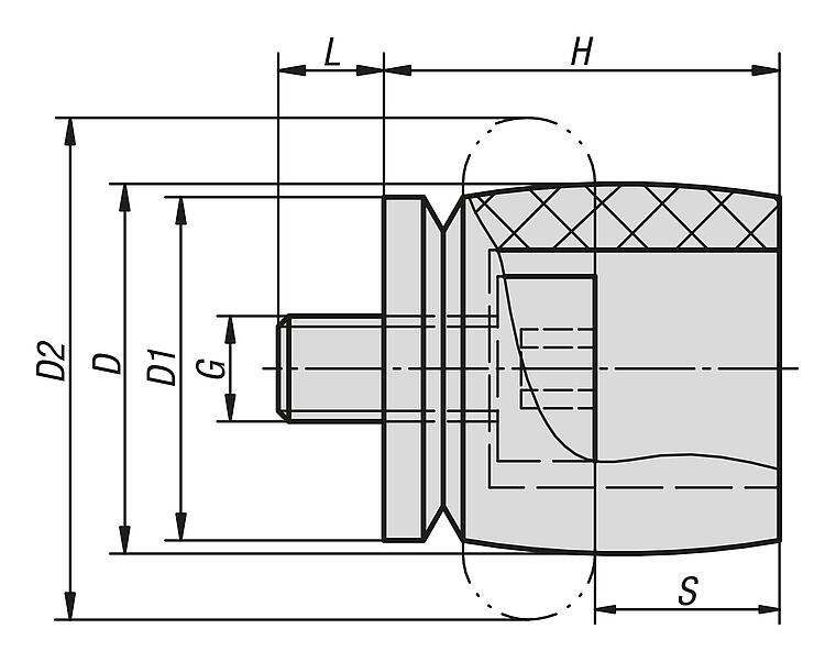
结构减震器 轴向,软缓冲

商品概述(精简)

商品选择/筛选
订货号D

D1D2GHL行程
S
连续负载时每
次最大吸收能量
Nm
紧急停止时每
次最大吸收能量
Nm
安装螺栓
锁紧扭矩
Nm
CAD配件价格订购
26182-01407141319M41547231,7 根据要求
26182-01809181624M51859462,3 根据要求
26182-02010201927M621610676 根据要求
26182-02615262537M62861511,5156 根据要求
26182-03216323044M63261623266 根据要求
26182-03519353348M63661930366 根据要求
26182-04019403451M63861934426 根据要求
26182-04121413855M12411221486350 根据要求
26182-04423444060M12451223637250 根据要求
26182-04825484464M12491225819150 根据要求
26182-05127514769M125212279211450 根据要求
26182-05429545073M1255122912215850 根据要求
26182-05830585378M1259123014915450 根据要求
26182-06132615683M16621632163169120 根据要求
26182-06434646087M16661634208254120 根据要求
我的 norelemE-Mail密码
购物车
商品数量: 0
总数: 0.00  
点击购物车
欢迎扫描二维码
咨询诺瑞朗官方客服微信
中国
苏ICP备20011289号-1  苏公网安备32058502011222 网页地图 打印 推荐 Top
Copyright © 2025 norelem. 保留所有权利。 电话 +49 71 45/206-44 至 45 · 传真 +49 71 45/206-83