norelem 使用 Cookies 以优化设计和持续改进网页。您通过继续使用网页,同意使用 Cookies。在我们的
数据保护声明
中可以找到有关 Cookies 主题的详细信息。
同意
全球分布
创意
AGB
版权说明
数据保护
产品
企业信息
服务
下载
新闻
联系方式
产品概览
固定
灵活的标准件系统
装配
装配系统
运动
用于机床和设备制造的系统/组件
检查
量具检具组件
夹紧
夹紧技术
控制和调节
电动机构
输送
输送和移动技术
technoshop
norelem inch
英制产品目录
26104-01
橡胶金属缓冲器,不锈钢制,圆柱形 C 类,带双面内螺纹,灰色
返回
产品
产品概览
用于机床和设备制造的系统和组件
螺旋压力弹簧、 弹性缓冲、 橡胶金属缓冲器、 减振器、 空气弹簧
橡胶金属缓冲器
橡胶金属缓冲器,不锈钢制,圆柱形 C 类,带双面内螺纹,灰色
商品描述/产品说明
产品说明
材料:
不锈钢 1.4401 金属件。 天然橡胶弹性体,中等硬度 55° Shore A,灰色。
规格:
不锈钢 亮色。
提示:
橡胶金属缓冲器为广泛使用的用于弹性支撑的结构元件。此外,其还用于存放机组、电机、压缩机、泵和测试机。
温度范围:
-30 °C 至 +80 °C
根据要求:
不锈钢 1.4301 金属件。
特点:
下载
此处为收集信息的 PDF:
查找 CAD 数据?请直接在产品列表中查找。
Datasheet 26104-01 橡胶金属缓冲器,不锈钢制,圆柱形 C 类,带双面内螺纹,灰色
224 kB
橡胶金属缓冲器技术资料
221 kB
图纸
商品选择/筛选
订货号
主体
材料
组件
颜色
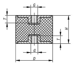
D
H
G
T
弹簧刚度
N/mm
负载
N
CAD
配件
价格
订购
26104-01-01001055
不锈钢
灰色
10
10
M4
4
100
50
根据要求
26104-01-01001555
不锈钢
灰色
10
15
M4
4
50
50
根据要求
26104-01-01501555
不锈钢
灰色
15
15
M4
4
100
100
根据要求
26104-01-02002055
不锈钢
灰色
20
20
M6
5
230
276
根据要求
26104-01-02002555
不锈钢
灰色
20
25
M6
5
120
180
根据要求
26104-01-02502055
不锈钢
灰色
25
20
M6
5
230
276
根据要求
26104-01-02502555
不锈钢
灰色
25
25
M6
5
110
165
根据要求
26104-01-02503055
不锈钢
灰色
25
30
M6
5
80
160
根据要求
26104-01-03002055
不锈钢
灰色
30
20
M8
7
425
637
根据要求
26104-01-03003055
不锈钢
灰色
30
30
M8
7
175
350
根据要求
26104-01-03004055
不锈钢
灰色
30
40
M8
7
133
400
根据要求
26104-01-04003055
不锈钢
灰色
40
30
M8
7
530
1060
根据要求
26104-01-04004055
不锈钢
灰色
40
40
M8
7
222
666
根据要求
26104-01-05003055
不锈钢
灰色
50
30
M10
8
680
1360
根据要求
26104-01-05004055
不锈钢
灰色
50
40
M10
8
333
1000
根据要求
26104-01-05005055
不锈钢
灰色
50
50
M10
8
190
665
根据要求
26104-01-07504055
不锈钢
灰色
75
40
M12
10
750
2250
根据要求
26104-01-07505055
不锈钢
灰色
75
50
M12
10
636
2225
根据要求
本类目的其他商品
<<
|
<
|
1-10
|
11-20
|
21-28
|
>
|
>>
26100
橡胶金属缓冲器,钢制或不锈钢制,圆柱形 A 类,带双面外螺纹
26101
钢制橡胶金属缓冲器,带双面外螺纹的锥形 AT 型
26102
橡胶金属缓冲器,钢制或不锈钢制,圆柱形 B 类,带内外螺纹
26102-01
橡胶金属缓冲器,不锈钢制,圆柱形 B 类,带内外螺纹,灰色
26103
钢制橡胶金属缓冲器,带内螺纹的圆柱形 E 型
26103-01
橡胶金属缓冲器,不锈钢制,圆柱形 E 类,带内螺纹,灰色
26104
橡胶金属缓冲器,钢制或不锈钢制,圆柱形 C 类,带双面内螺纹
26105
钢制橡胶金属缓冲器,带双面内螺纹的锥形 CT 型
26106
橡胶金属缓冲器,钢制或不锈钢制,圆柱形 D 类,带双面外螺纹
26106-01
橡胶金属缓冲器,不锈钢制,圆柱形 D 类,带双面外螺纹,灰色
<<
|
<
|
1-10
|
11-20
|
21-28
|
>
|
>>
我的 norelem
E-Mail
密码
忘记密码
首次登陆
购物车
商品数量:
0
总数:
0.00
€
点击购物车
欢迎扫描二维码
咨询诺瑞朗官方客服微信
Algérie
Andorra
Argentina
Australia
België
Bolivia
Bosna i Hercegovina
Brasil
Canada
Česká republika
Chile
中国
Colombia
Costa Rica
Cuba
Danmark
Dem. Peop. Rep. of Korea
Deutschland
Ecuador
Eesti
España
Georgia
香港
Hrvatska
India
Ireland
Ísland
Italia
Jamaica
日本
Latvija
Liechtenstein
Lietuvos
Luxemburg
Magyarország
Malaysia
Malta
México
Nederland
New Zealand
Norge
Österreich
Pakistan
Paraguay
Perú
Polska
Portugal
Principauté de Monaco
台灣
Rep. di San Marino
대한민국
România
Schweiz
Singapore
Slovenija
Slovensko
South Africa
Suomi
Sverige
Türkiye
United Kingdom
United States of America
Uruguay
Venezuela
Việt Nam
Ελλάδα
Κύπρος
Беларусь
България
Република Србија
Россия
Србија и Црна Гора
Україна
ישראל
الامارات العربية المتحدة
السعودية
ايران
مصر
ประเทศไทย
Chinese
English
苏ICP备20011289号-1
苏公网安备32058502011222
网页地图
打印
推荐
Top
Copyright © 2025 norelem. 保留所有权利。
电话 +49 71 45/206-44 至 45 · 传真 +49 71 45/206-83