norelem 使用 Cookies 以优化设计和持续改进网页。您通过继续使用网页,同意使用 Cookies。在我们的数据保护声明中可以找到有关 Cookies 主题的详细信息。同意
万向接头,带滑动轴承,外螺纹,钢制,DIN ISO 12240-1 可重新润滑
27627-02

万向接头,带滑动轴承, 外螺纹,钢制,DIN ISO 12240-1 可重新润滑

返回

商品描述/产品说明

产品说明材料:尺寸 (D) 5 - 12 易切削钢车削壳体,自尺寸 (D) 14 起的调质钢锻造壳体,带注油嘴。
经硬化、打磨和抛光处理的滚动轴承钢制球形活节。
青铜轴瓦。
规格:镀锌。提示:万向接头滑动轴承可重新润滑。连接尺寸对应 DIN 648 形式系列 KA。
下载此处为收集信息的 PDF:

查找 CAD 数据?请直接在产品列表中查找。
 Datasheet 27627-02 万向接头,带滑动轴承,外螺纹,钢制,DIN ISO 12240-1 可重新润滑 258 kB

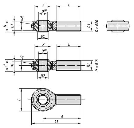
图纸

万向接头,带滑动轴承,外螺纹,钢制,DIN ISO 12240-1 可重新润滑

商品选择/筛选

订货号类型 2主体
材料
AB

D

D1=螺纹D2HH1KLL1α额定负载
动态
kN
额定负载
静态
kN
CAD配件价格订购
27627-02-05右旋螺纹易切削钢33165M57,78611,112041133,255,7 根据要求
27627-02-06右旋螺纹易切削钢36186M68,9696,7512,72245134,37,2 根据要求
27627-02-08右旋螺纹易切削钢42228M810,412915,8752553147,211,6 根据要求
27627-02-10右旋螺纹易切削钢482610M1012,91410,519,052961131014,5 根据要求
27627-02-12右旋螺纹易切削钢543012M1215,4161222,22533691313,417 根据要求
27627-02-14右旋螺纹调质钢603414M1416,91913,525,43677161724 根据要求
27627-02-16右旋螺纹调质钢664016M1619,4211528,57540861521,628,5 根据要求
27627-02-18右旋螺纹调质钢724418M18x1,521,92316,531,754494152642,5 根据要求
27627-02-20右旋螺纹调质钢785020M20x1,524,4251834,925471031431,552,5 根据要求
27627-02-22右旋螺纹调质钢845422M22x1,525,8282038,105111153857 根据要求
27627-02-25右旋螺纹调质钢946025M24x2,029,6312242,86571241547,568 根据要求
27627-02-30右旋螺纹调质钢1107030M30x2,034,8372550,866145176488 根据要求
27627-02-051左旋螺纹易切削钢33165M57,78611,112041133,255,7 根据要求
27627-02-061左旋螺纹易切削钢36186M68,9696,7512,72245134,37,2 根据要求
27627-02-081左旋螺纹易切削钢42228M810,412915,8752553147,211,6 根据要求
27627-02-101左旋螺纹易切削钢482610M1012,91410,519,052961131014,5 根据要求
27627-02-121左旋螺纹易切削钢543012M1215,4161222,22533691313,417 根据要求
27627-02-141左旋螺纹调质钢603414M1416,91913,525,43677161724 根据要求
27627-02-161左旋螺纹调质钢664016M1619,4211528,57540861521,628,5 根据要求
27627-02-181左旋螺纹调质钢724418M18x1,521,92316,531,754494152642,5 根据要求
27627-02-201左旋螺纹调质钢785020M20x1,524,4251834,925471031431,552,5 根据要求
27627-02-221左旋螺纹调质钢845422M22x1,525,8282038,105111153857 根据要求
27627-02-251左旋螺纹调质钢946025M24x2,029,6312242,86571241547,568 根据要求
27627-02-301左旋螺纹调质钢1107030M30x2,034,8372550,866145176488 根据要求
我的 norelemE-Mail密码
购物车
商品数量: 0
总数: 0.00  
点击购物车
欢迎扫描二维码
咨询诺瑞朗官方客服微信
中国
苏ICP备20011289号-1  苏公网安备32058502011222 网页地图 打印 推荐 Top
Copyright © 2025 norelem. 保留所有权利。 电话 +49 71 45/206-44 至 45 · 传真 +49 71 45/206-83