norelem 使用 Cookies 以优化设计和持续改进网页。您通过继续使用网页,同意使用 Cookies。在我们的数据保护声明中可以找到有关 Cookies 主题的详细信息。同意

商品描述/产品说明

查看/筛选所有商品
产品说明材料:

钢或不锈钢 1.4404。

规格:钢制镀锌。
亮色不锈钢。
特点:
RoHS
下载此处为收集信息的 PDF:

查找 CAD 数据?请直接在产品列表中查找。
 Datasheet 27657 角配件 178 kB

图片(总概述)

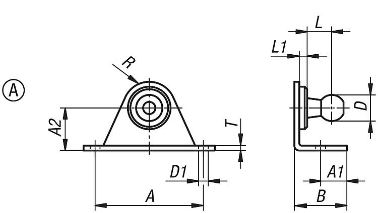
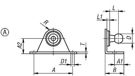
角配件

角配件 A

更多信息

图纸

角配件 A

商品选择/筛选

订货号主体
材料
类型

AA1A2BD

D1LL1RT强度
N
CAD配件价格订购
27657-00810钢制A194,25101083,48341,5180 根据要求
27657-00816钢制A4010162085,383102500 根据要求
27657-01016钢制A40101620105,393102800 根据要求
27657-01316钢制A40101620135,39,531021200 根据要求
27657-008101不锈钢A194,25101083,48341,5180 根据要求
27657-008161不锈钢A4010162085,383102500 根据要求
27657-010161不锈钢A40101620105,393102800 根据要求
27657-013161不锈钢A40101620135,39,531021200 根据要求

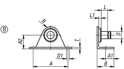
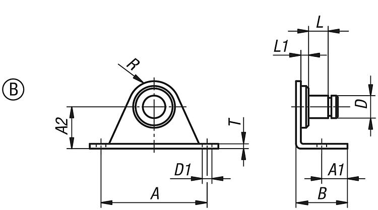
角配件 B

更多信息

图纸

角配件 B

商品选择/筛选

订货号主体
材料
类型

AA1A2BD

D1LL1RT强度
N
CAD配件价格订购
27657-10410钢制B194,25101043,45241,5180 根据要求
27657-10610钢制B194,25101063,47441,5180 根据要求
27657-10616钢制B4010162065,374102500 根据要求
27657-10816钢制B4010162085,31151021200 根据要求
27657-104101不锈钢B194,25101043,45241,5180 根据要求
27657-106101不锈钢B194,25101063,47441,5180 根据要求
27657-106161不锈钢B4010162065,374102500 根据要求
27657-108161不锈钢B4010162085,31151021200 根据要求

本类目的其他商品

我的 norelemE-Mail密码
购物车
商品数量: 0
总数: 0.00  
点击购物车
欢迎扫描二维码
咨询诺瑞朗官方客服微信
中国
苏ICP备20011289号-1  苏公网安备32058502011222 网页地图 打印 推荐 Top
Copyright © 2025 norelem. 保留所有权利。 电话 +49 71 45/206-44 至 45 · 传真 +49 71 45/206-83