norelem 使用 Cookies 以优化设计和持续改进网页。您通过继续使用网页,同意使用 Cookies。在我们的
数据保护声明
中可以找到有关 Cookies 主题的详细信息。
同意
全球分布
创意
AGB
版权说明
数据保护
产品
企业信息
服务
下载
新闻
联系方式
产品概览
固定
灵活的标准件系统
装配
装配系统
运动
用于机床和设备制造的系统/组件
检查
量具检具组件
夹紧
夹紧技术
控制和调节
电动机构
输送
输送和移动技术
technoshop
norelem inch
英制产品目录
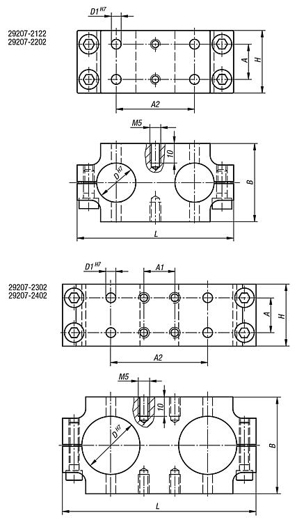
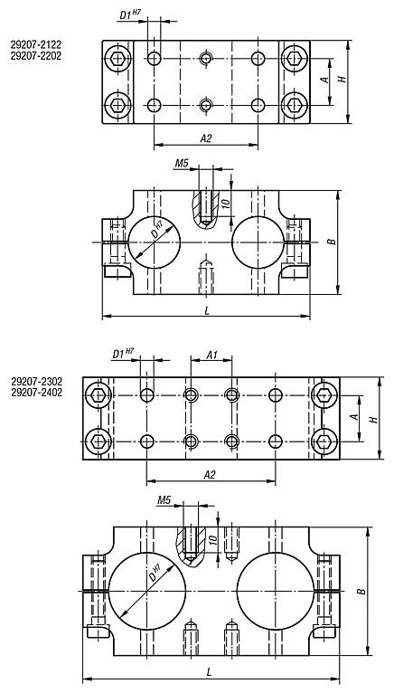
29207
双杆夹紧底座
返回
产品
产品概览
用于机床和设备制造的系统和组件
管材扣件、 管材夹紧件、 管材连接件、 管材、 棒材
棒材
双杆夹紧底座
商品描述/产品说明
产品说明
材料:
铝 EN AW-6060。
规格:
黑色阳极氧化
提示:
四种不同尺寸的双杆底座。带集成安装和定心孔的经处理安装面确保位置精确地安装元件。
图纸提示:
适配孔位置公差:±0.01
孔位置公差:±0.1
特点:
下载
此处为收集信息的 PDF:
查找 CAD 数据?请直接在产品列表中查找。
Datasheet 29207 双杆夹紧底座
193 kB
图纸
商品选择/筛选
订货号
尺寸
A
A1
A2
B
D
D1
H
L
CAD
配件
价格
订购
29207-2122
12
12
-
30
30
12
5
26
60
根据要求
29207-2202
20
18
-
40
40
20
5
32
80
根据要求
29207-2302
30
18
16
50
50
30
5
32
100
根据要求
29207-2402
40
18
26
60
60
40
6
32
120
根据要求
本类目的其他商品
29200
单杆底座
29205
双杆底座
29210
调节单元
29215
调节环
29240
不锈钢杆
我的 norelem
E-Mail
密码
忘记密码
首次登陆
购物车
商品数量:
0
总数:
0.00
€
点击购物车
欢迎扫描二维码
咨询诺瑞朗官方客服微信
Algérie
Andorra
Argentina
Australia
België
Bolivia
Bosna i Hercegovina
Brasil
Canada
Česká republika
Chile
中国
Colombia
Costa Rica
Cuba
Danmark
Dem. Peop. Rep. of Korea
Deutschland
Ecuador
Eesti
España
Georgia
香港
Hrvatska
India
Ireland
Ísland
Italia
Jamaica
日本
Latvija
Liechtenstein
Lietuvos
Luxemburg
Magyarország
Malaysia
Malta
México
Nederland
New Zealand
Norge
Österreich
Pakistan
Paraguay
Perú
Polska
Portugal
Principauté de Monaco
台灣
Rep. di San Marino
대한민국
România
Schweiz
Singapore
Slovenija
Slovensko
South Africa
Suomi
Sverige
Türkiye
United Kingdom
United States of America
Uruguay
Venezuela
Việt Nam
Ελλάδα
Κύπρος
Беларусь
България
Република Србија
Россия
Србија и Црна Гора
Україна
ישראל
الامارات العربية المتحدة
السعودية
ايران
مصر
ประเทศไทย
Chinese
English
苏ICP备20011289号-1
苏公网安备32058502011222
网页地图
打印
推荐
Top
Copyright © 2025 norelem. 保留所有权利。
电话 +49 71 45/206-44 至 45 · 传真 +49 71 45/206-83