norelem 使用 Cookies 以优化设计和持续改进网页。您通过继续使用网页,同意使用 Cookies。在我们的数据保护声明中可以找到有关 Cookies 主题的详细信息。同意
铝制显示器支架,高度可调, 多关节调节
29180-05

铝制显示器支架,高度可调, 多关节调节

返回

商品描述/产品说明

查看/筛选所有商品
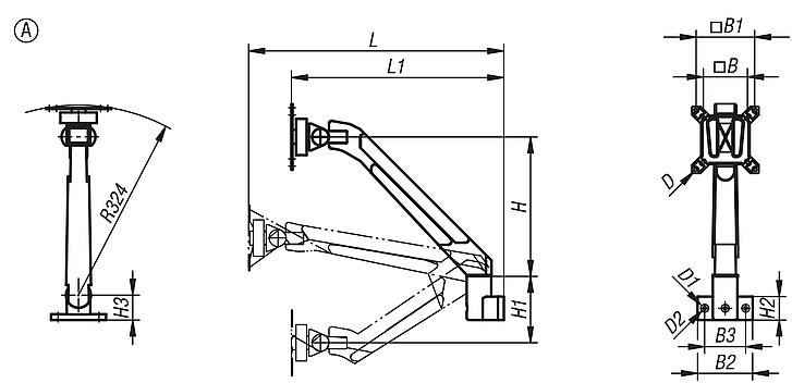
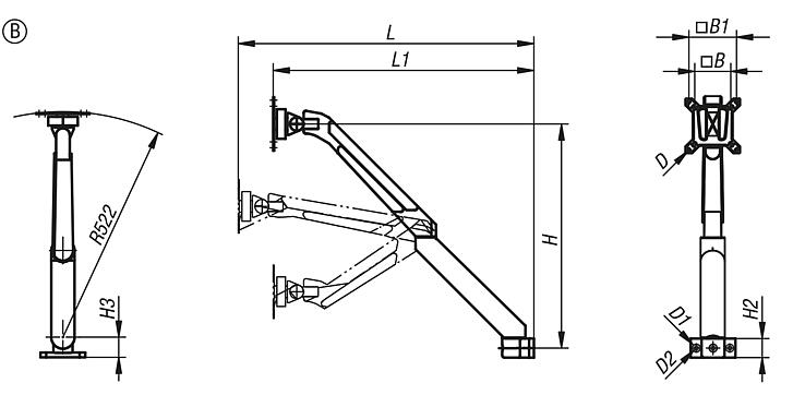
产品说明材料:钢制/塑料止动板。
铝制显示器支架。
塑料轴承垫圈和轴套。
铝制装配法兰。
铝制装配适配器。
钢制螺栓。
规格:止动板经喷漆处理。
显示器支架经喷漆处理。
装配法兰经喷漆处理。
装配适配器经喷漆处理。
镀锌螺栓。
提示:显示器支架可固定高达 20 kg 显示器,无装配需求时可以重新拆下。此外,还可以通过显示器支架的悬臂的调整高度和视角。安装的显示器可 90° 旋转。显示器支架的止动板符合 VESA 75/100 标准。应用:用六角扳手可以调节各轴弹簧弹力大小。供货范围4 轴显示器支架:
1 个 VESA 止动板,含 4 颗 M4x12 螺栓、十字槽。
1 个 4 轴显示器支架,含电缆导向器盖板。
1 颗 DIN 6912、M8x25 装配螺栓。
1 个装配适配器。
2 颗 DIN 6912、M8x16 螺栓。
1 把 SW 3 六角扳手。
1 把 SW 4 六角扳手。

5 轴显示器支架:
1 个 VESA 止动板,含 4 颗 M4x12 螺栓、十字槽。
1 个 5 轴显示器支架,含电缆导向器盖板。
1 颗 DIN 6912、M8x25 装配螺栓。
1 个装配适配器。
2 颗 DIN 6912、M8x16 螺栓。
1 把 SW 3 六角扳手。
1 把 SW 4 六角扳手。
下载此处为收集信息的 PDF:

查找 CAD 数据?请直接在产品列表中查找。
 Datasheet 29180-05 铝制显示器支架,高度可调, 多关节调节 193 kB

图片(总概述)

铝制显示器支架,高度可调, 多关节调节

铝制显示器支架,高度可调,多关节调节,A 型,4 轴

更多信息

图纸

铝制显示器支架,高度可调,多关节调节,A 型,4 轴

商品选择/筛选

订货号类型形状类型B

B1B2B3D

D1D2HH1H2H3LL1承载负荷
kg
CAD配件价格订购
29180-05-4360A4 轴7510094705,313,8923611440434363612-10 根据要求
29180-05-43601A4 轴7510094705,313,8923611440434363618-20 根据要求

铝制显示器支架,高度可调,多关节调节,B 型,5 轴

更多信息

图纸

铝制显示器支架,高度可调,多关节调节,B 型,5 轴

商品选择/筛选

订货号类型形状类型B

B1B2B3D

D1D2HH2LL1承载负荷
kg
CAD配件价格订购
29180-05-6341B5 轴7510094705,313,89464406345602-10 根据要求
29180-05-63411B5 轴7510094705,313,89464406345608-20 根据要求
我的 norelemE-Mail密码
购物车
商品数量: 0
总数: 0.00  
点击购物车
欢迎扫描二维码
咨询诺瑞朗官方客服微信
中国
苏ICP备20011289号-1  苏公网安备32058502011222 网页地图 打印 推荐 Top
Copyright © 2025 norelem. 保留所有权利。 电话 +49 71 45/206-44 至 45 · 传真 +49 71 45/206-83