norelem 使用 Cookies 以优化设计和持续改进网页。您通过继续使用网页,同意使用 Cookies。在我们的数据保护声明中可以找到有关 Cookies 主题的详细信息。同意

商品描述/产品说明

产品说明材料:

精铸不锈钢 1.4308。
圆柱头螺栓 ISO 4762 和六角螺母 ISO 4032,不锈钢制。
大于 Ø30 mm 的六角螺栓 ISO 4017,不锈钢制。

规格:经电解抛光处理。提示:直径为 30 和 40 mm 的管接头配有硅制的螺纹盖板,防止六角螺栓的螺纹脏污或损坏。根据要求:用于固定的夹紧杆。附件:- 圆形管和方形管 29050
特点:
RoHS
下载此处为收集信息的 PDF:

查找 CAD 数据?请直接在产品列表中查找。
 Datasheet 29010 不锈钢制底座管接头 567 kB

图片(总概述)

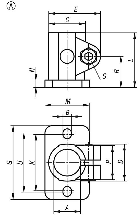
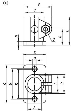
不锈钢制底座管接头

不锈钢制底座管接头,A 型

更多信息

图纸

不锈钢制底座管接头,A 型

商品选择/筛选

订货号类型ABCD

EGKLMNPRSUCAD配件价格订购
29010-112A12,15,72725355038373052321M6x1840 根据要求
29010-114A14,15,72725355038373052321M6x1840 根据要求
29010-116A16,15,72725355038373052321M6x1840 根据要求
29010-118A18,15,72725355038373052321M6x1840 根据要求
29010-120A20,15,72725355038373052321M6x1840 根据要求

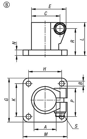
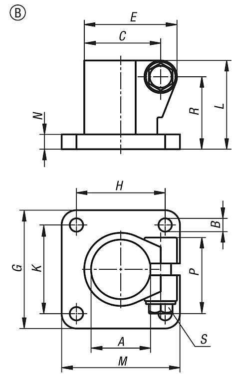
不锈钢制底座管接头,B 型

更多信息

图纸

不锈钢制底座管接头,B 型

商品选择/筛选

订货号类型ABCD

EGHKLMNPRSCAD配件价格订购
29010-130B30,173937,4486040405060745.541M8x30 根据要求
29010-140B40,17951,749,4638060606080105248,7M10x35 根据要求
我的 norelemE-Mail密码
购物车
商品数量: 0
总数: 0.00  
点击购物车
欢迎扫描二维码
咨询诺瑞朗官方客服微信
中国
苏ICP备20011289号-1  苏公网安备32058502011222 网页地图 打印 推荐 Top
Copyright © 2025 norelem. 保留所有权利。 电话 +49 71 45/206-44 至 45 · 传真 +49 71 45/206-83