norelem 使用 Cookies 以优化设计和持续改进网页。您通过继续使用网页,同意使用 Cookies。在我们的数据保护声明中可以找到有关 Cookies 主题的详细信息。同意

商品描述/产品说明

产品说明产品描述:管接头底座用于表面角度连接。它们可以用螺丝固定在机器或机架上。
管接头在球节上有一个可 360° 旋转的连接板。
传感器、反射器和其他元件等组件可以连接到这些组件上并单独调整。适用于需要精确对准和频繁重新调整的组件。
连接板的旋转范围是 60°。
材料:铸铝。
圆柱形螺栓 ISO 4762 和六角螺母 DIN 985,钢制。
规格:经光滑打磨处理。
镀锌圆柱形螺栓和六角螺母。
提示:可与其他尺寸为 18 mm 和 30 mm 的管接头结合使用。

球节的特殊表面涂层可确保高强度夹紧。

拧紧夹紧螺钉的最大扭矩:
M6: 10 Nm。
M8: 25 Nm。
M10: 50 Nm。

关于力和力矩的数据是非约束性的指导值,由于不同的应用条件,如可夹紧型材的温度或表面特性,在个别情况下无法实现。
这些数据不代表产品的质量保证或保证属性。
附件:- 圆形管和方形管 29050
特点:
RoHS
下载此处为收集信息的 PDF:

查找 CAD 数据?请直接在产品列表中查找。
 Datasheet 29010 铝制管接头底脚 带球形接头 458 kB

图片(总概述)

铝制管接头底脚 带球形接头

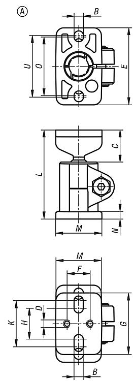
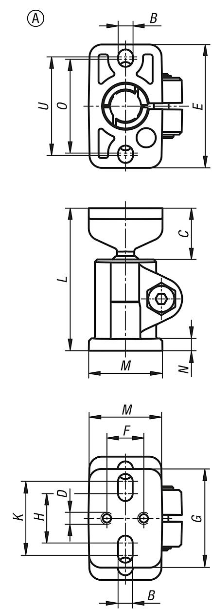
铝制管接头底脚,带球形接头,A 型

更多信息

图纸

铝制管接头底脚,带球形接头,A 型

商品选择/筛选

订货号类型BCD

EFGHKLMNOUMb (Nm)CAD配件价格订购
29010-5181A5,521M5X1050154020305830538409 根据要求

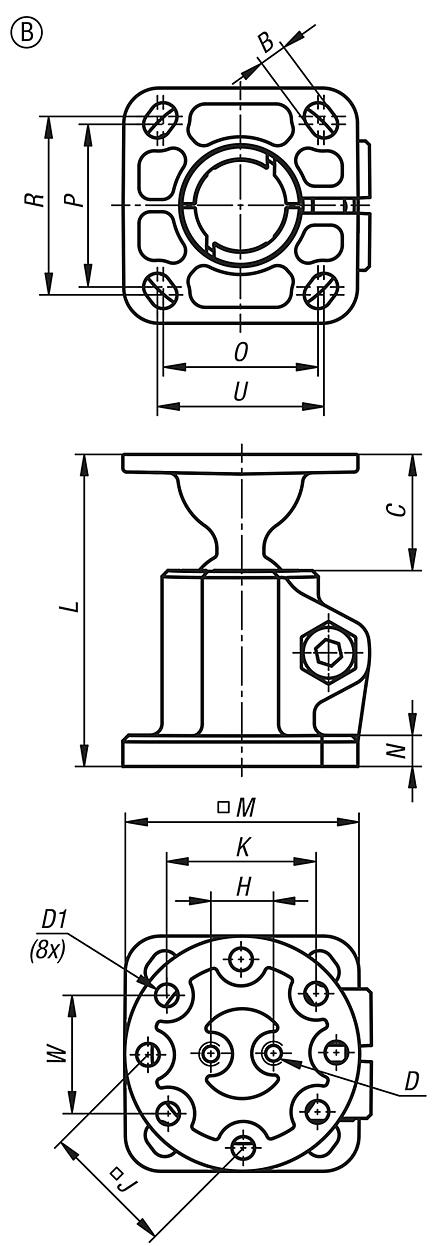
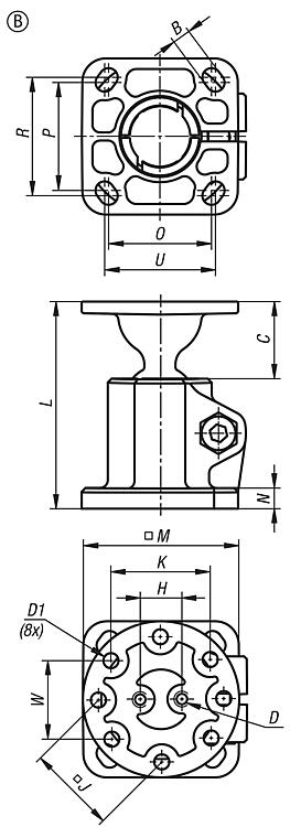
铝制管接头底脚,带球形接头,B 型

更多信息

图纸

铝制管接头底脚,带球形接头,B 型

商品选择/筛选

订货号类型BCD

D1HKLMNOUJPRWMb (Nm)CAD配件价格订购
29010-5301B730M65,81638,18060839,542,53441,545,530,240 根据要求
我的 norelemE-Mail密码
购物车
商品数量: 0
总数: 0.00  
点击购物车
欢迎扫描二维码
咨询诺瑞朗官方客服微信
中国
苏ICP备20011289号-1  苏公网安备32058502011222 网页地图 打印 推荐 Top
Copyright © 2025 norelem. 保留所有权利。 电话 +49 71 45/206-44 至 45 · 传真 +49 71 45/206-83