norelem 使用 Cookies 以优化设计和持续改进网页。您通过继续使用网页,同意使用 Cookies。在我们的
数据保护声明
中可以找到有关 Cookies 主题的详细信息。
同意
全球分布
创意
AGB
版权说明
数据保护
产品
企业信息
服务
下载
新闻
联系方式
产品概览
固定
灵活的标准件系统
装配
装配系统
运动
用于机床和设备制造的系统/组件
检查
量具检具组件
夹紧
夹紧技术
控制和调节
电动机构
输送
输送和移动技术
technoshop
norelem inch
英制产品目录
29022
铝制直型管接头
返回
产品
产品概览
用于机床和设备制造的系统和组件
管材扣件、 管材夹紧件、 管材连接件、 管材、 棒材
管材连接件
铝制直型管接头
商品描述/产品说明
查看/筛选所有商品
产品说明
材料:
铸铝。
圆柱形螺栓 DIN 7984 和六角螺母 DIN 985,钢制。
规格:
经光滑打磨处理。
镀锌圆柱形螺栓和六角螺母。
根据要求:
用于固定的夹紧杆。
附件:
圆形管和方形管 29050.
特点:
下载
此处为收集信息的 PDF:
查找 CAD 数据?请直接在产品列表中查找。
Datasheet 29022 铝制直型管接头
305 kB
图片(总概述)
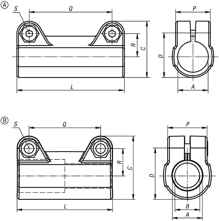
铝制直型管接头,A 型
更多信息
图纸
商品选择/筛选
订货号
类型
A
C
D
L
P
Q
R
S
CAD
配件
价格
订购
29022-52020
A
20,1
53
40
80
33
60
22,5
M8x25
根据要求
29022-52525
A
25,1
53
40
80
33
60
22,5
M8x25
根据要求
29022-53030
A
30,1
53
40
80
33
60
22,5
M8x25
根据要求
29022-54040
A
40,17
73
56
120
40
94
32
M10x30
根据要求
29022-55050
A
50,22
84
66
140
45
114
38
M10x35
根据要求
29022-56060
A
60,27
103
80
150
58
118
47
M12x45
根据要求
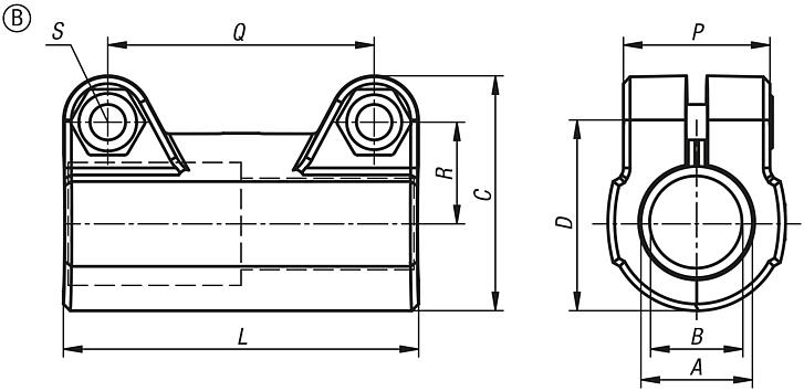
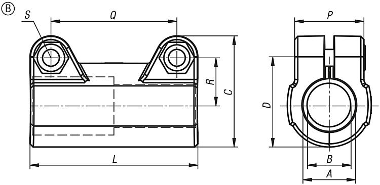
铝制直型管接头,B 型
更多信息
图纸
商品选择/筛选
订货号
类型
A
B
C
D
L
P
Q
R
S
CAD
配件
价格
订购
29022-53025
B
30,1
25,1
53
40
80
33
60
22,5
M8x25
根据要求
29022-54032
B
40,17
32,15
73
56
120
40
94
32
M10x30
根据要求
29022-55040
B
50,22
40,17
84
66
140
45
114
38
M10x35
根据要求
29022-56048
B
60,27
48,27
103
80
150
58
118
47
M12x45
根据要求
本类目的其他商品
<<
|
<
|
1-10
|
11-20
|
21-30
|
31-40
|
41-50
|
51-60
|
61-70
|
>
|
>>
29000
圆管的塑料制十字管管接头,一体式
29000
圆管的铝制十字管管接头,一体式
29000
圆管的铝制十字管管接头,多件式
29000
不锈钢制十字管的管接头
29002
方管的塑料制十字管管接头,多件式
29002
方管的铝制十字管管接头,多件式
29004
圆管和方管的塑料制十字管管接头,多件式
29004
圆管和方管的铝制十字管管接头,多件式
29006
圆管的塑料制 T 型件管接头,一体式
29006
T 型塑料管接头 带球形接头
<<
|
<
|
1-10
|
11-20
|
21-30
|
31-40
|
41-50
|
51-60
|
61-70
|
>
|
>>
我的 norelem
E-Mail
密码
忘记密码
首次登陆
购物车
商品数量:
0
总数:
0.00
€
点击购物车
欢迎扫描二维码
咨询诺瑞朗官方客服微信
Algérie
Andorra
Argentina
Australia
België
Bolivia
Bosna i Hercegovina
Brasil
Canada
Česká republika
Chile
中国
Colombia
Costa Rica
Cuba
Danmark
Dem. Peop. Rep. of Korea
Deutschland
Ecuador
Eesti
España
Georgia
香港
Hrvatska
India
Ireland
Ísland
Italia
Jamaica
日本
Latvija
Liechtenstein
Lietuvos
Luxemburg
Magyarország
Malaysia
Malta
México
Nederland
New Zealand
Norge
Österreich
Pakistan
Paraguay
Perú
Polska
Portugal
Principauté de Monaco
台灣
Rep. di San Marino
대한민국
România
Schweiz
Singapore
Slovenija
Slovensko
South Africa
Suomi
Sverige
Türkiye
United Kingdom
United States of America
Uruguay
Venezuela
Việt Nam
Ελλάδα
Κύπρος
Беларусь
България
Република Србија
Россия
Србија и Црна Гора
Україна
ישראל
الامارات العربية المتحدة
السعودية
ايران
مصر
ประเทศไทย
Chinese
English
苏ICP备20011289号-1
苏公网安备32058502011222
网页地图
打印
推荐
Top
Copyright © 2025 norelem. 保留所有权利。
电话 +49 71 45/206-44 至 45 · 传真 +49 71 45/206-83