|
|
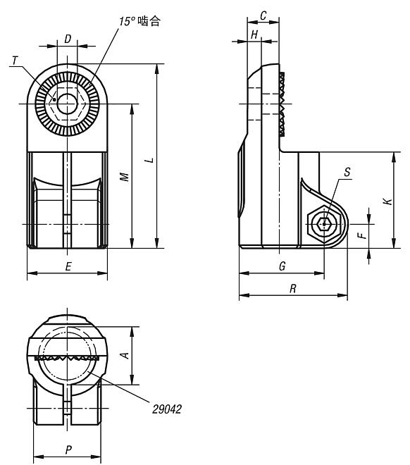
产品说明材料:热塑性塑料 圆柱形螺栓 DIN 7984 和六角螺母 DIN 985,钢制。规格:黑色。 镀锌圆柱形螺栓和六角螺母。提示:带外齿的铰接件管接头可与带内齿的铰接件管接头(29024、29028 或 29030)接合成一个铰接件。 圆形管的基本尺寸为 Ø18 mm 或 Ø30mm。通过变径轴套 29042 可以用于更小直径或者方管。根据要求:用于固定的塑料夹紧杆。附件:- 变径轴套 29042 - 圆形管和方形管 29050特点: 下载此处为收集信息的 PDF:
查找 CAD 数据?请直接在产品列表中查找。
|
| 订货号 | A | C | D
| E | F | G | H | K | L | M | P | R | S | T | CAD | 配件 | 价格 | 订购 |
|---|
| 29026-18 | 18 | 9,9 | 6,1 | 25 | 7,5 | 26,5 | 5,9 | 30 | 57,5 | 45 | 21 | 34 | M6x18 | M6-DIN 985 |  |  | 根据要求 | | | 29026-30 | 30 | 16,5 | 8,1 | 40 | 11 | 41,5 | 6,5 | 45 | 88 | 68 | 28,5 | 52,5 | M8x25 | M8-DIN 985 |  |  | 根据要求 | |
|
|