norelem 使用 Cookies 以优化设计和持续改进网页。您通过继续使用网页,同意使用 Cookies。在我们的
数据保护声明
中可以找到有关 Cookies 主题的详细信息。
同意
全球分布
创意
AGB
版权说明
数据保护
产品
企业信息
服务
下载
新闻
联系方式
产品概览
固定
灵活的标准件系统
装配
装配系统
运动
用于机床和设备制造的系统/组件
检查
量具检具组件
夹紧
夹紧技术
控制和调节
电动机构
输送
输送和移动技术
technoshop
norelem inch
英制产品目录
29104
方形铝制推杆
返回
产品
产品概览
用于机床和设备制造的系统和组件
管材扣件、 管材夹紧件、 管材连接件、 管材、 棒材
管材连接件
方形铝制推杆
商品描述/产品说明
产品说明
材料:
铝制型材管。
铝制终端元件。
钢制轴。
规格:
自然色阳极氧化型材管。
黑色阳极氧化终端元件。
提示:
推杆用于线性移动和定位。滑块通过丝杠移动。这种移动可以通过手轮手动或电动驱动来实现。滑轨在型材导轨上无间隙滑动。
温度范围:
0 °C 至 +60 °C
附件:
用于推杆 85000-50 的不锈钢或铝制执行器。
特点:
下载
此处为收集信息的 PDF:
查找 CAD 数据?请直接在产品列表中查找。
Datasheet 29104 方形铝制推杆
173 kB
图片(总概述)
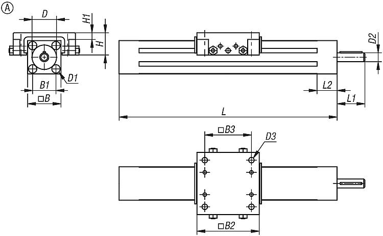
方形铝制推杆,A 型
更多信息
图纸
商品选择/筛选
订货号
类型
形状类型
B
B1
B2
B3
D
D1
D2
D3
H
H1
行程
S
L
L1
L2
轴
EV 类
CAD
配件
价格
订购
29104-030X300
A
单面安装板
30
21
56
42
22
M04x25
8
M6
20
7
204
300
25
18
Tr 14x3
30
根据要求
29104-030X500
A
单面安装板
30
21
56
42
22
M04x25
8
M6
20
7
404
500
25
18
Tr 14x3
30
根据要求
29104-030X800
A
单面安装板
30
21
56
42
22
M04x25
8
M6
20
7
704
800
25
18
Tr 14x3
30
根据要求
29104-040X1000
A
单面安装板
40
29
68
54
28
M05x30
10
M6
26
8
885
1000
28
22
Tr18x4
40
根据要求
29104-040X300
A
单面安装板
40
29
68
54
28
M05x30
10
M6
26
8
185
300
28
22
Tr18x4
40
根据要求
29104-040X500
A
单面安装板
40
29
68
54
28
M05x30
10
M6
26
8
385
500
28
22
Tr18x4
40
根据要求
29104-040X800
A
单面安装板
40
29
68
54
28
M05x30
10
M6
26
8
685
800
28
22
Tr18x4
40
根据要求
29104-050X1000
A
单面安装板
50
38
85
67
35
M06x30
12
M8
33
10
860
1000
30
25
Tr 20x4
50
根据要求
29104-050X500
A
单面安装板
50
38
85
67
35
M06x30
12
M8
33
10
360
500
30
25
Tr 20x4
50
根据要求
29104-050X800
A
单面安装板
50
38
85
67
35
M06x30
12
M8
33
10
660
800
30
25
Tr 20x4
50
根据要求
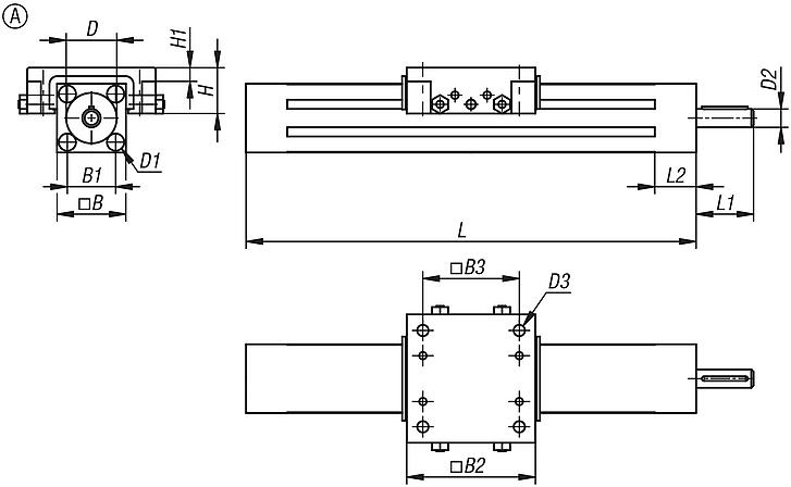
方形铝制推杆,B 型
更多信息
图纸
商品选择/筛选
订货号
类型
形状类型
B
B1
B2
B3
D
D1
D2
D3
H
H1
行程
S
L
L1
L2
轴
EV 类
CAD
配件
价格
订购
29104-130X300
B
双面安装板
30
21
56
42
22
M04x25
8
M6
44
7
204
300
25
18
Tr 14x3
30
根据要求
29104-130X500
B
双面安装板
30
21
56
42
22
M04x25
8
M6
44
7
404
500
25
18
Tr 14x3
30
根据要求
29104-130X800
B
双面安装板
30
21
56
42
22
M04x25
8
M6
44
7
704
800
25
18
Tr 14x3
30
根据要求
29104-140X1000
B
双面安装板
40
29
68
54
28
M05x30
10
M6
56
8
885
1000
28
22
Tr18x4
40
根据要求
29104-140X300
B
双面安装板
40
29
68
54
28
M05x30
10
M6
56
8
185
300
28
22
Tr18x4
40
根据要求
29104-140X500
B
双面安装板
40
29
68
54
28
M05x30
10
M6
56
8
385
500
28
22
Tr18x4
40
根据要求
29104-140X800
B
双面安装板
40
29
68
54
28
M05x30
10
M6
56
8
685
800
28
22
Tr18x4
40
根据要求
29104-150X1000
B
双面安装板
50
38
85
67
35
M06x30
12
M8
70
10
860
1000
30
25
Tr 20x4
50
根据要求
29104-150X500
B
双面安装板
50
38
85
67
35
M06x30
12
M8
70
10
360
500
30
25
Tr 20x4
50
根据要求
29104-150X800
B
双面安装板
50
38
85
67
35
M06x30
12
M8
70
10
660
800
30
25
Tr 20x4
50
根据要求
本类目的其他商品
<<
|
<
|
1-10
|
11-20
|
21-30
|
31-40
|
41-50
|
51-60
|
61-70
|
>
|
>>
29000
圆管的塑料制十字管管接头,一体式
29000
圆管的铝制十字管管接头,一体式
29000
圆管的铝制十字管管接头,多件式
29000
不锈钢制十字管的管接头
29002
方管的塑料制十字管管接头,多件式
29002
方管的铝制十字管管接头,多件式
29004
圆管和方管的塑料制十字管管接头,多件式
29004
圆管和方管的铝制十字管管接头,多件式
29006
圆管的塑料制 T 型件管接头,一体式
29006
T 型塑料管接头 带球形接头
<<
|
<
|
1-10
|
11-20
|
21-30
|
31-40
|
41-50
|
51-60
|
61-70
|
>
|
>>
我的 norelem
E-Mail
密码
忘记密码
首次登陆
购物车
商品数量:
0
总数:
0.00
€
点击购物车
欢迎扫描二维码
咨询诺瑞朗官方客服微信
Algérie
Andorra
Argentina
Australia
België
Bolivia
Bosna i Hercegovina
Brasil
Canada
Česká republika
Chile
中国
Colombia
Costa Rica
Cuba
Danmark
Dem. Peop. Rep. of Korea
Deutschland
Ecuador
Eesti
España
Georgia
香港
Hrvatska
India
Ireland
Ísland
Italia
Jamaica
日本
Latvija
Liechtenstein
Lietuvos
Luxemburg
Magyarország
Malaysia
Malta
México
Nederland
New Zealand
Norge
Österreich
Pakistan
Paraguay
Perú
Polska
Portugal
Principauté de Monaco
台灣
Rep. di San Marino
대한민국
România
Schweiz
Singapore
Slovenija
Slovensko
South Africa
Suomi
Sverige
Türkiye
United Kingdom
United States of America
Uruguay
Venezuela
Việt Nam
Ελλάδα
Κύπρος
Беларусь
България
Република Србија
Россия
Србија и Црна Гора
Україна
ישראל
الامارات العربية المتحدة
السعودية
ايران
مصر
ประเทศไทย
Chinese
English
苏ICP备20011289号-1
苏公网安备32058502011222
网页地图
打印
推荐
Top
Copyright © 2025 norelem. 保留所有权利。
电话 +49 71 45/206-44 至 45 · 传真 +49 71 45/206-83