norelem 使用 Cookies 以优化设计和持续改进网页。您通过继续使用网页,同意使用 Cookies。在我们的
数据保护声明
中可以找到有关 Cookies 主题的详细信息。
同意
全球分布
创意
AGB
版权说明
数据保护
产品
企业信息
服务
下载
新闻
联系方式
产品概览
固定
灵活的标准件系统
装配
装配系统
运动
用于机床和设备制造的系统/组件
检查
量具检具组件
夹紧
夹紧技术
控制和调节
电动机构
输送
输送和移动技术
technoshop
norelem inch
英制产品目录
83000-05
矩形盒状感应式接近开关
返回
产品
产品概览
电动机构
传感器
感应传感器,磁场传感器
矩形盒状感应式接近开关
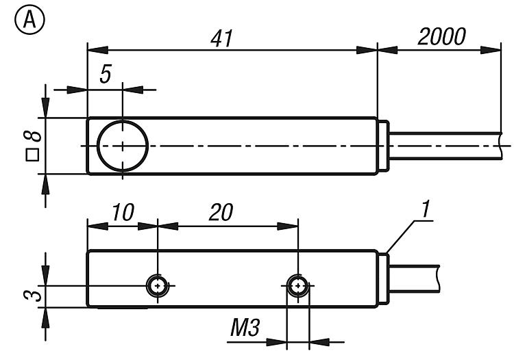
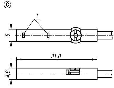
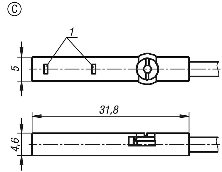
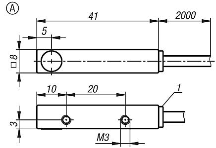
商品描述/产品说明
查看/筛选所有商品
产品说明
材料:
塑料制 A 型壳体。
压铸锌合金制 B 型壳体。 POM 活性表面。
C 型壳体,高合金不锈钢。
规格:
电压:U = 10 - 30 V 直流
功能:常开触点
开关方式:PNP
安装方式:齐平
防护等级:IP 67
提示:
非接触、无磨损工作方式以及高开关频率和开关精度。对振动、灰尘和湿度不敏感。感应式传感器非接触式检测所有金属。
C 型允许在 T 型槽中固定螺栓。节省空间且安全,因为接近开关隐藏在槽中并与槽齐平。
短路和反极性保护。
温度范围:
-25 °C 至 +70 °C
安全:
此产品不适合用作保护人员的传感器。
图纸提示:
1) LED 显示
BN = 棕色
BK = 黑色
BU = 蓝色
特点:
下载
此处为收集信息的 PDF:
查找 CAD 数据?请直接在产品列表中查找。
Datasheet 83000-05 矩形盒状感应式接近开关
209 kB
图片(总概述)
感应式接近开关,A 型
更多信息
图纸
商品选择/筛选
订货号
类型
感应距离
Sn(mm)
电流 I
max.(mA)
开关频率 f
(Hz)
连接方式
引出线数
x
导线截面
CAD
配件
价格
订购
83000-05-005
A
2
100
1500
PUR 电缆
3 x 0,14 mm²
根据要求
感应式接近开关,B 型
更多信息
图纸
商品选择/筛选
订货号
类型
感应距离
Sn(mm)
电流 I
max.(mA)
开关频率 f
(Hz)
连接方式
引出线数
x
导线截面
CAD
配件
价格
订购
83000-05-010
B
1,5
200
5000
连接器 3 针
-
根据要求
感应式接近开关,C 型
更多信息
图纸
商品选择/筛选
订货号
类型
感应距离
Sn(mm)
电流 I
max.(mA)
开关频率 f
(Hz)
连接方式
引出线数
x
导线截面
CAD
配件
价格
订购
83000-05-015
C
1,5
150
4500
TPE-U(PU)-电缆
3 x 0,14 mm²
根据要求
本类目的其他商品
83000
感应式接近开关
圆形外壳
83000-10
电感式接近开关,盒状,带螺纹
83000-15
感应式接近开关
圆形外壳
83001
磁场传感器
83010
带 T 型槽的传感器支架 适用于圆形气缸
我的 norelem
E-Mail
密码
忘记密码
首次登陆
购物车
商品数量:
0
总数:
0.00
€
点击购物车
欢迎扫描二维码
咨询诺瑞朗官方客服微信
Algérie
Andorra
Argentina
Australia
België
Bolivia
Bosna i Hercegovina
Brasil
Canada
Česká republika
Chile
中国
Colombia
Costa Rica
Cuba
Danmark
Dem. Peop. Rep. of Korea
Deutschland
Ecuador
Eesti
España
Georgia
香港
Hrvatska
India
Ireland
Ísland
Italia
Jamaica
日本
Latvija
Liechtenstein
Lietuvos
Luxemburg
Magyarország
Malaysia
Malta
México
Nederland
New Zealand
Norge
Österreich
Pakistan
Paraguay
Perú
Polska
Portugal
Principauté de Monaco
台灣
Rep. di San Marino
대한민국
România
Schweiz
Singapore
Slovenija
Slovensko
South Africa
Suomi
Sverige
Türkiye
United Kingdom
United States of America
Uruguay
Venezuela
Việt Nam
Ελλάδα
Κύπρος
Беларусь
България
Република Србија
Россия
Србија и Црна Гора
Україна
ישראל
الامارات العربية المتحدة
السعودية
ايران
مصر
ประเทศไทย
Chinese
English
苏ICP备20011289号-1
苏公网安备32058502011222
网页地图
打印
推荐
Top
Copyright © 2025 norelem. 保留所有权利。
电话 +49 71 45/206-44 至 45 · 传真 +49 71 45/206-83