|
|
|
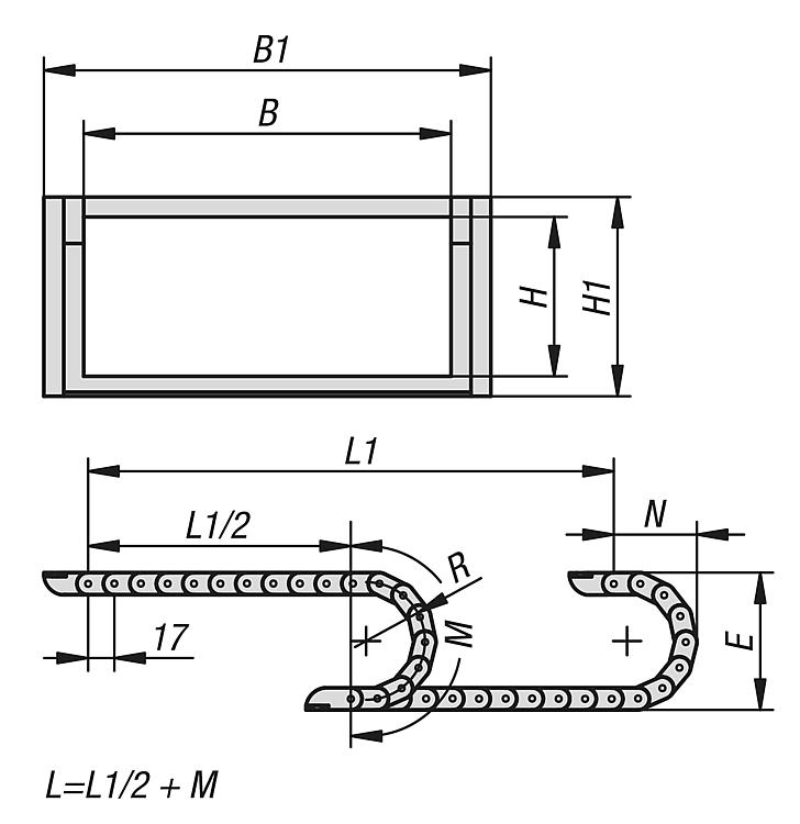
80850拖链 内部高度 12 mm,封闭型 |
返回 |
|
|
产品说明材料:聚酰胺强化玻璃纤维。规格:黑色。封闭型。提示:拖链用于安全引导柔性电源线和数据线以及气动和液压软管。可轻松缩短或延长模块化链条。
该材料具有耐紫外线功能,因此也可用于户外应用。技术参数:自主领域的技术特点: 速度: 10 m/s 加速度: 50 m/s²温度范围:-30 °C 至 +125 °C特点: 下载此处为收集信息的 PDF:
查找 CAD 数据?请直接在产品列表中查找。
|
| 订货号 | B | B1 | H | H1 | L | E | M | N | R | 件数 | 重量 约 kg/m
| 连接元件 | CAD | 配件 | 价格 | 订购 |
|---|
| 80850-120120180 | 12 | 18 | 12 | 15 | 1003 | 51 | 95 | 45 | 18 | 59 | 0,13 | 80850-01-12012 |  | | 根据要求 | |
|
|