norelem 使用 Cookies 以优化设计和持续改进网页。您通过继续使用网页,同意使用 Cookies。在我们的
数据保护声明
中可以找到有关 Cookies 主题的详细信息。
同意
全球分布
创意
AGB
版权说明
数据保护
产品
企业信息
服务
下载
新闻
联系方式
产品概览
固定
灵活的标准件系统
装配
装配系统
运动
用于机床和设备制造的系统/组件
检查
量具检具组件
夹紧
夹紧技术
控制和调节
电动机构
输送
输送和移动技术
technoshop
norelem inch
英制产品目录
81400-30
连接元件, 直径 70 mm 12-230 V AC/DC
返回
产品
产品概览
电动机构
控制和信号装置
信号塔
连接元件, 直径 70 mm 12-230 V AC/DC
商品描述/产品说明
产品说明
材料:
尼龙、玻璃纤维增强连接元件。
聚碳酸酯端盖。
规格:
连接元件和黑色端盖。
提示:
连接元件是后续结构的电力分配器。连接元件上的照明或声学元件可组合成一个信号塔(最多 5 个元件)。连接元件始终配有端盖。端盖用于关闭连接元件或作为顶部照明元件的顶盖。
电气连接通过弹簧端子在连接元件中进行。电缆直径最大 11 mm。
单线导体横截面为 0.5 至 1.5 mm²。
适用于 0.25 至 1.5 mm² 的多股导体和细股导体。
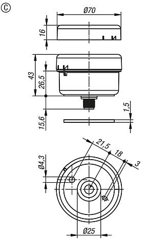
样式 C 通过 M12 插头连接器连接。
证书/满足的标准:
CE、EAC、WEEE、cULus、UKCA、UL(类型 12)。
技术参数:
安装位置:任意。
温度范围:
-20 °C 至 +50 °C。
装配:
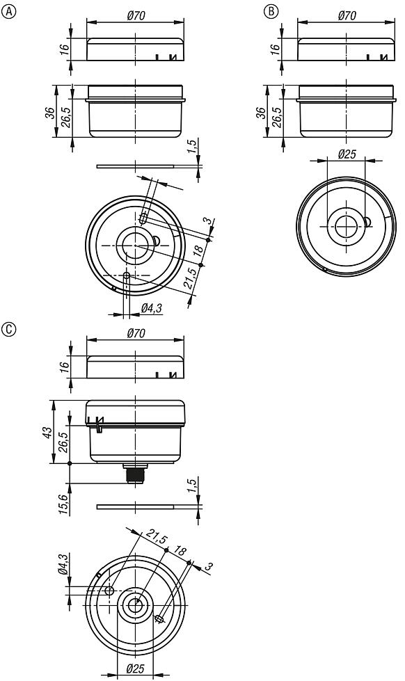
A 型:连接元件,适用于安装在平面上(带密封板)。
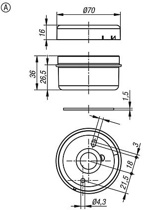
B 型:连接元件,适用于安装在直径 25 mm 的管道上。
C 型:带 M12 插头连接器的连接元件,可安装在平面上或直径 25 mm 的管材上(带密封板)。
特点:
下载
此处为收集信息的 PDF:
查找 CAD 数据?请直接在产品列表中查找。
Datasheet 81400-30 连接元件, 直径 70 mm 12-230 V AC/DC
362 kB
图片(总概述)
连接元件,直径 70 mm 12-230 V AC/DC,A 型
更多信息
图纸
商品选择/筛选
订货号
类型
连接方式
工作电压
V
工作电压类型
绝缘电压
CAD
配件
价格
订购
81400-30-11
A
弹簧端子
12-230
AC/DC
Ui = 250V / Uimp = 2.500V
根据要求
订货号
防护级别
防护等级
脏物程度
过电压类别
CAD
配件
价格
订购
81400-30-11
IP65
II
3
II
根据要求
连接元件,直径 70 mm 12-230 V AC/DC,B 型
更多信息
图纸
商品选择/筛选
订货号
类型
连接方式
工作电压
V
工作电压类型
绝缘电压
CAD
配件
价格
订购
81400-30-12
B
弹簧端子
12-230
AC/DC
Ui = 250V / Uimp = 2.500V
根据要求
订货号
防护级别
防护等级
脏物程度
过电压类别
CAD
配件
价格
订购
81400-30-12
IP65
II
3
II
根据要求
连接元件,直径 70 mm 12-230 V AC/DC,C 型
更多信息
图纸
商品选择/筛选
订货号
类型
连接方式
工作电压
V
工作电压类型
电流负载能力
CAD
配件
价格
订购
81400-30-13
C
M12 8 针,A-编码
10-31,6±0%
DC
2A
根据要求
订货号
防护级别
防护等级
脏物程度
过电压类别
CAD
配件
价格
订购
81400-30-13
IP65
III
3
II
根据要求
本类目的其他商品
81400-20
信号塔,LED 绿色、黄色、红色,整套设备 直径 70 mm
81400-22
照明元件 LED,直径 70 mm 24 V AC/DC
81400-25
警报器元件,连续/交替音,直径 70 mm 24 V AC/DC
81400-28
蜂鸣器元件,连续/脉冲音, 直径 70 mm 24 V AC/DC
81400-32
带有直径 25 mm 集成式管材的支座
81400-35
直径 25 mm 管材的支座
81400-39
管材直径 25 mm
我的 norelem
E-Mail
密码
忘记密码
首次登陆
购物车
商品数量:
0
总数:
0.00
€
点击购物车
欢迎扫描二维码
咨询诺瑞朗官方客服微信
Algérie
Andorra
Argentina
Australia
België
Bolivia
Bosna i Hercegovina
Brasil
Canada
Česká republika
Chile
中国
Colombia
Costa Rica
Cuba
Danmark
Dem. Peop. Rep. of Korea
Deutschland
Ecuador
Eesti
España
Georgia
香港
Hrvatska
India
Ireland
Ísland
Italia
Jamaica
日本
Latvija
Liechtenstein
Lietuvos
Luxemburg
Magyarország
Malaysia
Malta
México
Nederland
New Zealand
Norge
Österreich
Pakistan
Paraguay
Perú
Polska
Portugal
Principauté de Monaco
台灣
Rep. di San Marino
대한민국
România
Schweiz
Singapore
Slovenija
Slovensko
South Africa
Suomi
Sverige
Türkiye
United Kingdom
United States of America
Uruguay
Venezuela
Việt Nam
Ελλάδα
Κύπρος
Беларусь
България
Република Србија
Россия
Србија и Црна Гора
Україна
ישראל
الامارات العربية المتحدة
السعودية
ايران
مصر
ประเทศไทย
Chinese
English
苏ICP备20011289号-1
苏公网安备32058502011222
网页地图
打印
推荐
Top
Copyright © 2025 norelem. 保留所有权利。
电话 +49 71 45/206-44 至 45 · 传真 +49 71 45/206-83