|
|
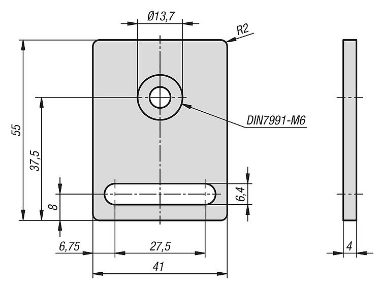
产品说明材料:铝制连接板。 钢制 T 型螺母。 不锈钢圆柱头螺栓。规格:连接板阳极氧化。 T 型螺母镀锌。 圆柱头螺栓 A2-70。提示:LED 灯具的安装配件,带槽。连接板可将灯具固定在型槽和表面构件上。供货范围2 片连接板。 2 颗 8 号槽 T 型螺母 - M6。 2 颗 10 号槽 T 型螺母 - M6。 2 颗沉头螺栓 M5x18。特点: 下载此处为收集信息的 PDF:
查找 CAD 数据?请直接在产品列表中查找。
|
订货号 | 名称 | CAD | 配件 | 价格 | 订购 |
|---|
| 86090-554186 | 连接板 |  | | 根据要求 | |
|
|