norelem 使用 Cookies 以优化设计和持续改进网页。您通过继续使用网页,同意使用 Cookies。在我们的数据保护声明中可以找到有关 Cookies 主题的详细信息。同意

商品描述/产品说明

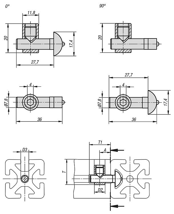
产品说明材料:钢制。规格:镀锌。提示:连接套件适用于两个铝制型材的直角连接。连接套件允许自由定位型材。对接的型材凹槽未占用。平面元件可以直接卡到型材槽内,无需额外加工处理。

由于夹紧力小且无旋转固定,该连接套件仅适用于连接平面元件和负载较轻的结构。

安装成本较低。为了装配需要在其中一个型材侧面钻安装孔,端面中心钻底孔。
特点:
 RoHS
下载此处为收集信息的 PDF:

查找 CAD 数据?请直接在产品列表中查找。
 Datasheet 10204 中心连接套件 I型 290 kB

图纸

中心连接套件 I型

商品选择/筛选

订货号型号槽宽规格

AD2D3TT1CAD配件价格订购
10204-0800I8151282828 根据要求
10204-0890I890°151282828 根据要求
我的 norelemE-Mail密码
购物车
商品数量: 0
总数: 0.00  
点击购物车
欢迎扫描二维码
咨询诺瑞朗官方客服微信
中国
苏ICP备20011289号-1  苏公网安备32058502011222 网页地图 打印 推荐 Top
Copyright © 2025 norelem. 保留所有权利。 电话 +49 71 45/206-44 至 45 · 传真 +49 71 45/206-83