|
|
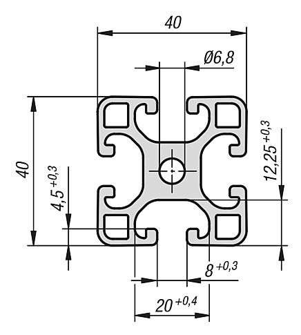
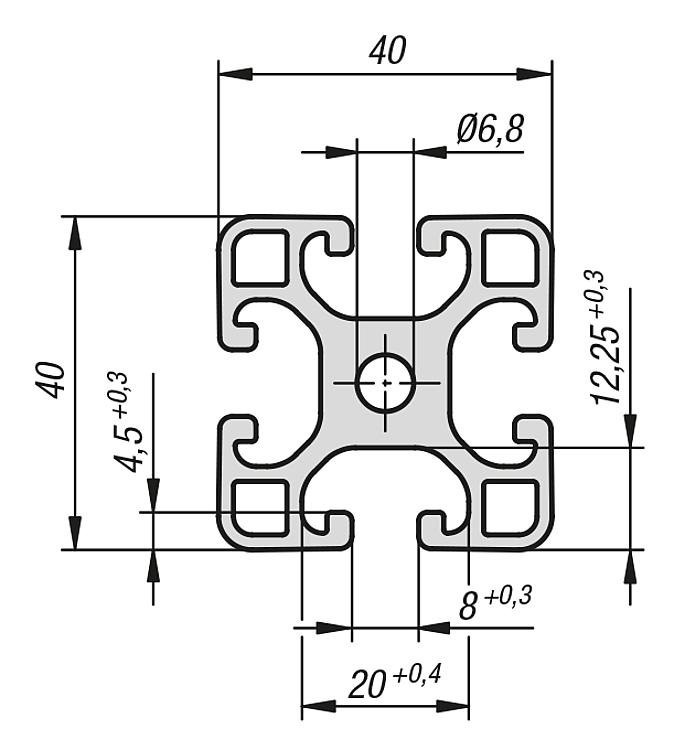
产品说明材料:铝制 EN AW-6063 T66 (AlMgSi0.5 F25)。规格:高温时效,自然色阳极氧化。提示:轻型铝制型材用于优化重量的结构。根据要求:斜角裁切 15°、30° 和 45°。 下载此处为收集信息的 PDF:
查找 CAD 数据?请直接在产品列表中查找。
|
| 订货号 | 槽宽 | 型材 | L | Ix cm⁴ | Iy cm⁴ | Wx cm³ | Wy cm³ | 剖面区 cm² | F1 max. kN | 重量 约 kg/m
| CAD | 配件 | 价格 | 订购 |
|---|
| 10045-084040X1000 | 8 | 40x40 | 1000 | 9,1 | 9,1 | 4,55 | 4,55 | 6,47 | 2,5 | 1,75 |  | | 根据要求 | | | 10045-084040X2000 | 8 | 40x40 | 2000 | 9,1 | 9,1 | 4,55 | 4,55 | 6,47 | 2,5 | 1,69 |  | | 根据要求 | | | 10045-084040X3000 | 8 | 40x40 | 3000 | 9,1 | 9,1 | 4,55 | 4,55 | 6,47 | 2,5 | 1,69 |  | | 根据要求 | | | 10045-084040X4000 | 8 | 40x40 | 4000 | 9,1 | 9,1 | 4,55 | 4,55 | 6,47 | 2,5 | 1,69 |  | | 根据要求 | | | 10045-084040X5000 | 8 | 40x40 | 5000 | 9,1 | 9,1 | 4,55 | 4,55 | 6,47 | 2,5 | 1,69 |  | | 根据要求 | | | 10045-084040X6000 | 8 | 40x40 | 6000 | 9,1 | 9,1 | 4,55 | 4,55 | 6,47 | 2,5 | 1,69 |  | | 根据要求 | |
是否未显示所需长度?
请立即联系我们的专业人员。 最大交货长度为 6000mm。
立即订购在此处。 |
|
|