norelem 使用 Cookies 以优化设计和持续改进网页。您通过继续使用网页,同意使用 Cookies。在我们的
数据保护声明
中可以找到有关 Cookies 主题的详细信息。
同意
全球分布
创意
AGB
版权说明
数据保护
产品
企业信息
服务
下载
新闻
联系方式
产品概览
固定
灵活的标准件系统
装配
装配系统
运动
用于机床和设备制造的系统/组件
检查
量具检具组件
夹紧
夹紧技术
控制和调节
电动机构
输送
输送和移动技术
technoshop
norelem inch
英制产品目录
95025
带弹性实心橡胶胎面钢板转向轮和脚轮,中型规格
返回
产品
产品概览
输送和移动技术
输送和移动技术
轮和辊
带弹性实心橡胶胎面钢板转向轮和脚轮,中型规格
商品描述/产品说明
查看/筛选所有商品
产品说明
材料:
钢板制壳体。
高品质聚氨酯弹性体车轮。
压铸铝制轮体。
规格:
压制壳体。带双球轴承(转动环中)的转向壳体。装有滚珠轴承的车轮。
提示:
拧紧轮轴。
带安装板的转向轮和脚轮。
应用:
通过操作可轻松地将重物从 A 地运输至 B 地。新的车轮系列专为在内部物流中高负载的应用而开发,减少了滚动和旋转阻力。
温度范围:
-25 °C 至 +70 °C
下载
此处为收集信息的 PDF:
查找 CAD 数据?请直接在产品列表中查找。
Datasheet 95025 带弹性实心橡胶胎面钢板转向轮和脚轮,中型规格
427 kB
图片(总概述)
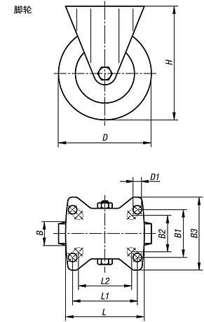
带弹性实心橡胶胎面钢板脚轮,中型规格
更多信息
图纸
商品选择/筛选
订货号
名称
滚轮轴承
B
B1
B2
B3
D
D1
H
L
L1
L2
承载负荷
kg
CAD
配件
价格
订购
95025-101000401
脚轮
滚珠轴承
40
60
55
85
100
9
125
100
80
76
200
根据要求
95025-101250401
脚轮
滚珠轴承
40
60
55
85
125
9
150
100
80
76
200
根据要求
95025-101500501
脚轮
滚珠轴承
50
80
75
110
150
11
190
140
105
-
400
根据要求
95025-101600501
脚轮
滚珠轴承
50
80
75
110
160
11
195
140
105
-
400
根据要求
95025-102000501
脚轮
滚珠轴承
50
80
75
110
200
11
235
140
105
-
400
根据要求
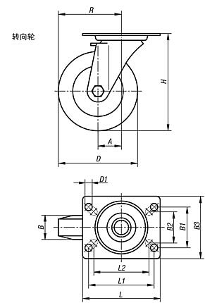
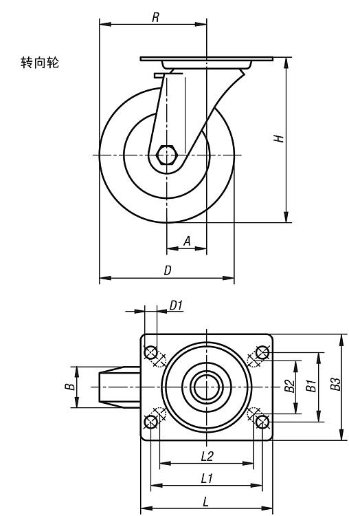
带弹性实心橡胶胎面钢板转向轮,中型规格
更多信息
图纸
商品选择/筛选
订货号
名称
滚轮轴承
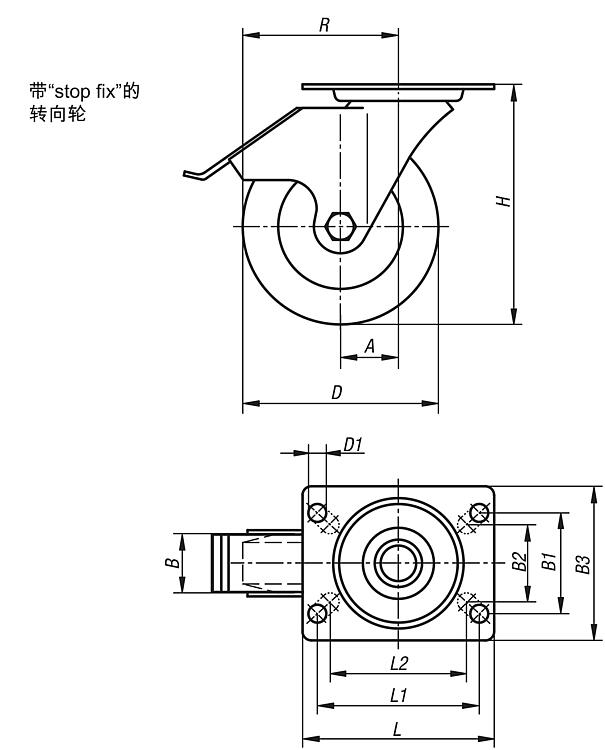
A
B
B1
B2
B3
D
D1
H
L
L1
L2
R
承载负荷
kg
CAD
配件
价格
订购
95025-10100040
转向轮
滚珠轴承
36
40
60
55
85
100
9
125
100
80
76
86
200
根据要求
95025-10125040
转向轮
滚珠轴承
40
40
60
55
85
125
9
150
100
80
76
102,5
200
根据要求
95025-10150050
转向轮
滚珠轴承
60
50
80
75
110
150
11
190
140
105
-
135
400
根据要求
95025-10160050
转向轮
滚珠轴承
60
50
80
75
110
160
11
195
140
105
-
140
400
根据要求
95025-10200050
转向轮
滚珠轴承
65
50
80
75
110
200
11
235
140
105
-
165
400
根据要求
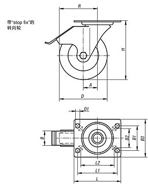
带“stop fix”和弹性实心橡胶胎面钢板转向轮,中型规格
更多信息
图纸
商品选择/筛选
订货号
名称
滚轮轴承
A
B
B1
B2
B3
D
D1
H
L
L1
L2
R
承载负荷
kg
CAD
配件
价格
订购
95025-101000402
转向轮
滚珠轴承
36
40
60
55
85
100
9
125
100
80
76
86
200
根据要求
95025-101250402
转向轮
滚珠轴承
40
40
60
55
85
125
9
150
100
80
76
102,5
200
根据要求
95025-101500502
转向轮
滚珠轴承
60
50
80
75
110
150
11
190
140
105
-
135
400
根据要求
95025-101600502
转向轮
滚珠轴承
60
50
80
75
110
160
11
195
140
105
-
140
400
根据要求
95025-102000502
转向轮
滚珠轴承
65
50
80
75
110
200
11
235
140
105
-
165
400
根据要求
本类目的其他商品
<<
|
<
|
1-10
|
11-20
|
21-30
|
31-40
|
41-43
|
>
|
>>
95010
带实心橡胶轮胎的仪器转向轮和脚轮,标准型
95010
转向轮和脚轮,导电,带橡胶胎面,标准型
95012
带标准实心橡胶轮胎的钢板转向轮和脚轮,重型规格
95012
钢板转向轮和脚轮,导电,带橡胶胎面,重型规格
95016
带实心橡胶轮胎钢板转向轮和脚轮,标准型
95016
钢板转向轮和脚轮,导电,带橡胶胎面,标准型
95018
带硫化弹性实心橡胶轮胎的钢板转向轮和脚轮,标准型
95020
带钢丝加强弹性实心橡胶轮胎的钢板转向轮和脚轮,重型规格
95024
带耐磨聚氨酯胎面钢板转向轮和脚轮,标准型
95025-01
带聚氨酯弹性体胎面钢板转向轮和脚轮,重型规格
<<
|
<
|
1-10
|
11-20
|
21-30
|
31-40
|
41-43
|
>
|
>>
我的 norelem
E-Mail
密码
忘记密码
首次登陆
购物车
商品数量:
0
总数:
0.00
€
点击购物车
欢迎扫描二维码
咨询诺瑞朗官方客服微信
Algérie
Andorra
Argentina
Australia
België
Bolivia
Bosna i Hercegovina
Brasil
Canada
Česká republika
Chile
中国
Colombia
Costa Rica
Cuba
Danmark
Dem. Peop. Rep. of Korea
Deutschland
Ecuador
Eesti
España
Georgia
香港
Hrvatska
India
Ireland
Ísland
Italia
Jamaica
日本
Latvija
Liechtenstein
Lietuvos
Luxemburg
Magyarország
Malaysia
Malta
México
Nederland
New Zealand
Norge
Österreich
Pakistan
Paraguay
Perú
Polska
Portugal
Principauté de Monaco
台灣
Rep. di San Marino
대한민국
România
Schweiz
Singapore
Slovenija
Slovensko
South Africa
Suomi
Sverige
Türkiye
United Kingdom
United States of America
Uruguay
Venezuela
Việt Nam
Ελλάδα
Κύπρος
Беларусь
България
Република Србија
Россия
Србија и Црна Гора
Україна
ישראל
الامارات العربية المتحدة
السعودية
ايران
مصر
ประเทศไทย
Chinese
English
苏ICP备20011289号-1
苏公网安备32058502011222
网页地图
打印
推荐
Top
Copyright © 2025 norelem. 保留所有权利。
电话 +49 71 45/206-44 至 45 · 传真 +49 71 45/206-83