|
|
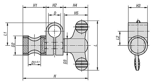
产品说明材料:钢制套筒和销柱。 高强度铝制夹紧件。 热塑性塑料制蝶形旋钮,黑灰色。规格:高光泽镀铬套筒和销柱。 经黑色阳极氧化处理的夹紧件。提示:可无级调节。通过蝶形旋钮快速夹紧。根据要求:直径 D 和 D1 的不同组合。 下载此处为收集信息的 PDF:
查找 CAD 数据?请直接在产品列表中查找。
|
| 订货号 | 尺寸 | D | D1 | D2 | D3 | H | H1 | H2 | H3 | H4 | H5 | L | L1 | L2 | CAD | 配件 | 价格 | 订购 |
|---|
| 31156-0606 | 1 | 6 | 6 | 14 | 12 | 43,6 | 15 | 9 | 14 | 19,6 | 18 | 38 | 13 | 8,5 |  | | 根据要求 | | | 31156-0808 | 2 | 8 | 8 | 16 | 14 | 54,6 | 17 | 12 | 16 | 25,6 | 24 | 50 | 18 | 12 |  | | 根据要求 | | | 31156-1010 | 3 | 10 | 10 | 18 | 14 | 60,6 | 20 | 15 | 18 | 25,6 | 24 | 50 | 22 | 14,5 |  | | 根据要求 | | | 31156-1212 | 4 | 12 | 12 | 20 | 21 | 77,2 | 23 | 17 | 20 | 37,2 | 35,6 | 75 | 24 | 15,5 |  | | 根据要求 | | | 31156-1616 | 5 | 16 | 16 | 25 | 21 | 90,2 | 31 | 22 | 25 | 37,2 | 35,6 | 75 | 29,5 | 18,5 |  | | 根据要求 | | | 31156-2020 | 6 | 20 | 20 | 30 | 21 | 98,2 | 36 | 25 | 30 | 37,2 | 35,6 | 75 | 30 | 17,5 |  | | 根据要求 | |
|
|