|
|
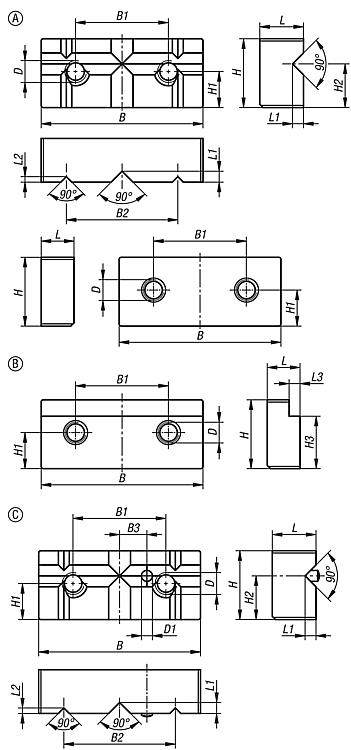
产品说明材料:不锈钢。提示:用于 33225-10 精密虎钳的可换顶爪。
A 型:顶爪套件包括棱柱钳口和平滑钳口。 B 型:阶梯顶爪。 C 型:棱柱钳口带限位销。供货范围A 型:1 个棱形钳口和 1 个平滑钳口。 B 型:1 个阶梯顶爪。 C 型:1 个棱柱钳口带限位销。特点: 下载此处为收集信息的 PDF:
查找 CAD 数据?请直接在产品列表中查找。
|
| 订货号 | 类型 1 | 类型 2 | 类型 | VPE | B | B1 | B2 | B3 | D
| D1 | H | H1 | H2 | H3 | L | L1 | L2 | L3 | CAD | 配件 | 价格 | 订购 |
|---|
| 33225-15-1520 | 1 件,棱柱钳口 | 1 件,光滑钳口 | A | komplet | 15 | 8,5 | 10,2 | - | M2 | - | 6,3 | 3,3 | 4 | - | 4/3 | 1 | 0,5 | - |  | | 根据要求 | | | 33225-15-2520 | 1 件,棱柱钳口 | 1 件,光滑钳口 | A | komplet | 25 | 15 | 17 | - | M4 | - | 10,3 | 5 | 7 | - | 6,2/4,5 | 2 | 1 | - |  | | 根据要求 | | | 33225-15-3520 | 1 件,棱柱钳口 | 1 件,光滑钳口 | A | komplet | 35 | 21 | 23,8 | - | M5 | - | 14,4 | 7 | 9,8 | - | 8,2/6 | 2,5 | 1,8 | - |  | | 根据要求 | | | 33225-15-1501 | 光滑 | 偏移型 | B | - | 15 | 8,5 | - | - | M2 | - | 6,3 | 3,3 | - | 4,8 | 3 | - | - | 1 |  | | 根据要求 | | | 33225-15-2501 | 光滑 | 偏移型 | B | - | 25 | 15 | - | - | M4 | - | 10,3 | 5 | - | 8,5 | 4,5 | - | - | 1,3 |  | | 根据要求 | | | 33225-15-3501 | 光滑 | 偏移型 | B | - | 35 | 21 | - | - | M5 | - | 14,4 | 7 | - | 12,4 | 6 | - | - | 1,5 |  | | 根据要求 | | | 33225-15-1511 | 棱柱 | 带限位销 | C | - | 15 | 8,5 | 10,2 | 2,5 | M2 | 1 | 6,3 | 3,3 | 4 | - | 4 | 1 | 0,5 | - |  | | 根据要求 | | | 33225-15-2511 | 棱柱 | 带限位销 | C | - | 25 | 15 | 17 | 4 | M4 | 2 | 10,3 | 5 | 7 | - | 6,2 | 2 | 1 | - |  | | 根据要求 | | | 33225-15-3511 | 棱柱 | 带限位销 | C | - | 35 | 21 | 23,8 | 6 | M5 | 3 | 14,4 | 7 | 9,8 | - | 8,2 | 2,5 | 1,8 | - |  | | 根据要求 | |
|
|