|
|
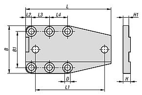
产品说明材料:铝制。规格:铝制,经阳极氧化处理。提示:铝制支撑板可作为 33225-10 精密虎钳的底板。 精密虎钳借助支撑板可安装在任何尺寸为 B=29 或 B=46 的定位系统上。附件:适用于定位工作台 (21100,21102,21104,21120,21122,21124),十字台 (21130,21132,21133,21134,21136,21137) 和升降台 (21140,21142)。特点: 下载此处为收集信息的 PDF:
查找 CAD 数据?请直接在产品列表中查找。
|
| 订货号 | B | B1 | D
| H | H1 | L | L1 | L2 | L3 | L4 | CAD | 配件 | 价格 | 订购 |
|---|
| 33225-16-152952 | 29 | 22 | 3,4 | 7 | 6 | 52 | 42 | 3,5 | 11 | 11 |  | | 根据要求 | | | 33225-16-254677 | 46 | 36 | 4,5 | 7 | 6 | 77 | 62,5 | 5 | 18 | 18 |  | | 根据要求 | |
|
|