norelem 使用 Cookies 以优化设计和持续改进网页。您通过继续使用网页,同意使用 Cookies。在我们的
数据保护声明
中可以找到有关 Cookies 主题的详细信息。
同意
全球分布
创意
AGB
版权说明
数据保护
产品
企业信息
服务
下载
新闻
联系方式
产品概览
固定
灵活的标准件系统
装配
装配系统
运动
用于机床和设备制造的系统/组件
检查
量具检具组件
夹紧
夹紧技术
控制和调节
电动机构
输送
输送和移动技术
technoshop
norelem inch
英制产品目录
33225-20
用于铝制精密台钳的适配器
返回
产品
产品概览
量具检具组件
量具检具标准元件
用于铝制精密台钳的适配器
商品描述/产品说明
查看/筛选所有商品
产品说明
材料:
铝制适配器。
规格:
硬质涂层铝。
提示:
铝制精密台钳适配器是精密台钳和迷你精密台钳的附件。借助适配器,精密台钳可以连接到快速释放支架,形成快速更换系统。这样,精密台钳就可以快速有效地安装在不同的快速释放支架上。
附件:
精密台钳 33225、精密台钳、迷你 33225-10、斜角 33227-10 和快速释放支架 33227-05。
图纸提示:
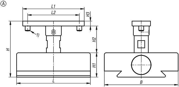
1) DIN 7991 M4x8
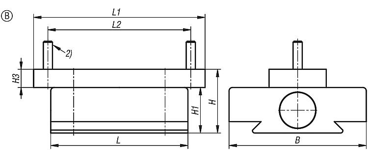
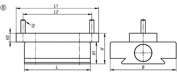
2) DIN 7911 M4x12
特点:
下载
此处为收集信息的 PDF:
查找 CAD 数据?请直接在产品列表中查找。
Datasheet 33225-20 用于铝制精密台钳的适配器
139 kB
快换系统
1,9 MB
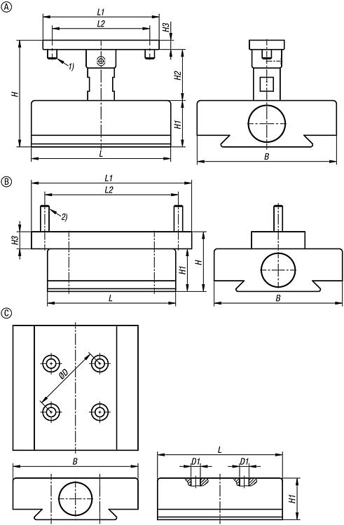
图片(总概述)
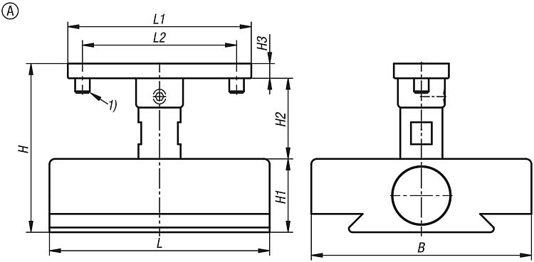
用于铝制精密台钳的适配器,A 型
更多信息
图纸
商品选择/筛选
订货号
类型
B
H
H1
H2
H3
L
L1
L2
适用
CAD
配件
价格
订购
33225-20-15
A
60
46
20
22
4
60
50
42
33225-10-15140, 33225-10-15142
根据要求
用于铝制精密台钳的适配器,B 型
更多信息
图纸
商品选择/筛选
订货号
类型
B
H
H1
H3
L
L1
L2
适用
CAD
配件
价格
订购
33225-20-25
B
60
28
20
8
60
75
62,5
33225-10-25230, 33225-10-25231
根据要求
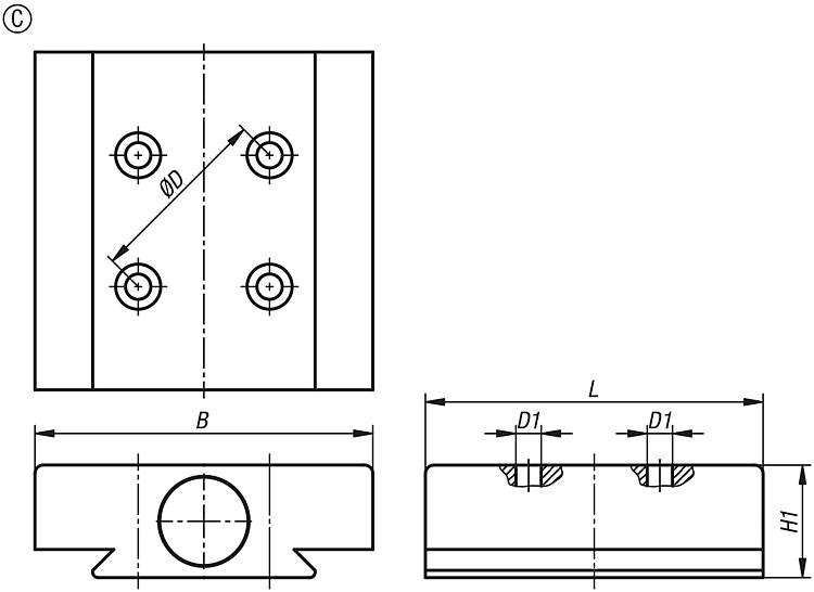
用于铝制精密台钳的适配器,C 型
更多信息
图纸
商品选择/筛选
订货号
类型
B
D
D1
H1
L
适用
CAD
配件
价格
订购
33225-20-35
C
60
33
4,5
20
60
33225-10-35320, 33225-10-35321
根据要求
本类目的其他商品
<<
|
<
|
1-10
|
11-20
|
21-30
|
31-40
|
41-50
|
51-60
|
>
|
>>
33000
量表筒夹 Ø8杆
33010
表架 滑动式
33012
表架 短款带螺纹
33014
表架 长款带螺纹
33016
表架 短款带滑竿
33018
表架 测量叉
33020
测头 平面
33022
测头 弧形
33024
测头 带台阶平面
33026
测头 带台阶弧形
<<
|
<
|
1-10
|
11-20
|
21-30
|
31-40
|
41-50
|
51-60
|
>
|
>>
我的 norelem
E-Mail
密码
忘记密码
首次登陆
购物车
商品数量:
0
总数:
0.00
€
点击购物车
欢迎扫描二维码
咨询诺瑞朗官方客服微信
Algérie
Andorra
Argentina
Australia
België
Bolivia
Bosna i Hercegovina
Brasil
Canada
Česká republika
Chile
中国
Colombia
Costa Rica
Cuba
Danmark
Dem. Peop. Rep. of Korea
Deutschland
Ecuador
Eesti
España
Georgia
香港
Hrvatska
India
Ireland
Ísland
Italia
Jamaica
日本
Latvija
Liechtenstein
Lietuvos
Luxemburg
Magyarország
Malaysia
Malta
México
Nederland
New Zealand
Norge
Österreich
Pakistan
Paraguay
Perú
Polska
Portugal
Principauté de Monaco
台灣
Rep. di San Marino
대한민국
România
Schweiz
Singapore
Slovenija
Slovensko
South Africa
Suomi
Sverige
Türkiye
United Kingdom
United States of America
Uruguay
Venezuela
Việt Nam
Ελλάδα
Κύπρος
Беларусь
България
Република Србија
Россия
Србија и Црна Гора
Україна
ישראל
الامارات العربية المتحدة
السعودية
ايران
مصر
ประเทศไทย
Chinese
English
苏ICP备20011289号-1
苏公网安备32058502011222
网页地图
打印
推荐
Top
Copyright © 2025 norelem. 保留所有权利。
电话 +49 71 45/206-44 至 45 · 传真 +49 71 45/206-83